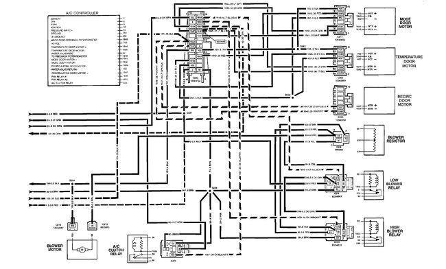
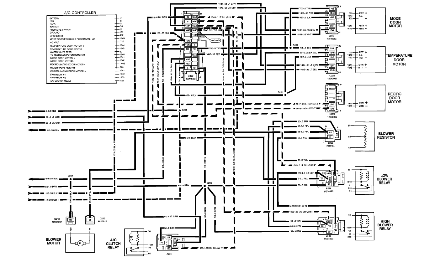
I can disconnect the A/C cycling switch and it will disengage. I replaced the cycling switch thinking that was the problem, but I was wrong. I put a test light on one side of the and there is power to it even though the vehicle key switch is off.
Thursday, August 18th, 2022 AT 2:36 AM




