Friday, June 9th, 2023 AT 12:49 PM
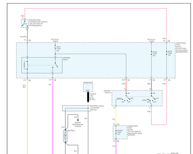
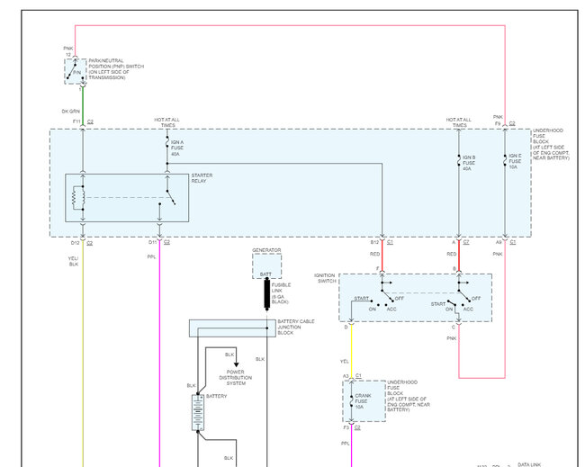
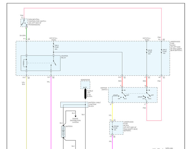
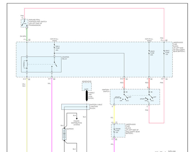
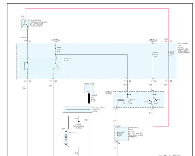
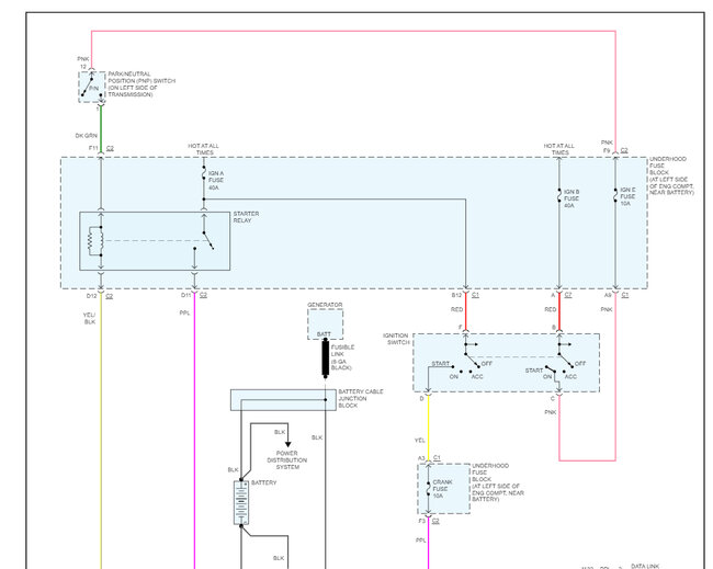
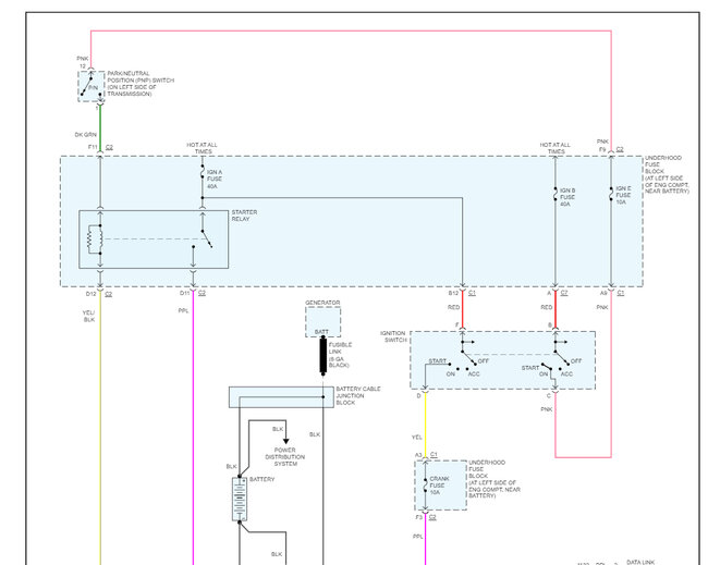
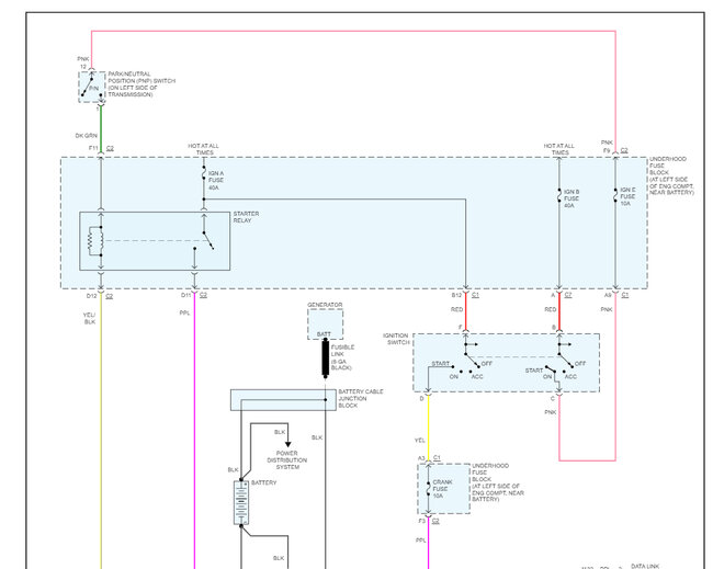
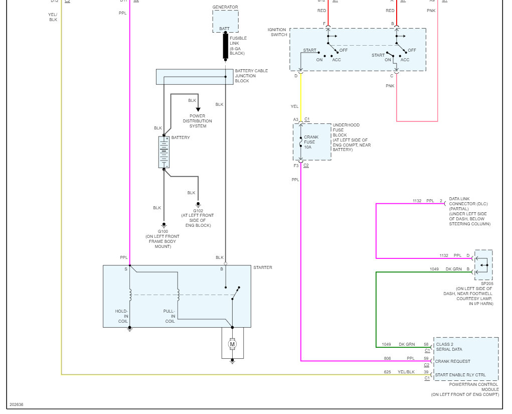
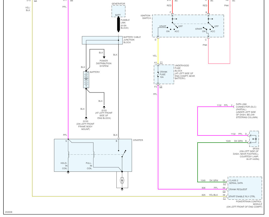
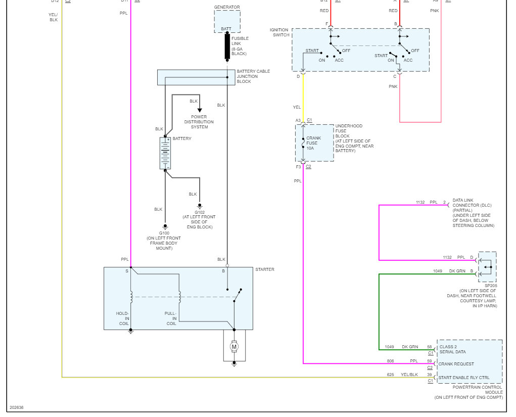
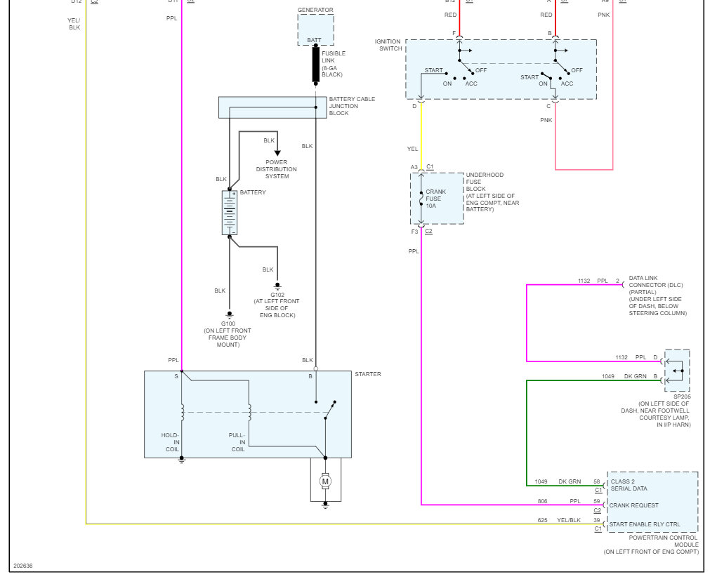
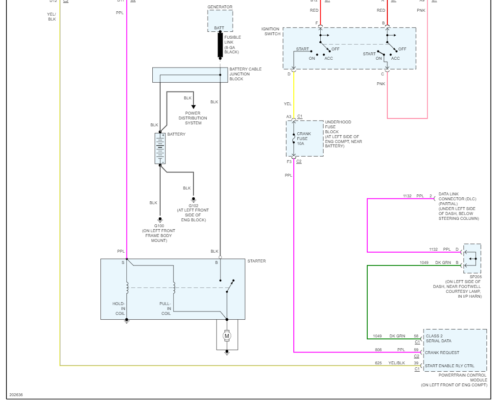
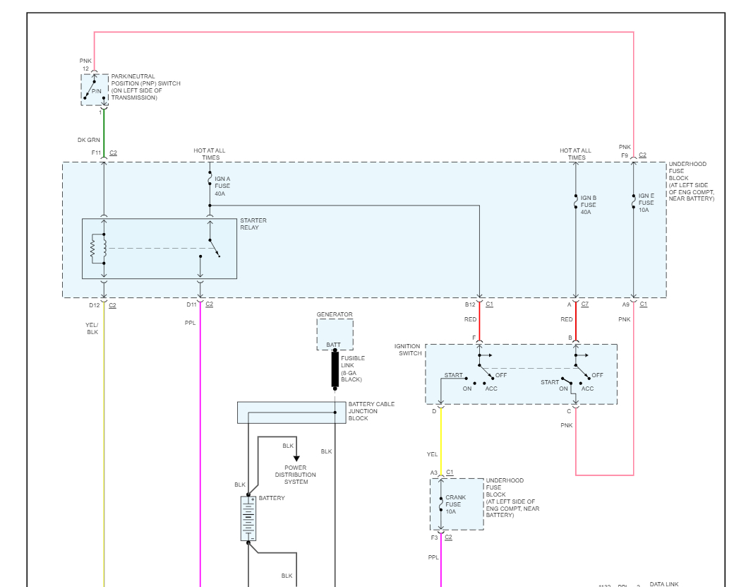
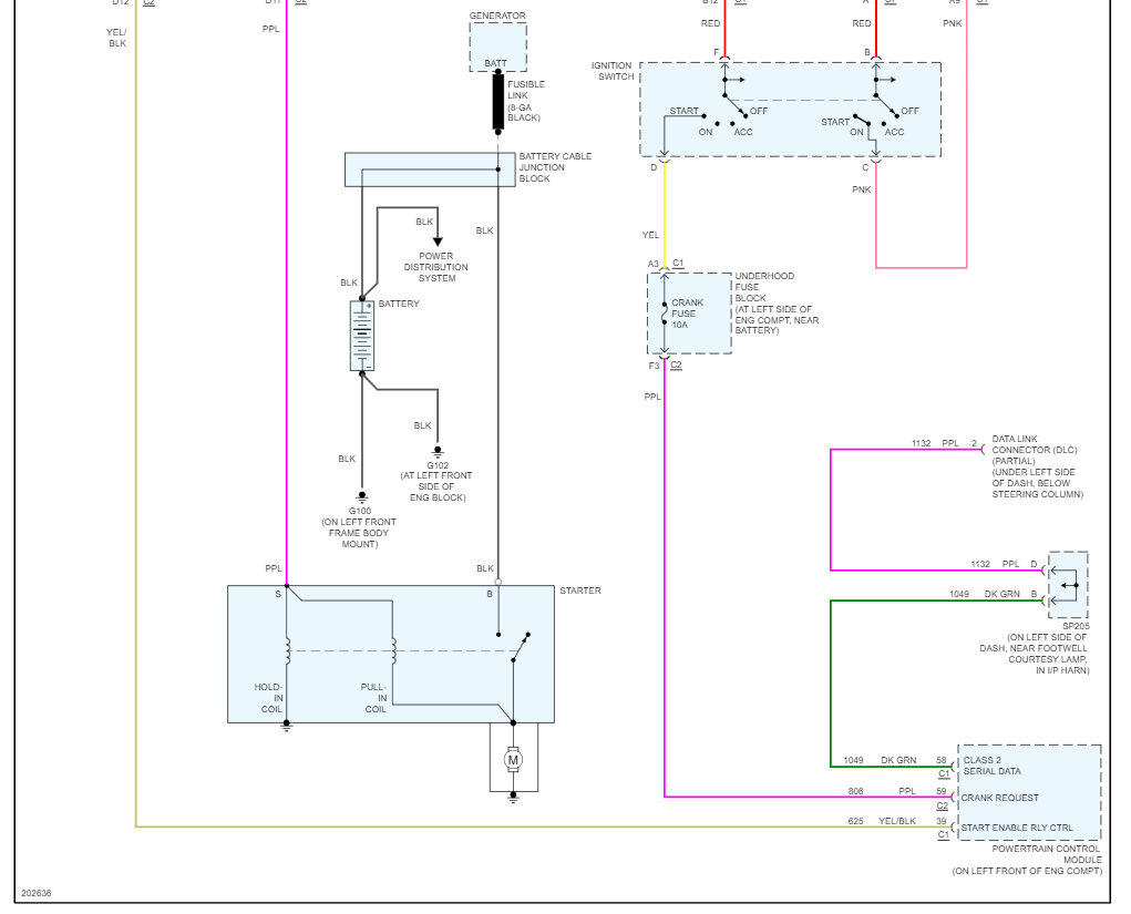
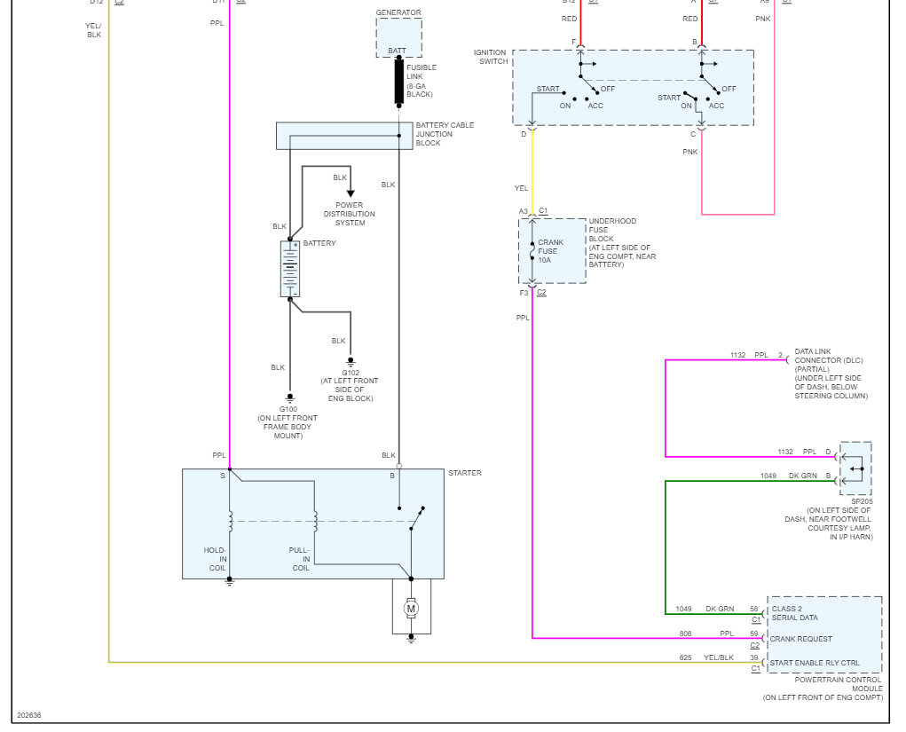
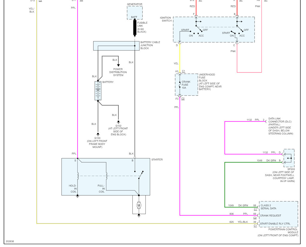
I was wondering if a ultra start U1172XR pro is compatible with my vehicle and if so, could I possibly get a wiring diagram and do I need a bypass for it as well? Thank you

