Thursday, August 15th, 2019 AT 10:03 AM
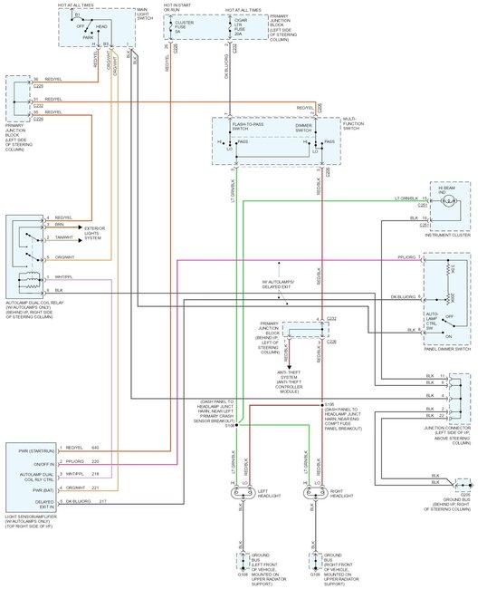
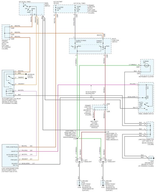
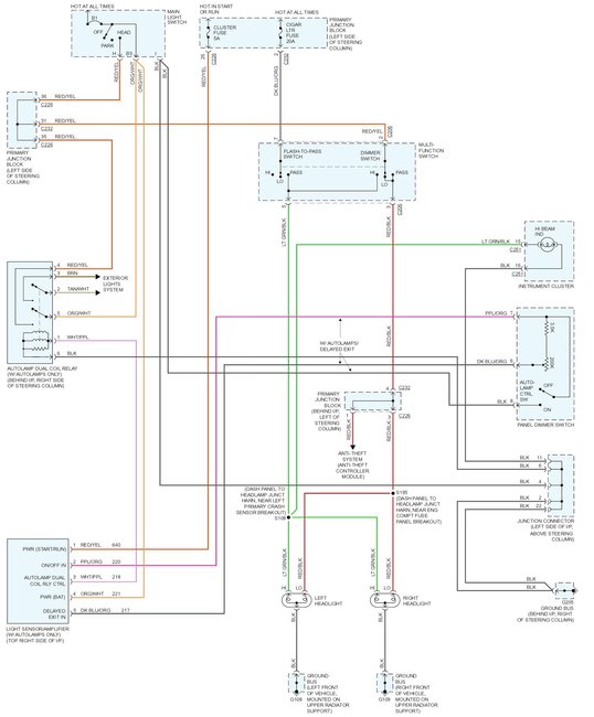
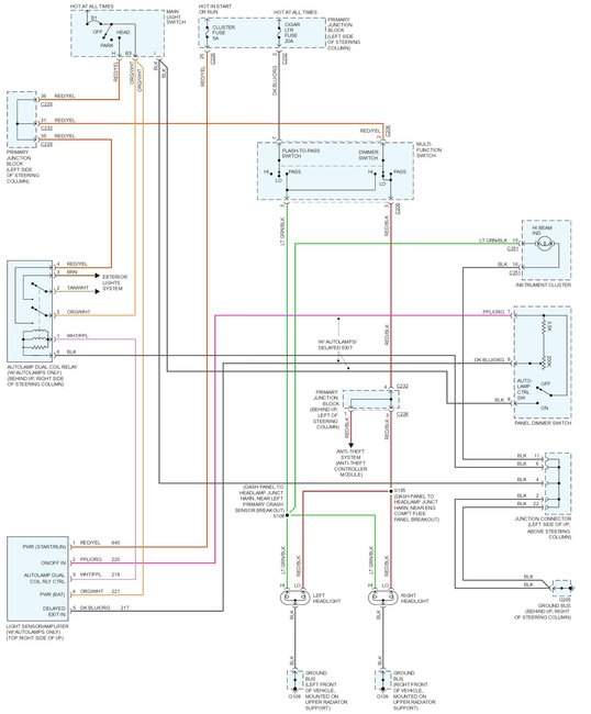
I want to transfer auto lamp delay from one 1997 Cougar to another that did not have it. I installed the switch that has the auto lamp wheel, but it does not work. What do I need to do?
