How to replace the timing belt?

Tiny
POLK
  • MEMBER
  • 1996 SUBARU SVX
  • 4WD
  • AUTOMATIC
  • 140,000 MILES
I was changing the water pump and I think I messed up on putting the timing belt back on because now the car won't start, it just makes a noise. Which is in the video attached.
Monday, June 5th, 2023 AT 1:13 AM

5 Replies

Tiny
KEN L
  • MASTER CERTIFIED MECHANIC
  • 55,266 POSTS
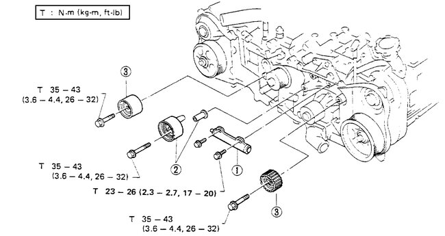
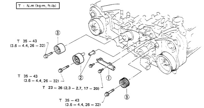
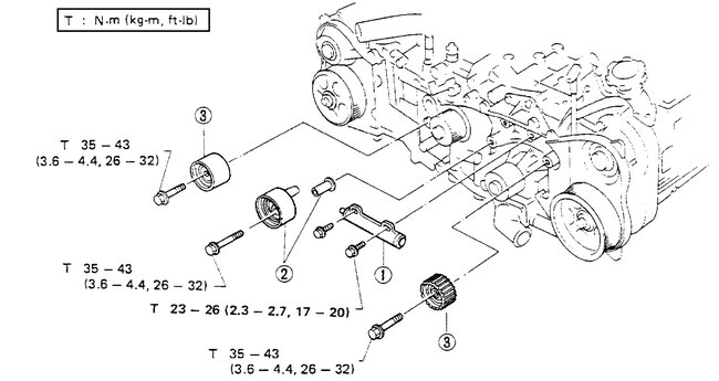
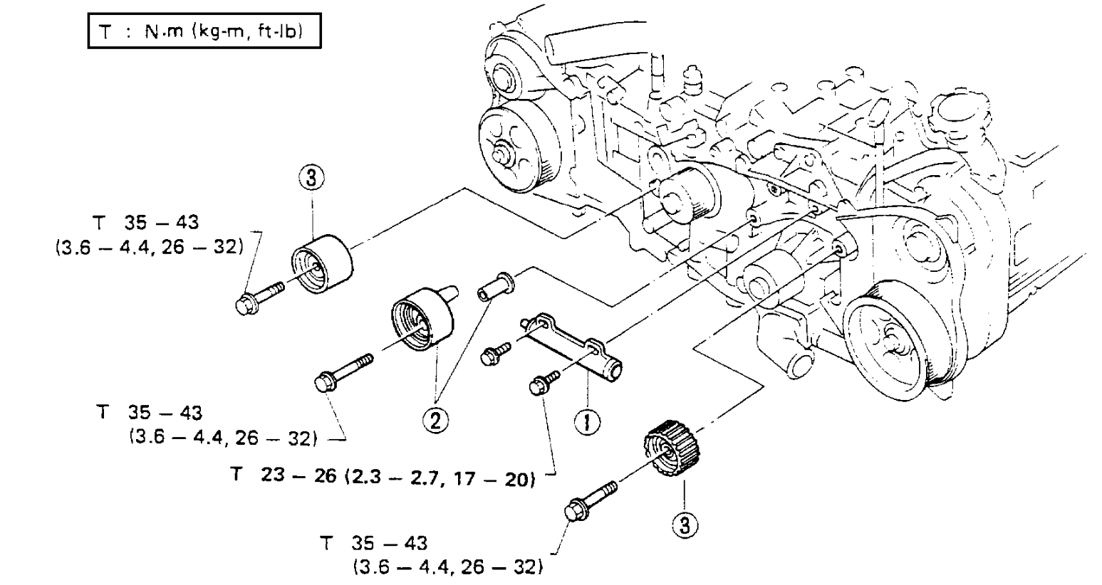
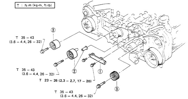
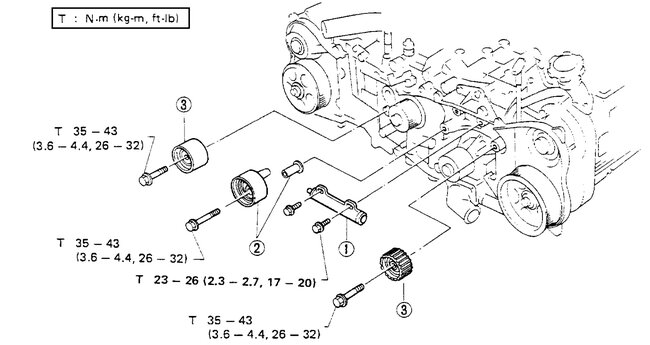
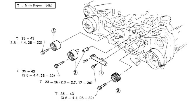
Thanks for the video. Yep, that is not right, I believe the timing belt is on incorrectly, here are the instructions to help you fix it. Check out the images (below). Please let us know if you need anything else to get the problem fixed.
Was this
answer
helpful?
Yes
No
Monday, June 5th, 2023 AT 1:51 PM
Tiny
POLK
  • MEMBER
  • 8 POSTS
After putting timing belt back together it started shaking engine badly and smoking under hood and popping noise from exhaust.
Was this
answer
helpful?
Yes
No
Tuesday, June 20th, 2023 AT 3:28 PM
Tiny
KEN L
  • MASTER CERTIFIED MECHANIC
  • 55,266 POSTS
It sounds like the belt is not installed correctly. On these engines there is a procedure, I don't think you can just put the marks on and put it together. If you are confident the timing belt is on correctly let's pull the spark plugs and do a compression test. Here is a guide that can help:

https://www.2carpros.com/articles/how-to-test-engine-compression

and

https://www.2carpros.com/articles/symptoms-of-low-compression

Please go over these guides and get back to us.

Was this
answer
helpful?
Yes
No
Wednesday, June 21st, 2023 AT 9:44 AM
Tiny
POLK
  • MEMBER
  • 8 POSTS
What if the timing belt looks kind of torn on one of the teeth can that cause it? It just a little tear in the end.
Was this
answer
helpful?
Yes
No
Wednesday, June 21st, 2023 AT 9:47 AM
Tiny
KEN L
  • MASTER CERTIFIED MECHANIC
  • 55,266 POSTS
Yep, any tears or signs of wear are bad on a timing belt. I would replace it.
Was this
answer
helpful?
Yes
No
Friday, June 23rd, 2023 AT 9:35 AM

Please login or register to post a reply.