How to replace radiator?

Tiny
YULIANRG
  • MEMBER
  • 2006 SATURN VUE
  • 3.5L
  • V6
  • FWD
  • AUTOMATIC
  • 140,000 MILES
I need to replace the radiator 2006 saturn vue 3.5 V6. I need help :)
Sunday, January 17th, 2016 AT 5:33 AM

11 Replies

Tiny
WRENCHTECH
  • MECHANIC
  • 20,761 POSTS
Here is a guide that show what you need to do when doing the job. It looks like the AC may need to be drained down and recharged if you cant sneak it out of there.

Here is a guide that will give you an idea for what you are in for when doing the job.

https://www.2carpros.com/articles/re-charge-an-air-conditioner-system

and

https://www.2carpros.com/articles/how-to-replace-a-car-radiator

Here is a video as well.

https://youtu.be/KxarBcVj1Yg

Here are the step by step instructions with diagrams (Below)

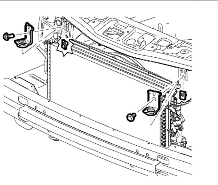
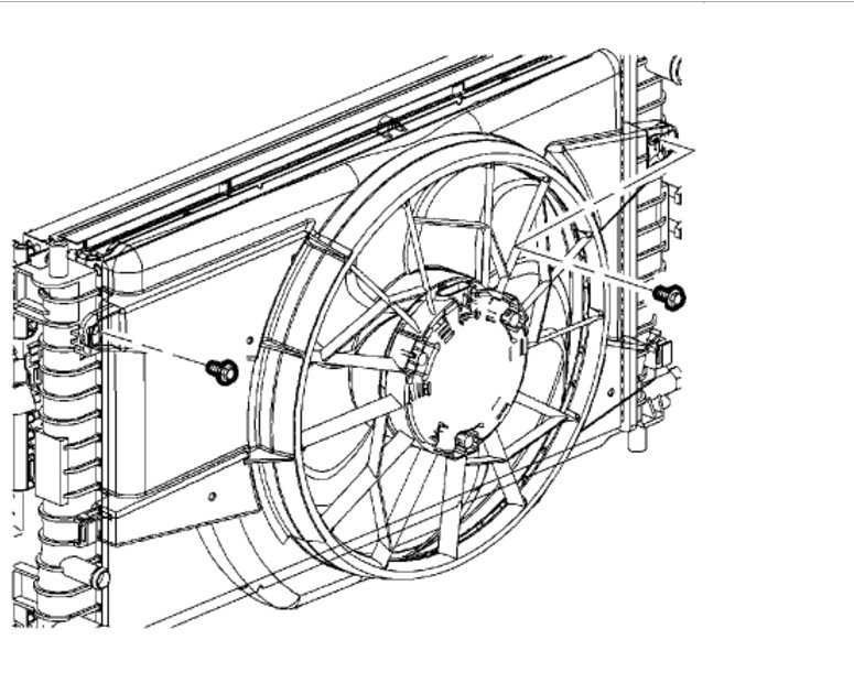
Drain the cooling system. Remove the front fascia. Remove the condenser radiator fan module (CRFM) closeout panel retainers from the condenser. Remove the CRFM closeout panel from the condenser.

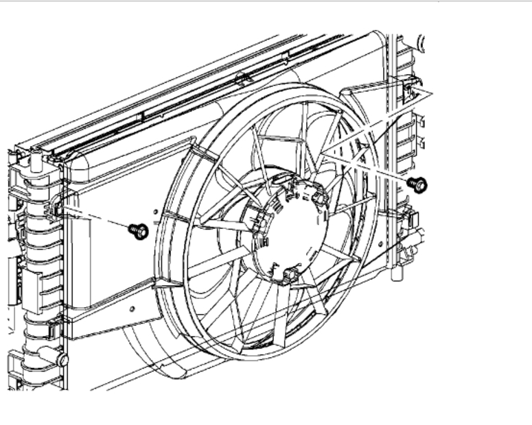
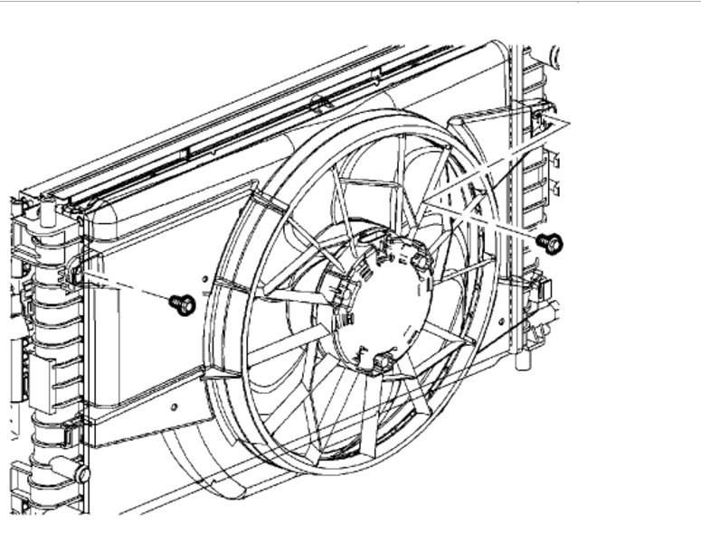
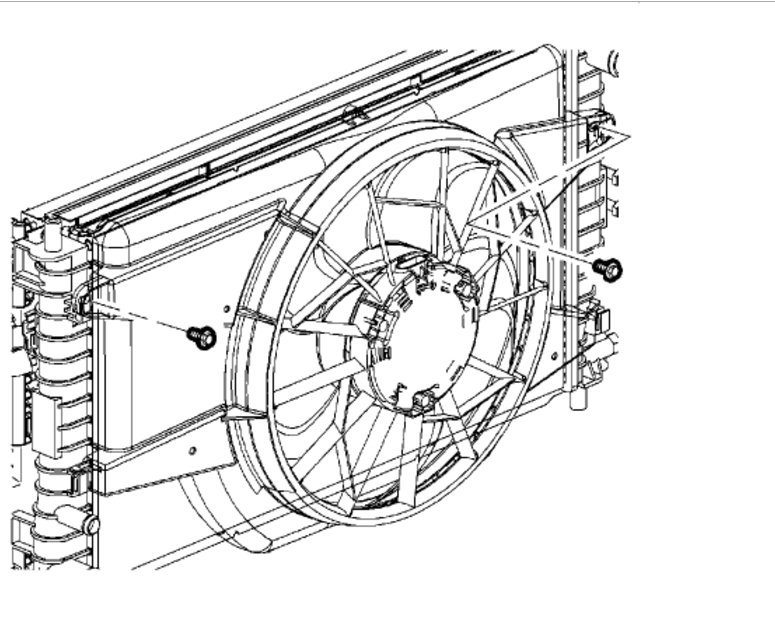
Remove the fan assembly bolts from the radiator. Lift the fan assembly to disengage the lower retention tabs. Position the fan assembly away from the radiator.

Lift the condenser while holding the upper retention tabs forward. Position the condenser away from the radiator.

Disconnect the transmission cooler liners from the radiator.Remove the CRFM bracket bolts from the radiator support. Remove the CRFM brackets from the radiator.

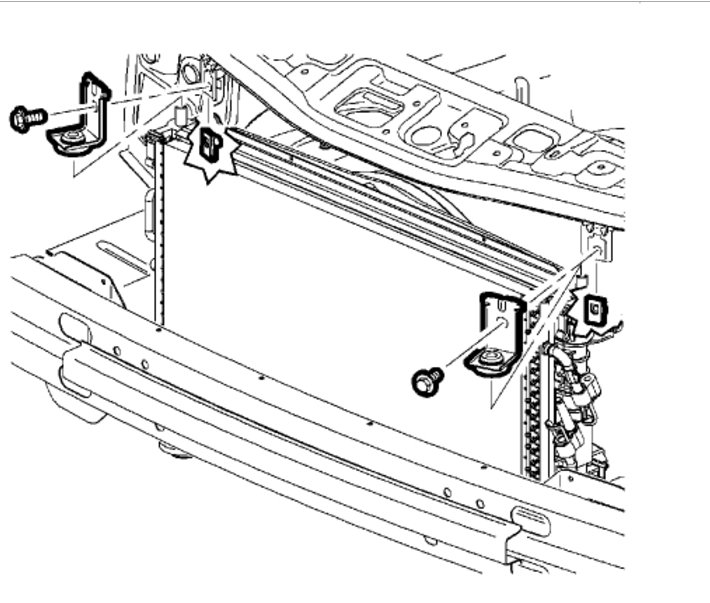
Remove the radiator inlet hose clamp from the radiator. Remove the radiator inlet hose from the radiator. Remove the radiator outlet hose clamp from the radiator. Remove the radiator outlet hose from the radiator.

Please let us know what happens so it will help others.
Was this
answer
helpful?
Yes
No
+2
Sunday, January 17th, 2016 AT 6:25 AM
Tiny
YULIANRG
  • MEMBER
  • 6 POSTS
Is better for me if I see the the diagrams, I got the job done and saved a ton doing it.
Was this
answer
helpful?
Yes
No
Sunday, January 17th, 2016 AT 6:29 AM
Tiny
WRENCHTECH
  • MECHANIC
  • 20,761 POSTS
Nice work, we are here to help, please use 2CarPros anytime.
Was this
answer
helpful?
Yes
No
Sunday, January 17th, 2016 AT 6:31 AM
Tiny
YULIANRG
  • MEMBER
  • 6 POSTS
Thanks I will, this site rocks
Was this
answer
helpful?
Yes
No
-1
Sunday, January 17th, 2016 AT 6:32 AM
Tiny
GREGORYJH
  • MEMBER
  • 2 POSTS
  • 2006 SATURN VUE
  • 3.5L
  • V6
  • AWD
  • AUTOMATIC
Need to replace radiator, does anyone have step by step instructions? I saw a post by Saturntech9
on Jun 25, 2014 titled REPLACING COOLING FAN ASSEMBLY ON V6, which would work, but the small bitmaps are too small to read. Can the procedure be emailed or posted for download?

Thank you!
Greg
Was this
answer
helpful?
Yes
No
Thursday, August 24th, 2017 AT 3:03 PM (Merged)
Tiny
HMAC300
  • MECHANIC
  • 48,601 POSTS
See pics there are two seals to remove from radiator once it's out.
Was this
answer
helpful?
Yes
No
+1
Thursday, August 24th, 2017 AT 3:03 PM (Merged)
Tiny
ISHTY
  • MEMBER
  • 1 POST
  • 2004 SATURN VUE
  • 87,000 MILES
My saturn was recently in a somewhat minor accident in which the radiator, fan, and a/c condenser need to be replaced. I just don't know if my Vue had a single fan or a double fan or if there is an advantage to one or the other.
Was this
answer
helpful?
Yes
No
Thursday, August 24th, 2017 AT 3:03 PM (Merged)
Tiny
CMOSEY
  • MEMBER
  • 2 POSTS
  • 2005 SATURN VUE
  • 4.3L
  • 6 CYL
  • FWD
  • AUTOMATIC
  • 180,000 MILES
Last week or 2 gone through a lot of antifreeze, runs out in about 5 days city driving.
Was this
answer
helpful?
Yes
No
Friday, April 19th, 2019 AT 6:19 PM (Merged)
Tiny
SATURNTECH9
  • MECHANIC
  • 30,869 POSTS
You have the 3.5L ypu put 4.3L?Also were going to have to look for a coolant leak pressure test or may even dye. We have to start with a visual inspect dried coolant left behind fresh coolant etc.
Was this
answer
helpful?
Yes
No
Friday, April 19th, 2019 AT 6:19 PM (Merged)
Tiny
CMOSEY
  • MEMBER
  • 2 POSTS
Sorry, last car was a 4.3, anyways. There's no leaks in my parking spots, but would any mechanic shop be able to perform these tests? Who do you prefer?
Was this
answer
helpful?
Yes
No
Friday, April 19th, 2019 AT 6:19 PM (Merged)
Tiny
SATURNTECH9
  • MECHANIC
  • 30,869 POSTS
I talk to people all over the world on here so to recommend a local place for you is hard.I would look for a good review shop try looking on yelp etc. They should be able to pressure test the system for you to see whats going on. Also never over look a bad radiator cap causing a coolant loss.
Was this
answer
helpful?
Yes
No
Friday, April 19th, 2019 AT 6:19 PM (Merged)

Please login or register to post a reply.