Tuesday, July 28th, 2020 AT 7:23 AM
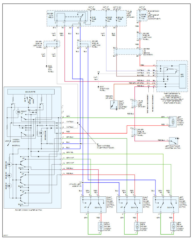
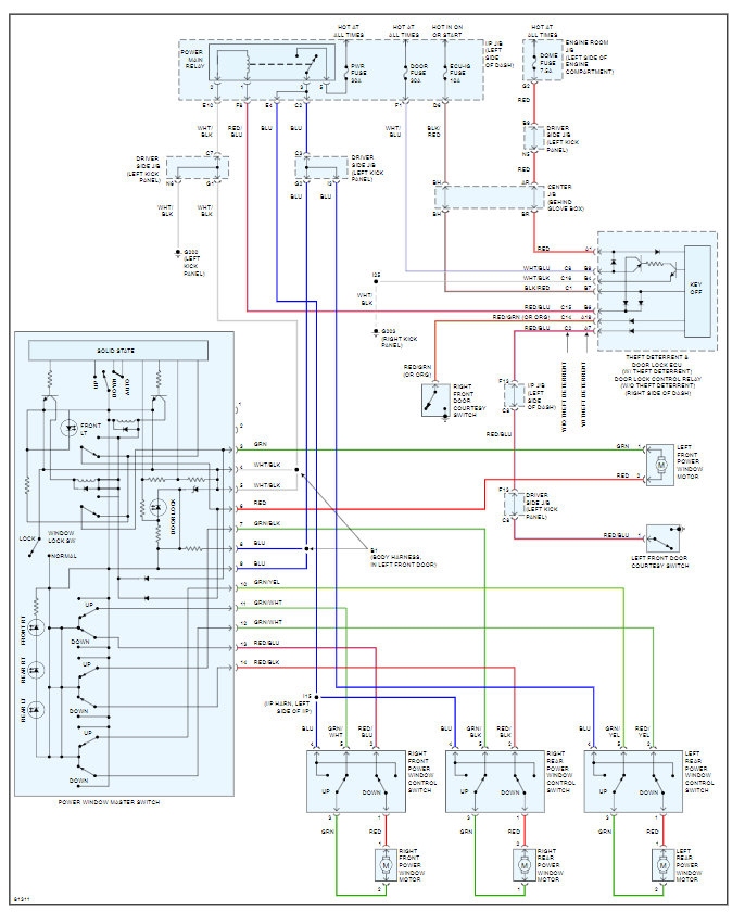
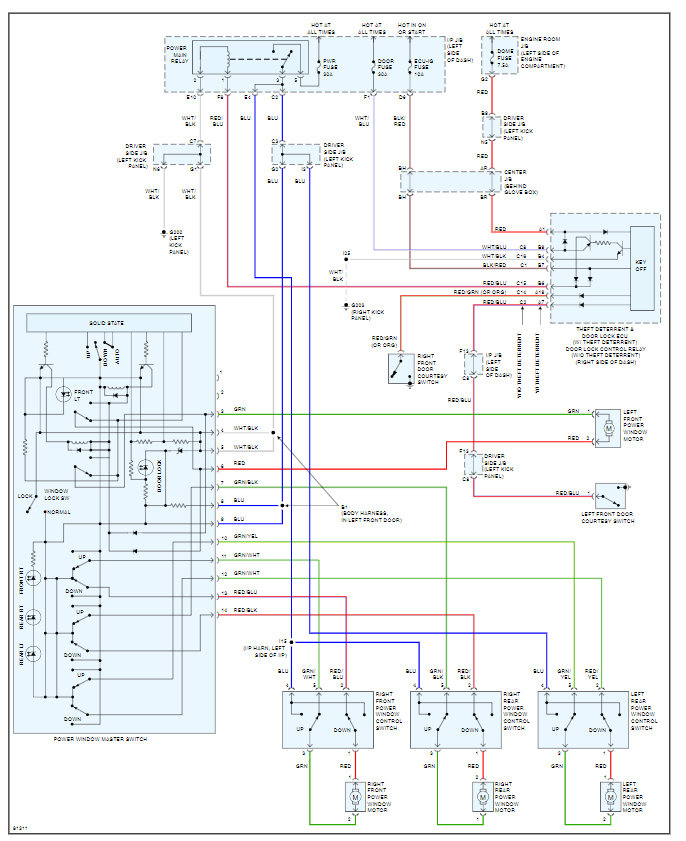
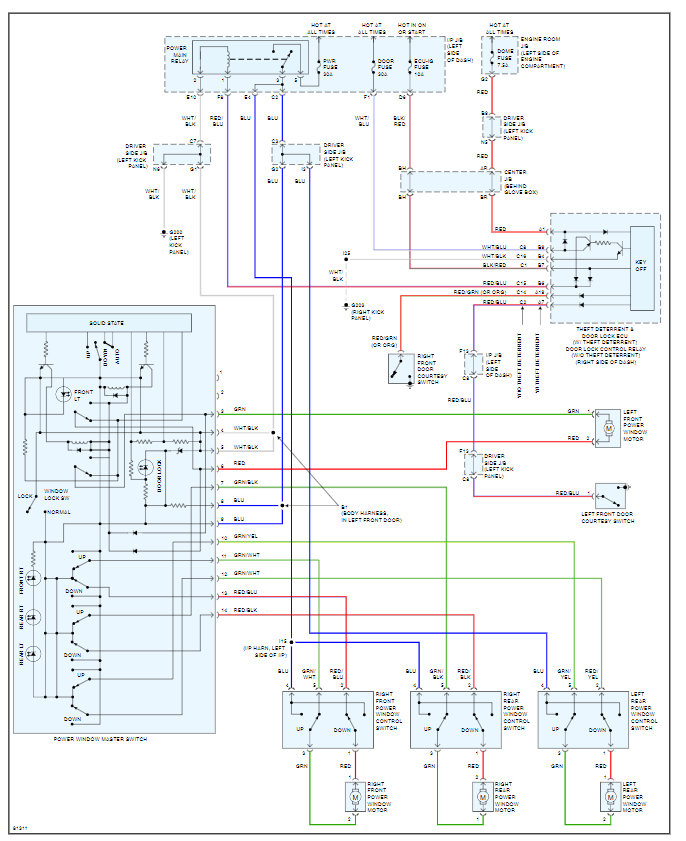
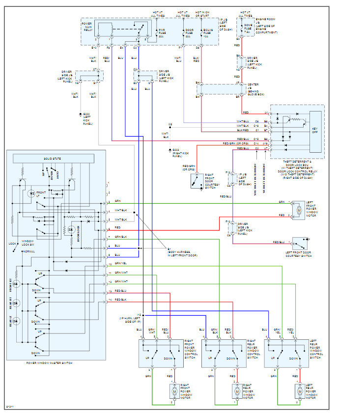
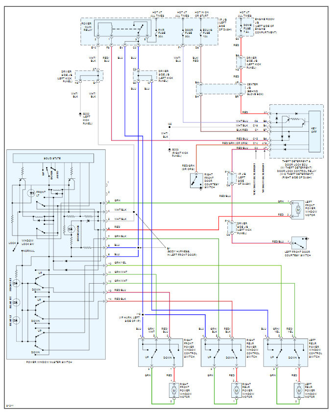
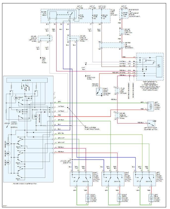
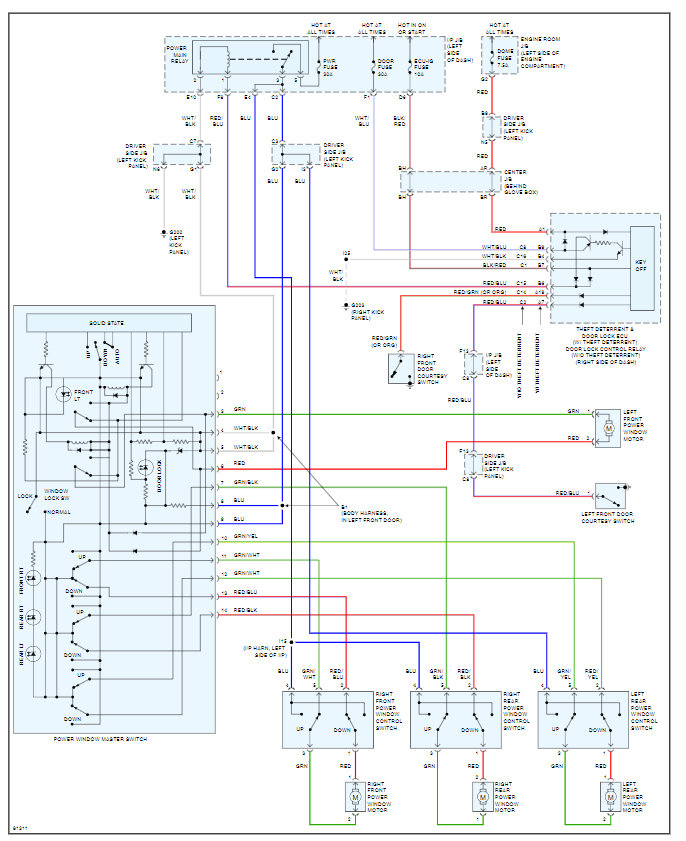
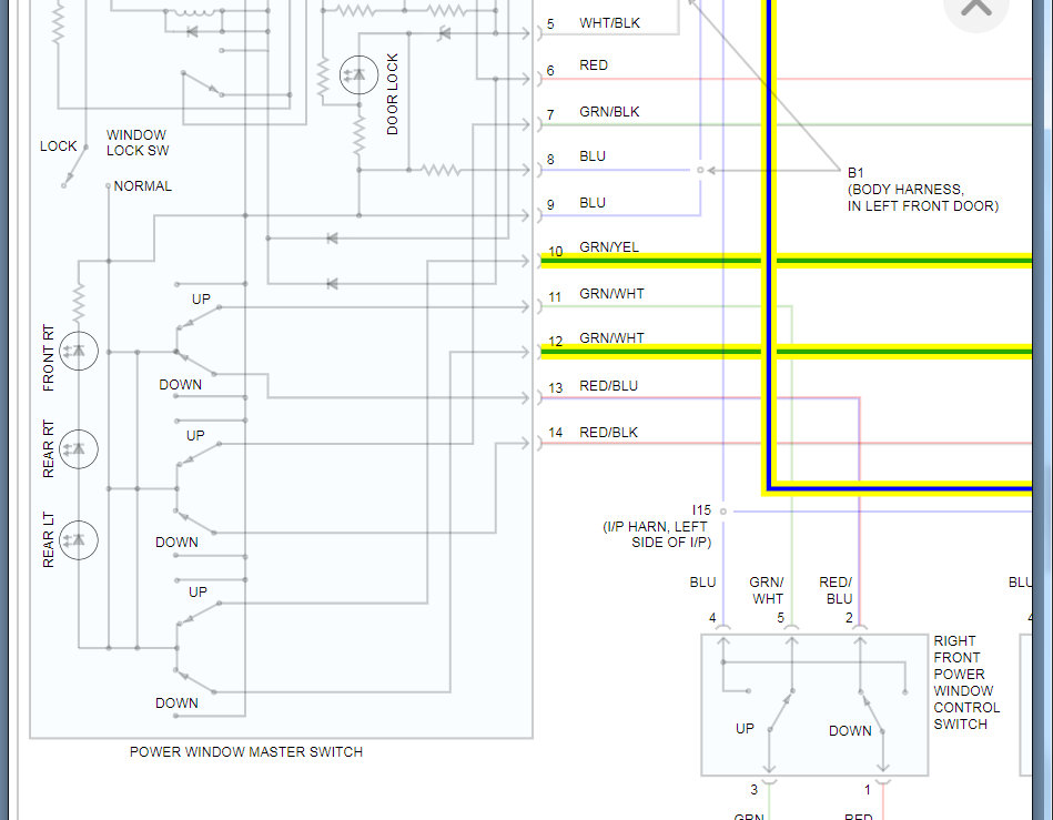
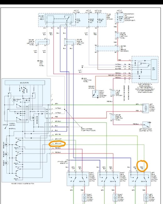
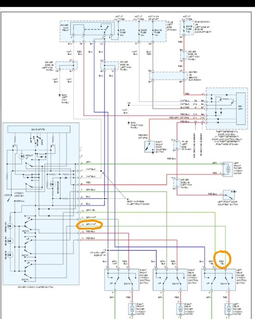
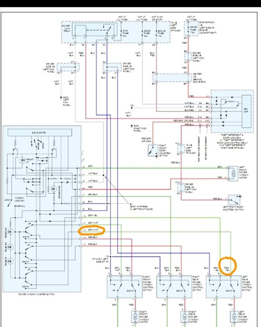
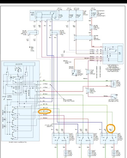
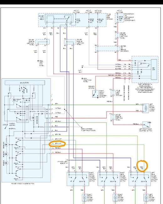
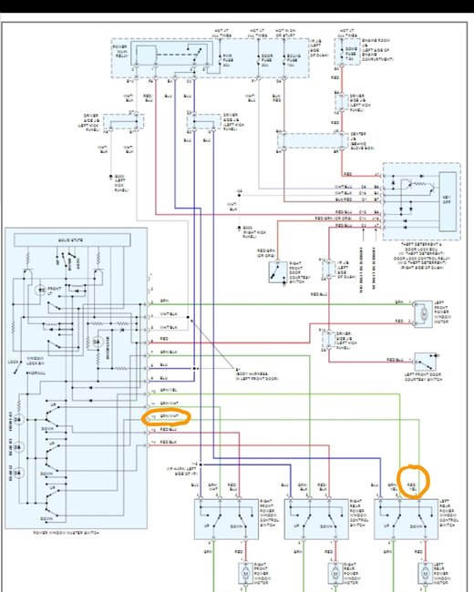
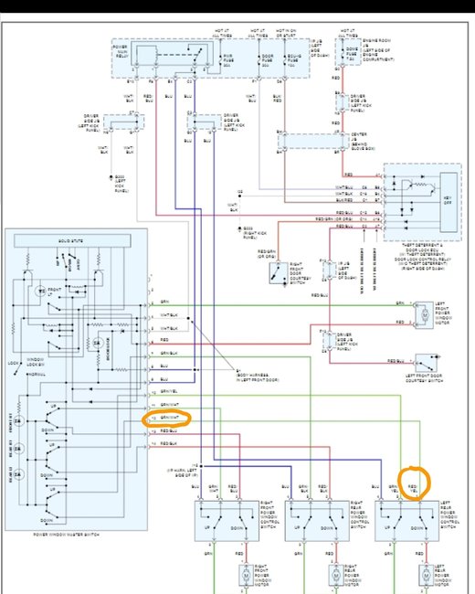
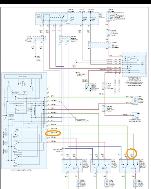
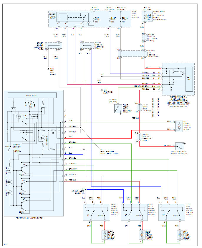
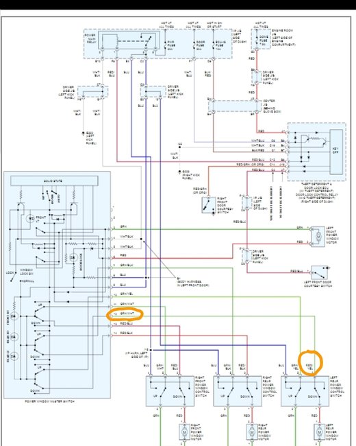
I need to replace the power window regulator on the rear driver's side, since the motor doesn't work. I have managed to disassemble the door panel and remove all the nuts and bolts from the motor and regulator. I have even managed to remove the 2 bolts that hold the window to the regulator, while the window was still up, although it was very challenging and tedious. At this point, I'm stuck as I'm unable to remove the regulator. It seems that the window needs to be pushed down first, then pulled out, which then will allow the regulator to come out. However, since the motor doesn't work, what can I do in order to take out the regulator? Are there any options available? Thank you!








