How to remove wood trim around dashboard switches

Tiny
MJTSEBE
  • MEMBER
  • 2000 MERCEDES BENZ S500
  • V8
  • 4WD
  • AUTOMATIC
  • 300,000 MILES
My dashboard control switches are not working and I need to check for power to the Upper Control Module.

How do I remove the wood trim around this switches so I can access the module?
Friday, June 5th, 2020 AT 4:23 AM

7 Replies

Tiny
DANNY L
  • MECHANIC
  • 5,648 POSTS
Hello, I'm Danny.

Yes, that piece of molding is removable. You will need to remove the glove box first. There are 2 nuts to be removed from the molding piece after glove box removed. Then use a soft wedge are something thin as to not damage the molding or dash to pop upward out of its socket the rest of the length. I've attached picture steps and directions below. Hope this helps and thanks for using 2CarPros.
Was this
answer
helpful?
Yes
No
+1
Friday, June 5th, 2020 AT 5:26 AM
Tiny
MJTSEBE
  • MEMBER
  • 12 POSTS
Thanks Danny L, I really appreciate your prompt response. Will try this method in the morning and let you know if I have succeeded.
Was this
answer
helpful?
Yes
No
Friday, June 5th, 2020 AT 6:57 AM
Tiny
DANNY L
  • MECHANIC
  • 5,648 POSTS
You're welcome.

Let us know how things turn out or if you have any further questions about this. Thanks again for using 2CarPros. Hope you will use us again in the future.

Danny-
Was this
answer
helpful?
Yes
No
Friday, June 5th, 2020 AT 11:18 AM
Tiny
MJTSEBE
  • MEMBER
  • 12 POSTS
Hi Danny L

As per discussion above, I did manage to remove the wood dashboard trim and access the Control Module but unfortunately am not sure how to test for power. Please advise on what to do next to make sure there is power on the Module. Thanks
Was this
answer
helpful?
Yes
No
Monday, June 8th, 2020 AT 2:37 AM
Tiny
DANNY L
  • MECHANIC
  • 5,648 POSTS
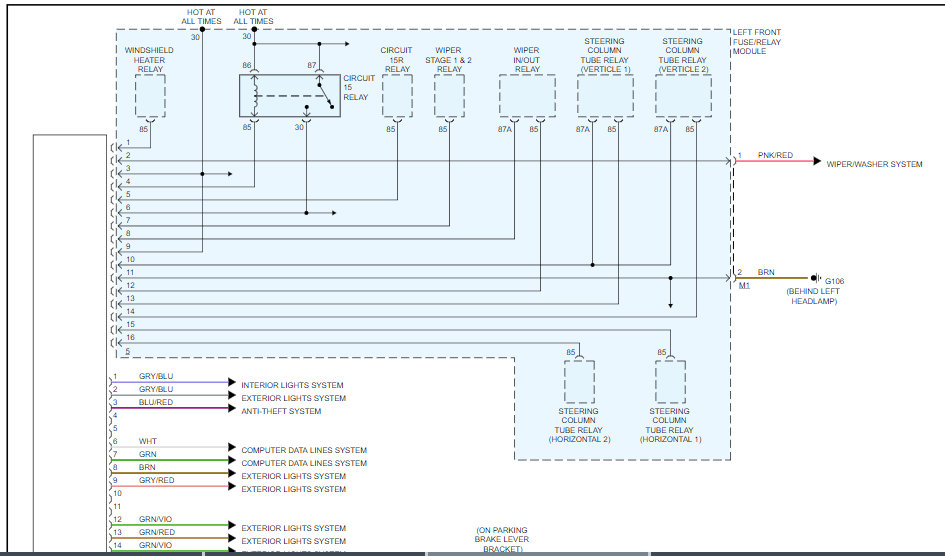
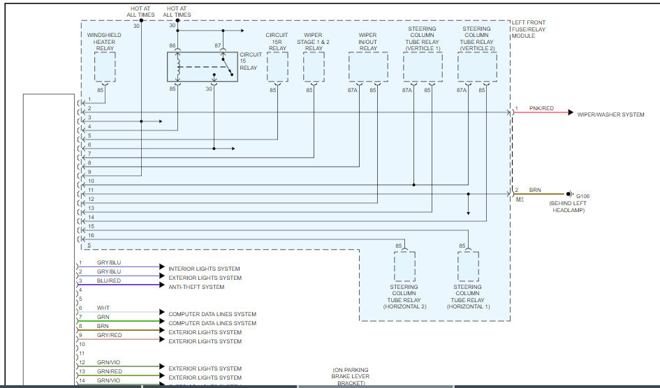
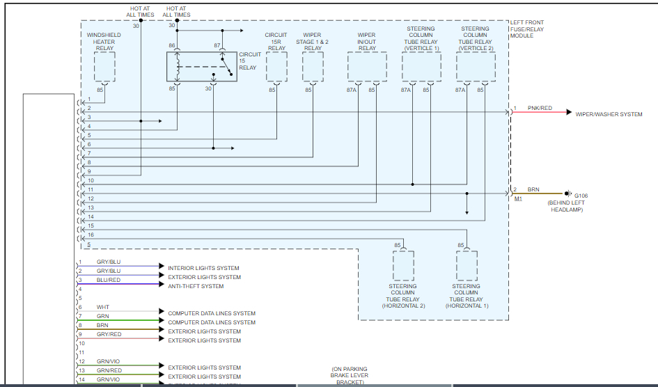
Hello again.

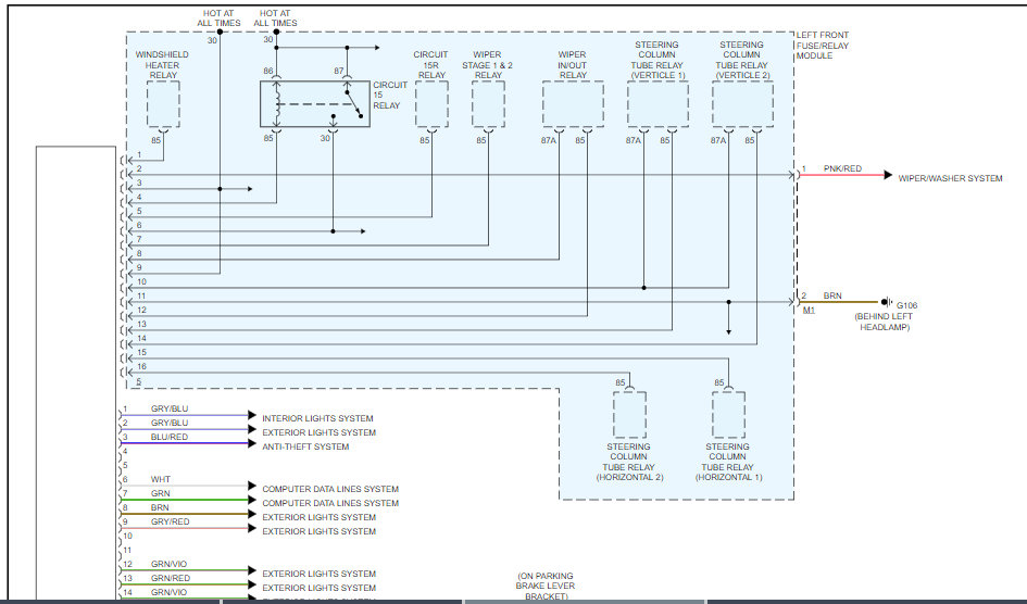
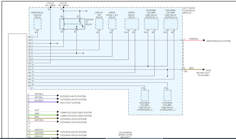
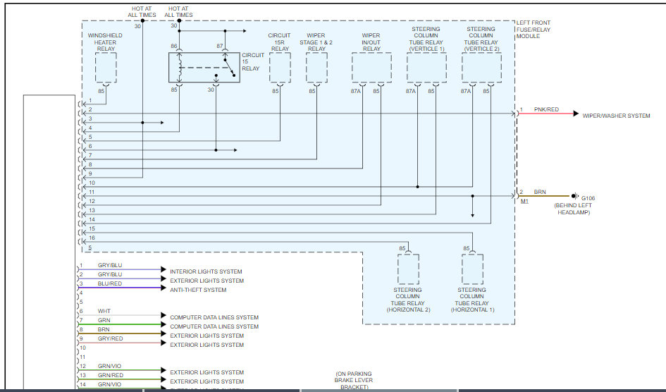
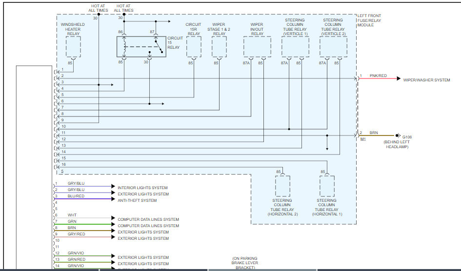
I've attached below the wiring diagram for the module. Do you have access to a test light or DVOM - digital-volt-ohm-meter? This is the wiring diagram. I've cut the picture into 3 pieces so you can view larger. Hope this helps and thanks again for using 2CarPros.

Danny-
Was this
answer
helpful?
Yes
No
+1
Thursday, June 11th, 2020 AT 5:57 AM
Tiny
MJTSEBE
  • MEMBER
  • 12 POSTS
Thank you.
Much appreciated, update you as soon as I have done the test.
Was this
answer
helpful?
Yes
No
Thursday, June 11th, 2020 AT 6:25 AM
Tiny
DANNY L
  • MECHANIC
  • 5,648 POSTS
You're welcome !
Keep me updated. Thanks again for using 2CarPros.

Danny-
Was this
answer
helpful?
Yes
No
Thursday, June 11th, 2020 AT 7:03 AM

Please login or register to post a reply.