Thursday, September 18th, 2014 AT 10:02 AM
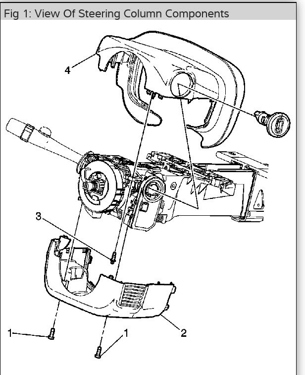
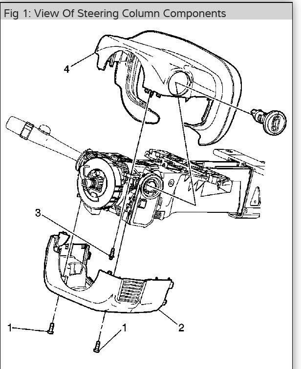
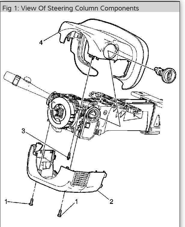
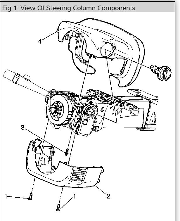
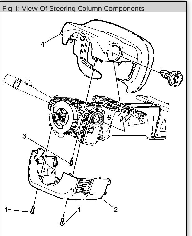
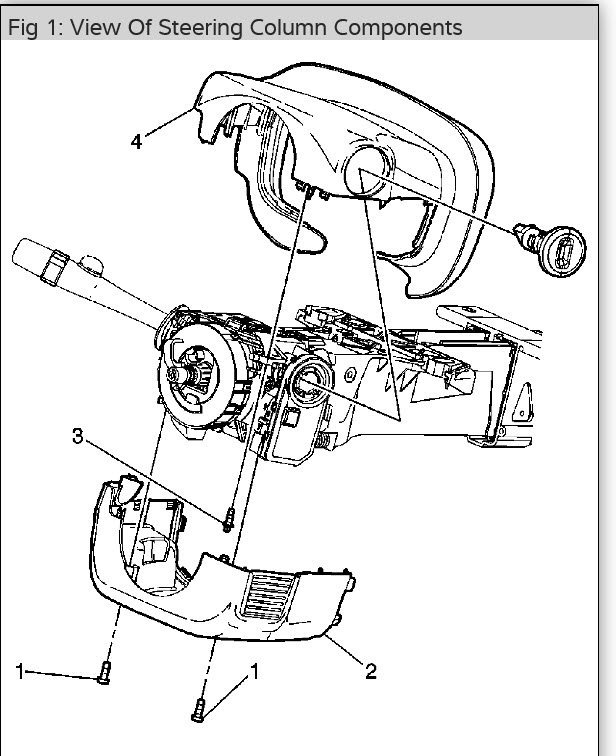
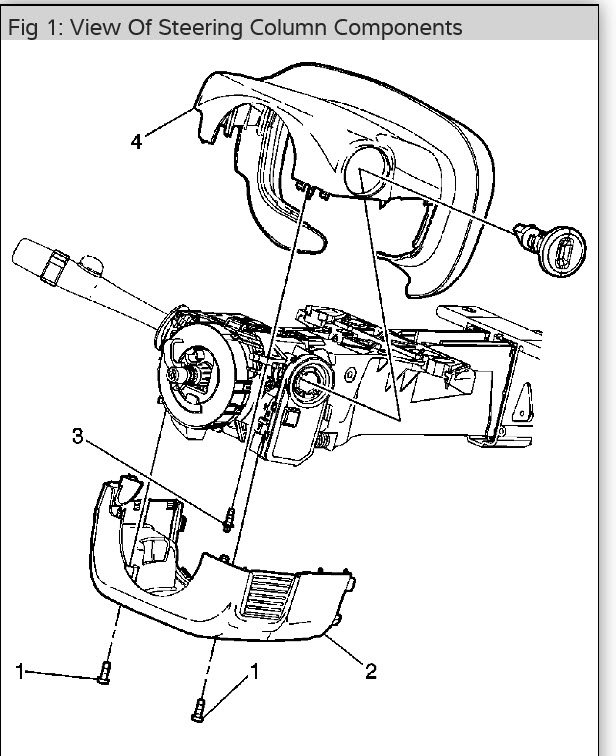
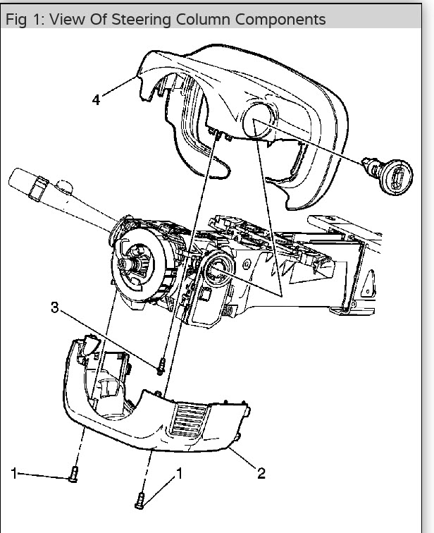
I need to know how to remove the plastic dash panel underneath the steering wheel to allow me access to the brake light switch and the plugs for the airbag system.



