how to locate the blower motor and resistor?

2004 SUZUKI XL7
60,000 MILES • 2.7L • V6 • 4WD • AUTOMATIC
Avatar
MORTYOSLO
  • MEMBER
  • 2 POSTS
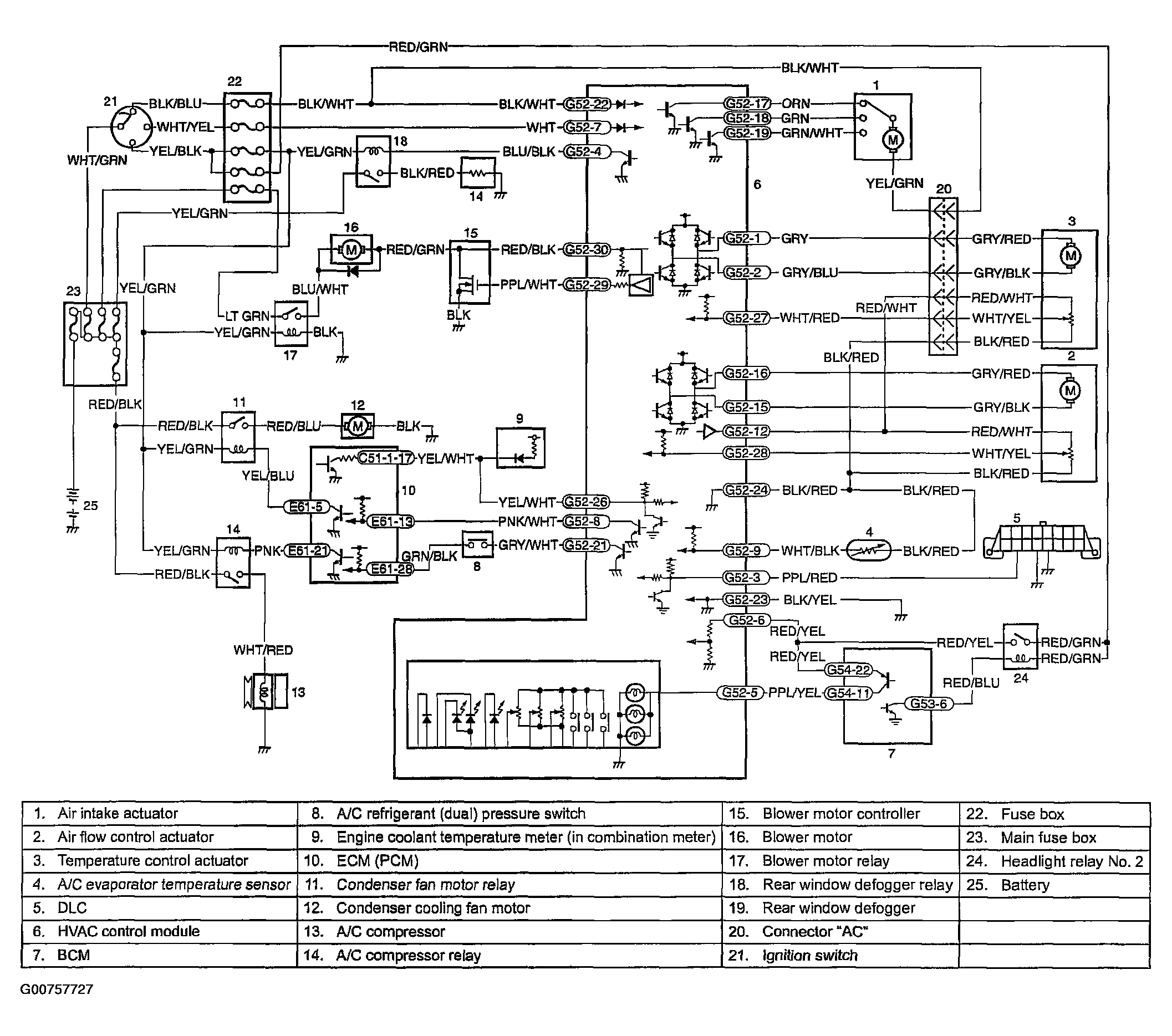
Hi...can anybody please tell me where to locate the blower resistor/fan control module... I think it's defective...if somebody can give me an hint it would be great..It's about -2 C outside and snow....It's he automatic temp. regulator on it, the big knob on the left, the AC light can be turned on/of, checked the fuses under dash, and in engine room. If anybody have an electrical diagrams and/or where located i would be very happy..

Thank you in advance..
regards from
Morten J
Dec 14, 2013 at 6:54 AM
Advertisement
Repair Safety Notice: This information is for general instructional purposes only. Vehicle repair can be dangerous. Verify all information, follow manufacturer service procedures, use proper tools and safety equipment, and consult a qualified repair shop when needed.
Avatar
HMAC300
  • AUTOMOTIVE REPAIR CONTRIBUTOR
  • 48,601 POSTS
this may be the controller for that, however there is a thing called a fan driver behind right headlight and the blower motor relay is behind right kick panel also check front blower fuse and meter fuse under dash fuse box.
Dec 14, 2013 at 7:18 AM
Avatar
MORTYOSLO
  • MEMBER
  • 2 POSTS
Rigth kick panel...is that the one on the passenger side on rigth side in front of the right door?

I'll look behind the right headlight tomorrow at dayligth..

....is it an single relay, or is it close to the fusebox that is on the right side ?

The fan regulator is the big knob in the middle...how is it possible/esasyest way to access behind there..?

Thank you in advance..
Morten J
Dec 14, 2013 at 11:12 AM
Advertisement
Avatar
HMAC300
  • AUTOMOTIVE REPAIR CONTRIBUTOR
  • 48,601 POSTS
we dont' have real good things form Suzuki on these but it's infront of passenger door
Disconnect negative (-) cable at battery.
Disable air bag system.
For H25 engine model, refer to AIR BAG RESTRAINT SYSTEMS .
For H27 engine model, refer to AIR BAG RESTRAINT SYSTEMS .
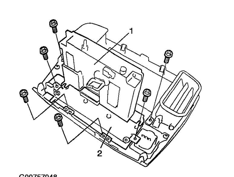
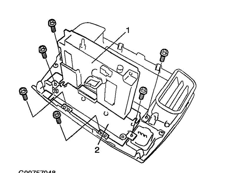
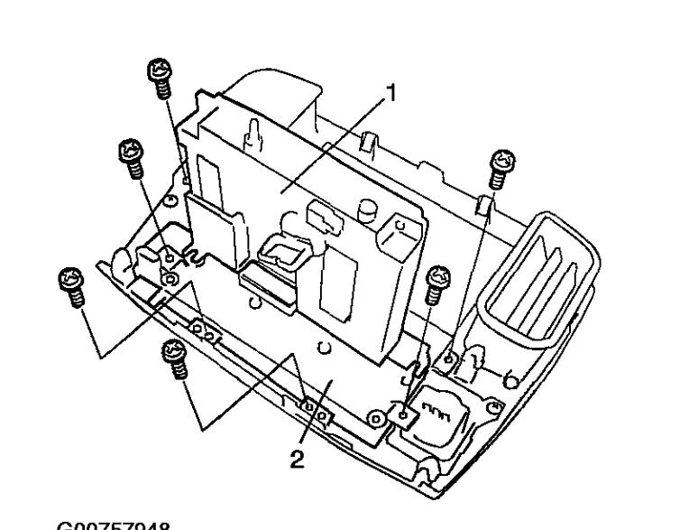
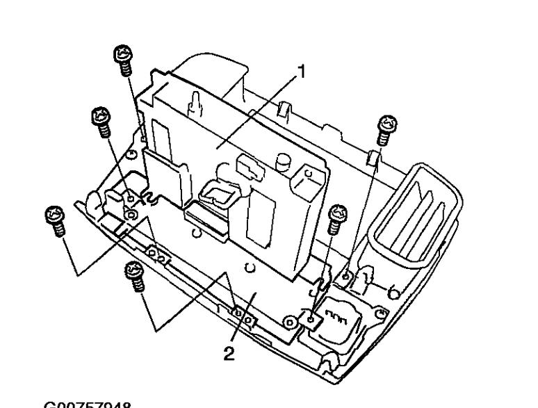
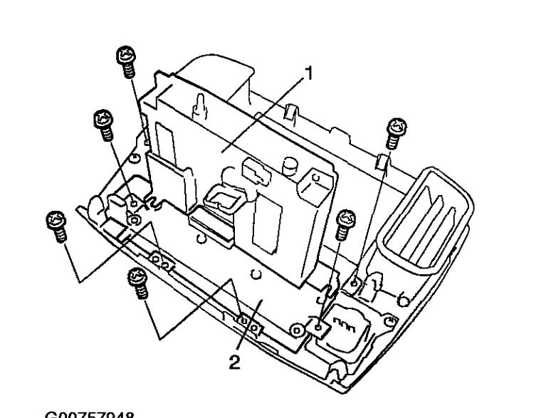
Remove center lower box (1).
Fig. 23: Removing Center Lower Box
Courtesy of SUZUKI OF AMERICA CORP.
Remove center garnish mounting screw (1) and then pull off center garnish.
Remove harness and controller cover (2).
Fig. 24: Removing Harness & Controller Cover
Courtesy of SUZUKI OF AMERICA CORP.
Disconnect BCM connectors and HVAC control module connector from each controller.
Remove center garnish (1) with BCM (2) and HVAC control module (3).
Fig. 25: Removing Center Garnish
Courtesy of SUZUKI OF AMERICA CORP.
Remove body control module (1), and then HVAC control module (2) as shown
Dec 14, 2013 at 1:09 PM
Avatar
GEMSTONE1US
  • MEMBER
  • 1 POST
where would we find the blower motor and the blower resistor/fan control module?
Jan 11, 2021 at 4:08 PM (Merged)
Advertisement
Avatar
RASMATAZ
  • AUTOMOTIVE REPAIR CONTRIBUTOR
  • 75,992 POSTS
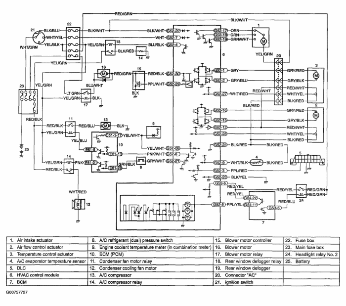
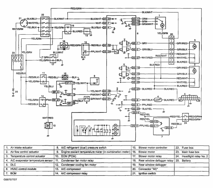
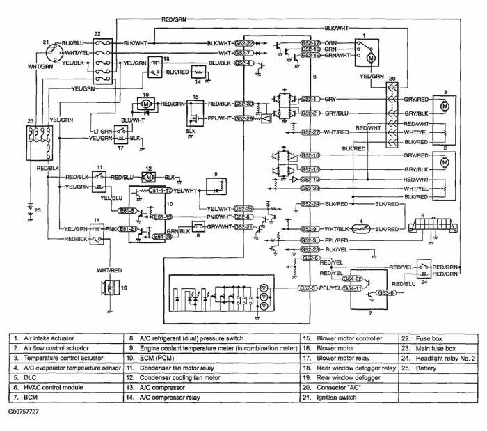
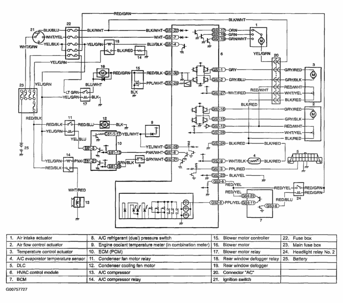
This guide can help you fix it with the location of the blower motor and resistor in the diagrams below.

https://www.2carpros.com/articles/blower-fan-motor-works-on-high-speed-only


Check out the diagrams (Below). Please let us know if you need anything else to get the problem fixed.
Jan 11, 2021 at 4:08 PM (Merged)