How to know if a solenoid is good?

Tiny
AUSTINO
  • MEMBER
  • 2003 JAGUAR S-TYPE
  • 3.0L
  • V6
  • 2WD
  • AUTOMATIC
  • 47,000 MILES
Good morning.

I removed the valve body from the car. Can you please tell me which color solenoid works with the torque converter?

Can you tell me how to test a solenoid to see if it is bad or good?
Thank you.
Saturday, December 7th, 2024 AT 7:56 AM

2 Replies

Tiny
KEN L
  • MASTER CERTIFIED MECHANIC
  • 55,469 POSTS
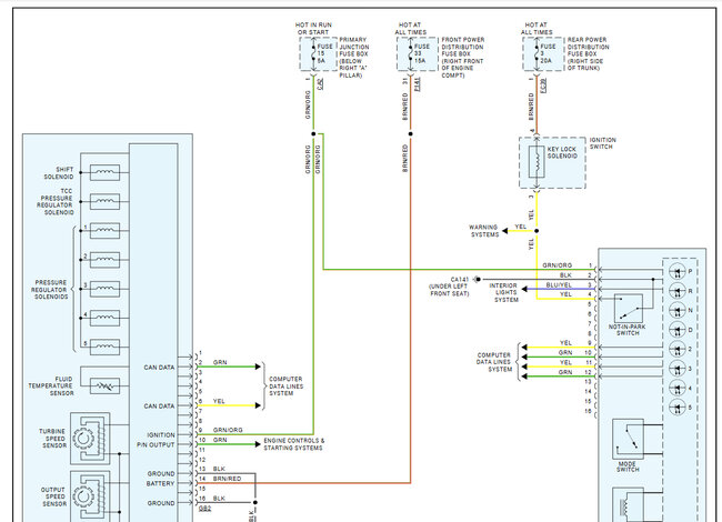
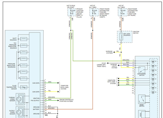
Sure, solenoids are easy to see if they are good, put 12 volts on one side and a ground on the other and you should hear a clicking sound which means it is working. The colors to the wiring for the TCC solenoid are hidden because it is part of the transmission control module. Here are the wiring diagrams so you can see what I am talking about. They seem to service the part as a unit. Check out the images (below). Please upload pictures or videos in your response of any problems so we can see what to help you with.
Was this
answer
helpful?
Yes
No
+1
Saturday, December 7th, 2024 AT 1:09 PM
Tiny
AUSTINO
  • MEMBER
  • 220 POSTS
Thank you, I will.
Was this
answer
helpful?
Yes
No
Monday, December 9th, 2024 AT 2:41 PM

Please login or register to post a reply.