I am trying to install a auxiliary switch

Tiny
HLE
  • MEMBER
  • 2013 FORD F-250
  • 20 MILES
How to install a Switch SW6760 to a F-250 2013? Is there a wiring diagram for connections to the SW6760 and the WPT-998?

F-250 which did not come factory installed and I need the wiring diagram for both the switch and the wiring pigtail kit that I purchased from the dealer. Can you provide me with this information and the installation steps?
Friday, October 4th, 2013 AT 7:58 AM

13 Replies

Tiny
JDL
  • MECHANIC
  • 16,098 POSTS
Is your vehicle still under warranty? If so, Did your dealership say whether or not this could effect your warranty? I'm a little thick between the ears, can you spell out what your trying to do? Which circuit? Actually, I'm a little thick between the ears most days.
Was this
answer
helpful?
Yes
No
Friday, October 4th, 2013 AT 9:02 AM
Tiny
HLE
  • MEMBER
  • 5 POSTS
Yes it is under warranty. I have a SW6760 which is located where the coin holder is in the truck. I thought it cane with the truck once I relieved the unit it did not come with it.
Was this
answer
helpful?
Yes
No
Friday, October 4th, 2013 AT 9:41 AM
Tiny
JDL
  • MECHANIC
  • 16,098 POSTS
I still don't understand what your trying to do? The switch is for what circuit? You seen to be avoiding some of my questions? If that is the case, I doubt I can help you, if it goes against the factory wiring set-up?
Was this
answer
helpful?
Yes
No
Friday, October 4th, 2013 AT 9:54 AM
Tiny
HLE
  • MEMBER
  • 5 POSTS
I am not trying to avoid your question and need your expertise. I will try to give you more detail. I am not sure what circuit this will affect but I believe that in reading some older models it is to be attached to the "blunt wires" that have Auxiliary power circuits. I have bought a SW6760 from my local Ford Dealer which is also known as "Upfitter Switches"; They are the cluster of 4 switch array the is usually used for adding Auxiliary items such as strobe lights, fog lights, spot lights, etc et era. They also had me purchase a WPT-998 which fits right in back of the SW6760. So at the moment I am trying to figure out how this will install into the wiring system on the truck. Please help.
Was this
answer
helpful?
Yes
No
Friday, October 4th, 2013 AT 10:06 AM
Tiny
JDL
  • MECHANIC
  • 16,098 POSTS
I'm sorry, I don't have wiring info for that. As of yet, I haven't found a picture for that switch or wiring info. I did look at a ford upfitter site for upfitter switch wiring, It showed a long upfitter wiring harness, besides the switch. We won't find that type wiring diagram in our database. That is an upfitter wiring diagram.

I'm not supposed to post wiring diagrams other than what comes from our database. As far as the Ford upfitter site, according to forum rules, I can't post a link to another site.

I just can't see your switch and everything from here?

I'll keep looking and talk to the site boss about what I found.
Was this
answer
helpful?
Yes
No
Saturday, October 5th, 2013 AT 11:01 AM
Tiny
JDL
  • MECHANIC
  • 16,098 POSTS
This came from a ford upfitter site. The blue part is the upfitter wiring harness. I don't know if it will help? More to come.
Was this
answer
helpful?
Yes
No
Sunday, October 6th, 2013 AT 9:50 AM
Tiny
JDL
  • MECHANIC
  • 16,098 POSTS
Upfitter switch pictures.
Was this
answer
helpful?
Yes
No
Sunday, October 6th, 2013 AT 9:55 AM
Tiny
JDL
  • MECHANIC
  • 16,098 POSTS
Installation procedure.
Make sure the key is not in the ignition switch during installation.
Remove the trim panel below the steering column by pulling up and out.
Remove the blank tray by reaching behind and pressing firmly up then out. It may be necessary to remove the panel below it to gain access.
Install the relay box on the driver side to the left side of the lower trim panel opening.
Route the wiring harness as shown and plug the middle connector on the upfitter harness into the 14401 harness at connector c215.
Attach the ground ring terminal to the IP frame fastener hole.
Connect the switches to the wiring harness connector and install the switches in the dash panel.
Connect harness fasteners.
Turn the ignition key to run position on the aux 1 switch, the LED for aux 1 switch should lite.
If everything lites, reinstall the trim panels.

Hope you find something in all this that helps.
Was this
answer
helpful?
Yes
No
Sunday, October 6th, 2013 AT 10:14 AM
Tiny
JDL
  • MECHANIC
  • 16,098 POSTS
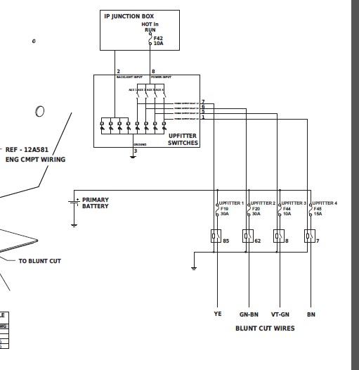
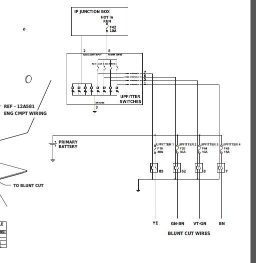
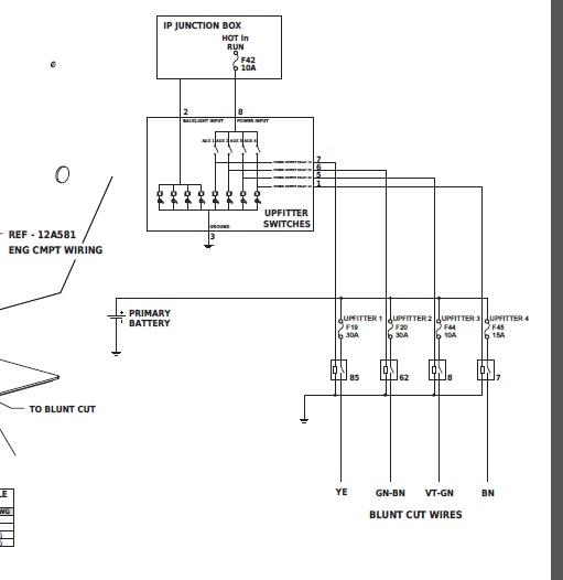
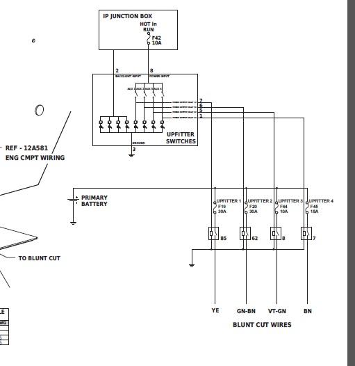
Here is an example of upfitter switch wiring. It's just an example.
Was this
answer
helpful?
Yes
No
Sunday, October 6th, 2013 AT 10:49 AM
Tiny
HLE
  • MEMBER
  • 5 POSTS
JPL thank you for the assistance it looks like I got now. By the looks of things I have to buy two other parts and one of them is the harness you have indicated. You are awesome.
Was this
answer
helpful?
Yes
No
Sunday, October 6th, 2013 AT 9:43 PM
Tiny
JDL
  • MECHANIC
  • 16,098 POSTS
Hey, don't get carried away. No offense, but, do you know what your doing? If not, you would be better off having a professional do the work.

I can't walk you through it without hands-on.
Was this
answer
helpful?
Yes
No
Monday, October 7th, 2013 AT 6:54 AM
Tiny
HLE
  • MEMBER
  • 5 POSTS
JDL, no offense taken I will look at the information before I attempt to do anything on the truck but more than likely I will be getting the local dealer or other similar professional to assist me in doing this the first time, that is in case I need to do this again.
Was this
answer
helpful?
Yes
No
Monday, October 7th, 2013 AT 8:08 AM
Tiny
JDL
  • MECHANIC
  • 16,098 POSTS
Hey, I wish you good luck with your project.
Was this
answer
helpful?
Yes
No
Monday, October 7th, 2013 AT 10:43 AM

Please login or register to post a reply.

Related General Content