How to install a push button start?

2016 CHEVROLET SUBURBAN
188,376 MILES • 6.0L • AUTOMATIC
Avatar
RICHIERICH1$
  • MEMBER
  • 1 POST
I was trying to resolve how to add a push start and button to my ignition cylinder because I can't get it to turn over and so I wanted to add a push button start to my system, but I don't know where to plug it in it or how does it plug in.
Oct 13, 2024 at 1:13 PM
Repair Safety Notice: This information is for general instructional purposes only. Vehicle repair can be dangerous. Verify all information, follow manufacturer service procedures, use proper tools and safety equipment, and consult a qualified repair shop when needed.
Advertisement
Avatar
STRAILER
  • AUTOMOTIVE REPAIR CONTRIBUTOR
  • 54,162 POSTS
It would be difficult to add a push button start to this start due to the security system. What kind of problem are you having does the truck not turn over? If so, please go over this video which can help us fix the problem:

https://www.youtube.com/watch?v=6YRW8fyNudY&t=35s

Please go over this guide and get back to us.
Oct 14, 2024 at 10:26 AM
Advertisement
Avatar
RICHIERICH1$
  • MEMBER
  • 1 POST
I want to thank you guys for even responding to my question. No one else would without trying to charge me for an answer and thanks for the video. in my case that we're I was no start no crank. I put a new starter, a new battery, a new power distribution box, and a new fuse panel board underneath the hood, and a new fuel pump. I was trying replace the ignition cylinder and I ended up losing all the barrel tumblers and that is why I am trying to install a push start on my truck. I'm disable and I'm running out of options. Thank you again. But what I wanted to see is it a way I can plug it into my factory push my factory remote start, but I can't find the modular for my remote start to install it or to connect it to. it Doesn't have everything I look up is always showing me a Silverado or Yukon or it's not showing me a 2016 Chevy suburban LS it's showing me everything but the car that I'm asking for I can't find my ignition switch hot wire nothing.
Oct 15, 2024 at 6:38 PM
Avatar
STRAILER
  • AUTOMOTIVE REPAIR CONTRIBUTOR
  • 54,162 POSTS
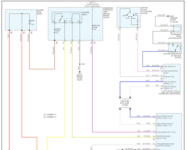
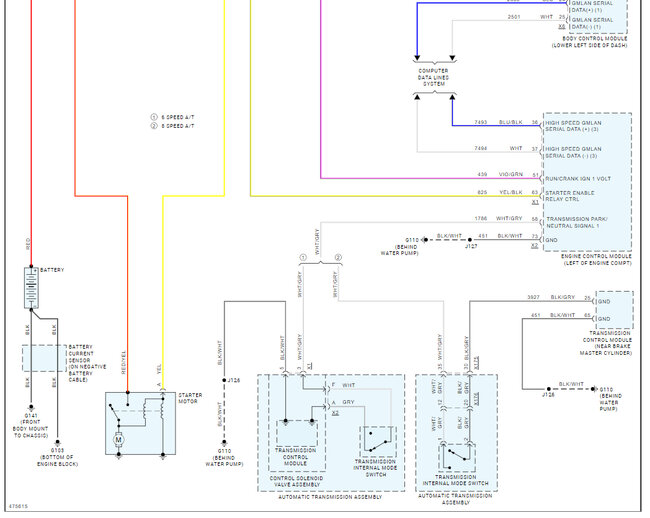
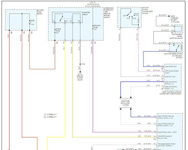
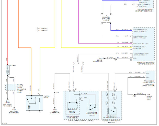
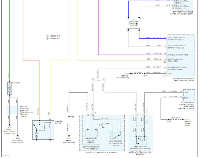
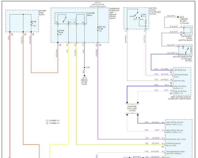
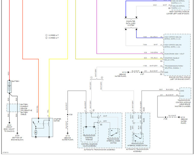
So, to be clear the engine is not cranking over, correct? Here is a guide that can help, and I have included the starter wiring diagrams so you can see how the system works.

https://www.2carpros.com/articles/starter-not-working-repair


Check out the images (below). Please let us know what happens.
Oct 16, 2024 at 10:36 AM