HOME
ASK A QUESTION
REPAIR GUIDES
BECOME A MEMBER
LOG IN
Login with Facebook
OR
Remember me
NOT A MEMBER?
FORGOT PASSWORD?
CONTACT US
PRIVACY POLICY
TERMS AND CONDITIONS
☰
Home
Buick
Park Avenue
Fuel System
Fuel Pump
How to get to the fuel pump?
JESSIE420B
MEMBER
1996 BUICK PARK AVENUE
3.8L
V6
2WD
AUTOMATIC
150,000 MILES
Can I go through the back seats or do I have to drop the tank?
Sunday, December 8th, 2024 AT 10:37 AM
1 Reply
KEN L
MASTER CERTIFIED MECHANIC
55,488 POSTS
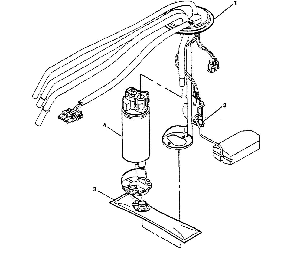
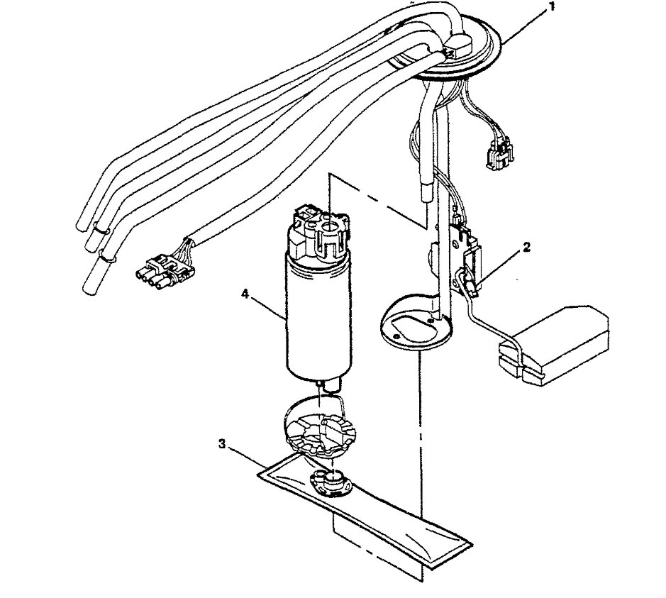
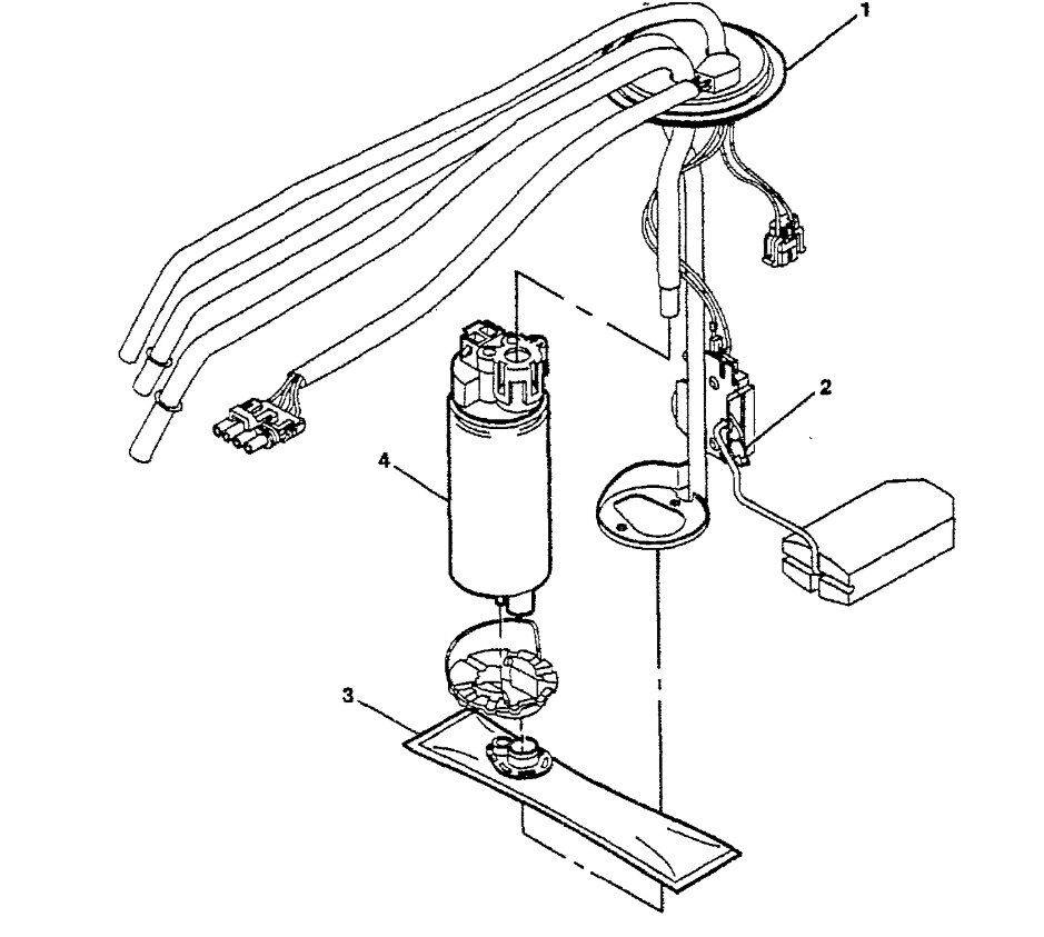
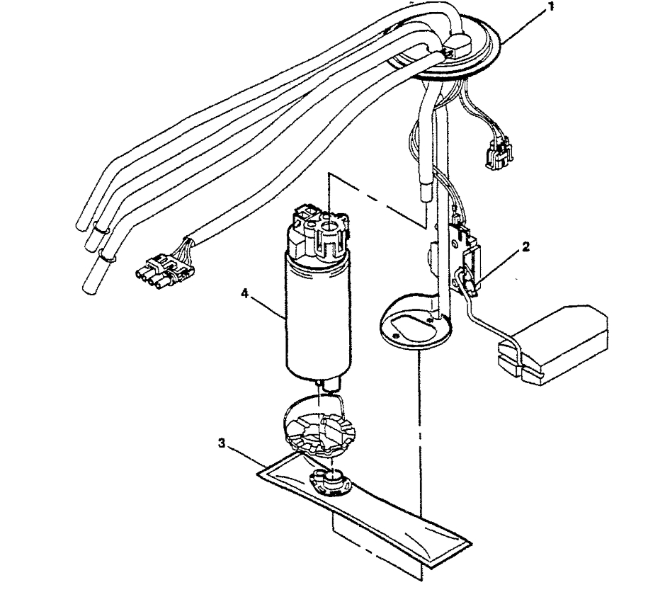
Yep, you need to drop the tank, I would drain the fuel out first.
This video can help you:
https://www.youtube.com/watch?v=Q5MH2gnyFH0&t
Check out the images (below). Let us know if you need anything else.
Images (Click to make bigger)
Was this
answer
helpful?
Yes
No
Sunday, December 8th, 2024 AT 10:43 AM
Please
login
or
register
to post a reply.
Related Fuel System Fuel Pump Content
1990 Buick Park Ave.
My Park Ave. Has 165,000 Mi. The Past 2 Times It Was Filled With Gas It Has Stalled While Driving. It Has Been A Pain To Restart. Could This...
Asked by
daddyofearl
·
1 ANSWER
1990
BUICK PARK AVENUE
VIDEO
Fuel Pump Replacement
Instructional repair video
GUIDE
Fuel Pump
Fuel Pump Features
1999 Buick Park Avenue What Is It!!!
I Have A Noise Coming Fron The Right Rear Of My Car That Sound Like A Cross Between A Vibration And A Humming I Have Put A New Fuel Pump In...
Asked by
Jared Fisk
·
1 ANSWER
1999
BUICK PARK AVENUE
Would The Low Voltage Of 13.56 Also Shut Fuel Pump...
Would The Low Voltage Of 13.56 Also Shut Fuel Pump Down When Using Windows And Seats?
Asked by
Anonymous
·
1 ANSWER
1 IMAGE
1994
BUICK PARK AVENUE
1996 Buick Park Avenue Gasoline Smell
Bad Gasoline Smell While Running. No Puddles. Car Hesitates While Accelerating Sometimes. Fuel Line Leak?
Asked by
ccxdon
·
1 ANSWER
1996
BUICK PARK AVENUE
1996 Buick Park Avenue Gas Smell
About A Month Ago, All Of The Sudden I Can Smell Gas When The Car Is Idling. This Was Never A Problem Before And I Can See Nothing Visible...
Asked by
JT Moore
·
1 ANSWER
1996
BUICK PARK AVENUE
VIEW MORE
Ask a Car Question. It's Free!
Fuel Pump Replacement Chevrolet Silverado
Fuel Pump Replacement BMW
Fuel Pump Replacement Done Right