Thursday, July 21st, 2022 AT 8:22 PM
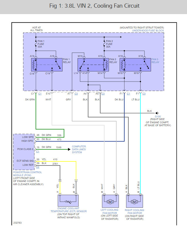
When driving my car in town or out on the highway either one you can see the temperature rise, but it never ran hot. It's never been in the red. It's never been to where I have to pull over, but I don't think my fans are working. I just put a new thermostat and a new water pump on as of today and like I said it's never run hot to where I've had to pull over because I wouldn't let it. Is there a way to check my fans to see if they're not see if they're working, I've checked the 30-amp fuse under the hood and it's not blown, but how can I check the motor itself is there a way I can straight wire it?
