How to change the solenoid wiring to the battery?

Tiny
SMITH86
  • MEMBER
  • 2003 HYUNDAI SANTA FE
  • 2.7L
  • V6
  • 2WD
  • AUTOMATIC
  • 130,000 MILES
My car won't crank or make any sound. I got a new battery, new starter, new fuses and ignition switch and still no start. But when I jump it from relay it turns over. I'm lost and need some advice.
Saturday, January 22nd, 2022 AT 1:25 AM

1 Reply

Tiny
KASEKENNY
  • MECHANIC
  • 18,907 POSTS
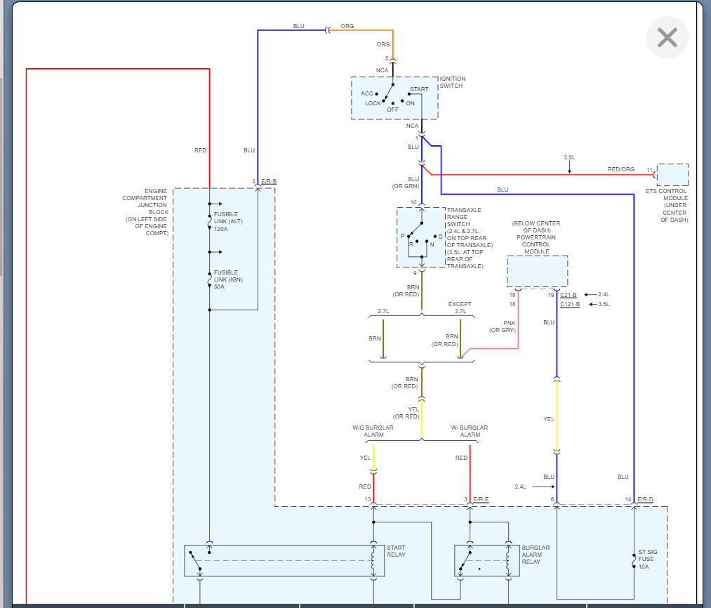
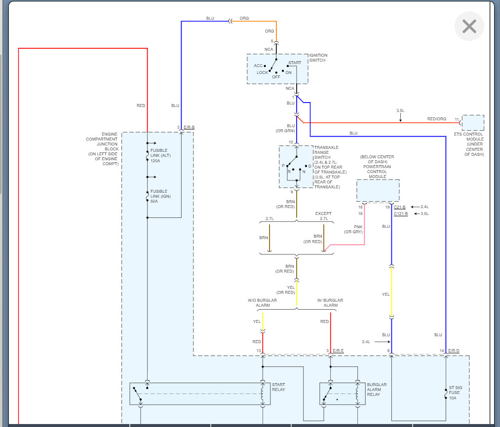
This is great work so far. I suspect we have an issue with the relay or the power to the relay.

So, let's start with the basics. Let's check the relay and here is a guide that will show how to do that:

https://www.2carpros.com/articles/how-to-check-an-electrical-relay-and-wiring-control-circuit

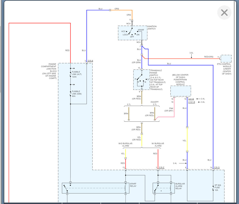
I suspect the relay will be fine so if it is then we need to check the power at the relay coming from the range switch.

Basically, this is what tells the starter that the vehicle is in park, or neutral and it is ok to start.

If it is in gear, then nothing will happen because the vehicle will lurch forward once it is started and that is dangerous.

So, if you have no power coming from the switch on the red wire shown in the diagram below, then I would replace the switch and retest.

Please see the wiring diagram below and let me know if you have questions on this.

Thanks
Was this
answer
helpful?
Yes
No
Saturday, January 22nd, 2022 AT 2:14 PM

Please login or register to post a reply.