Friday, December 16th, 2022 AT 5:12 PM
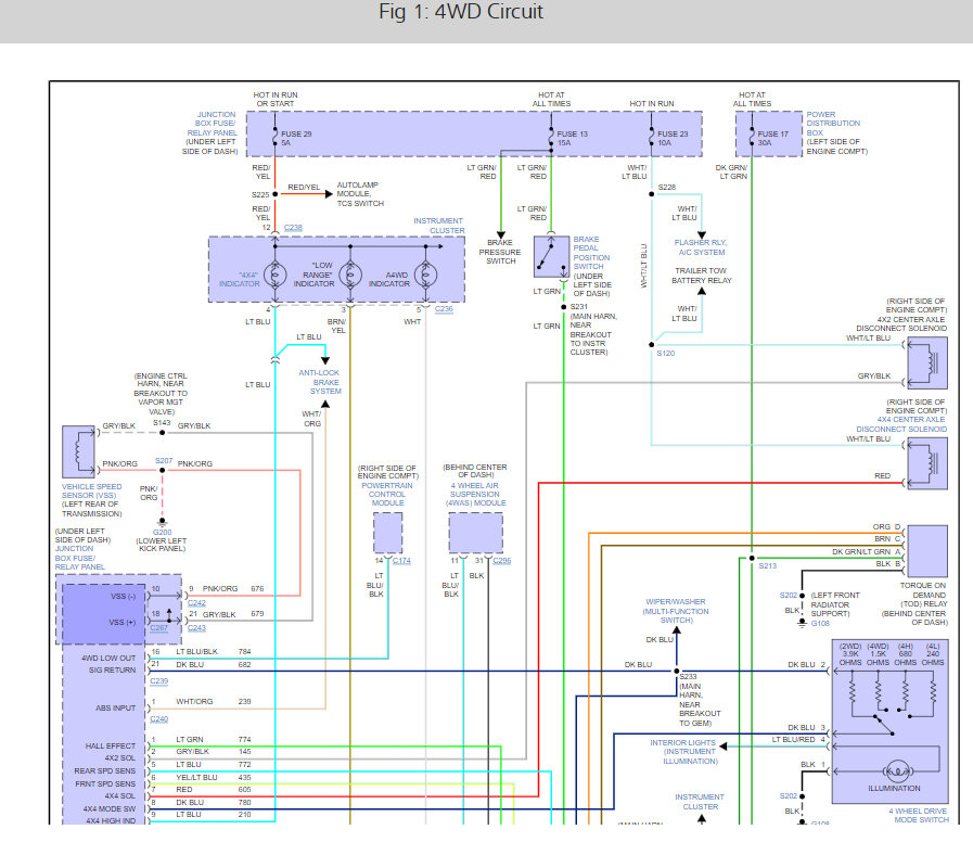
The dial in the instrument panel when I switch between all options whether it be 2L or 4H, or 4L nothing happens at the electrical motor, it’s stuck on 4x4 Low. I need assistance and want to get to the bottom of my concern.








