How would I hot wire or manually trigger parking brake module?

Tiny
JBURNETT186
  • MEMBER
  • 2011 BMW X5
  • V8
  • AUTOMATIC
  • 999,999 MILES
What wire needs 12v and GND to actuate the Parking Brake Control Module?

For reference I found this wiring diagram in thread from last year:

https://www.2carpros.com/images/question_images/449637/original.jpg

Thank you!
Tuesday, December 12th, 2023 AT 2:07 PM

7 Replies

Tiny
JACOBANDNICKOLAS
  • MECHANIC
  • 110,192 POSTS
Hi,

I would be happy to provide a wiring schematic for you, but this procedure should be done using a bidirectional scanner that can actuate the park brakes. My concern is if something becomes damaged.

Let me know.

Joe
Was this
answer
helpful?
Yes
No
Wednesday, December 13th, 2023 AT 7:46 PM
Tiny
JBURNETT186
  • MEMBER
  • 4 POSTS
Thank you, any wiring schematic would be helpful.

I am trying to retrofit this actuator into a classic car not concerned about damage and don’t have supporting car to actuate with scanner.

If I break it somehow, no worries, I’ll go another direction.

Thanks again.
Was this
answer
helpful?
Yes
No
Wednesday, December 13th, 2023 AT 7:56 PM
Tiny
JACOBANDNICKOLAS
  • MECHANIC
  • 110,192 POSTS
Hi,

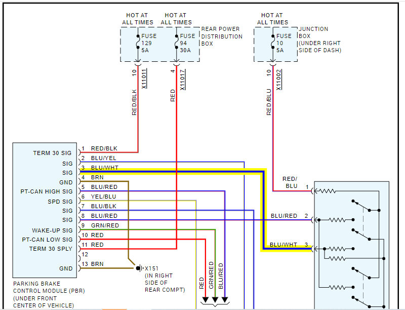
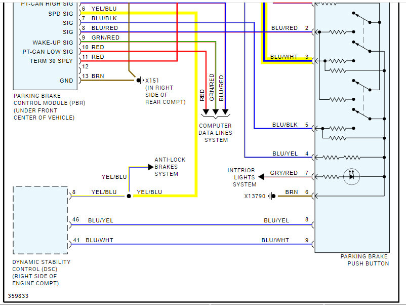
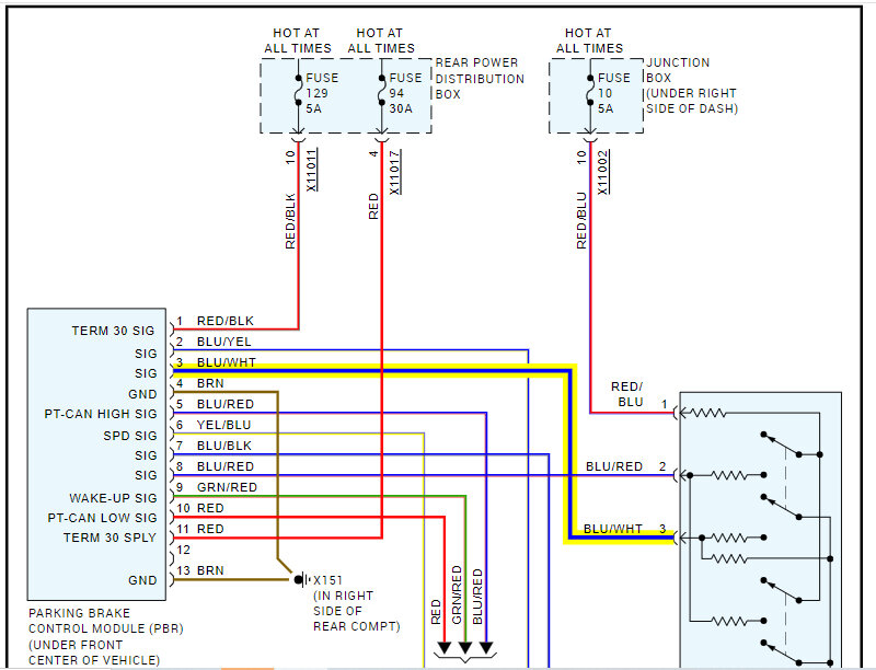
I attached what I have below. Pics two and three are non-OEM and more readable. LOL The remaining is what the manufacturer feels is what we need. Note that I cut the non-OEM pics in half to make it more readable for you. I did overlap them so you can follow from one to the next.

Let me know if this helps.

Joe

See pics below.
Was this
answer
helpful?
Yes
No
Wednesday, December 13th, 2023 AT 8:20 PM
Tiny
JBURNETT186
  • MEMBER
  • 4 POSTS
Help much appreciated!
Was this
answer
helpful?
Yes
No
Wednesday, December 13th, 2023 AT 8:40 PM
Tiny
JACOBANDNICKOLAS
  • MECHANIC
  • 110,192 POSTS
Hi,

I'm glad to hear it helped. Take care of yourself and feel free to come back anytime in the future.

Joe
Was this
answer
helpful?
Yes
No
Thursday, December 14th, 2023 AT 8:08 PM
Tiny
JBURNETT186
  • MEMBER
  • 4 POSTS
Thanks again Joe. Any idea what AMP draw the motor in this actuator is?
Was this
answer
helpful?
Yes
No
Tuesday, December 19th, 2023 AT 9:39 AM
Tiny
JACOBANDNICKOLAS
  • MECHANIC
  • 110,192 POSTS
Hi,

That should be a 12v signal (B+). If you apply 12v and it seems to run extremely fast, cut the power and drop it to 5v. However, if I recall, it is 12v.

Let me know how things work out for you.

Take care,

Joe
Was this
answer
helpful?
Yes
No
Tuesday, December 19th, 2023 AT 9:02 PM

Please login or register to post a reply.