How do you fix the horn on the steering wheel?

Tiny
DUSTY03
  • MEMBER
  • 1998 BUICK PARK AVENUE
  • 6.6L
  • 6 CYL
  • 2WD
  • AUTOMATIC
  • 99,999 MILES
How do you fix the horn on the steering wheel?
Thursday, September 22nd, 2022 AT 11:25 AM

1 Reply

Tiny
KEN L
  • MASTER CERTIFIED MECHANIC
  • 55,488 POSTS
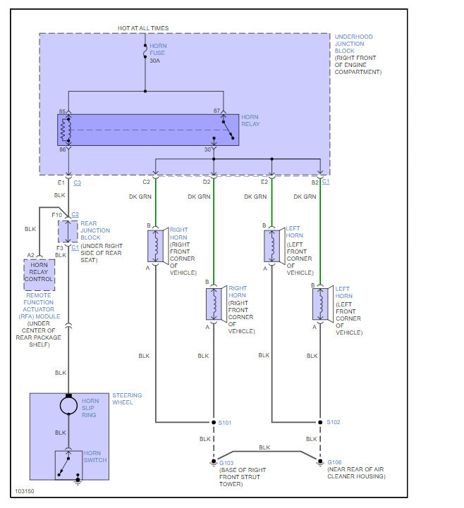
Chances are it is a fuse or the horn control relay but to be sure here is a wiring diagram for the horn so you can see how it works and where to check for power loss. I have also included a guide to show you how to check for power.

https://www.2carpros.com/articles/how-to-use-a-test-light-circuit-tester

In the under-hood fuse panel check the 30-amp horn fuse. If that's okay swap out the horn control relay which is in the same fuse panel. Check out the images (below). Please let us know what you find.
Was this
answer
helpful?
Yes
No
Friday, September 23rd, 2022 AT 9:57 AM

Please login or register to post a reply.