Hooking up amp radio wiring diagram needed?

Tiny
JESSELEELARRY9031
  • MEMBER
  • 2021 VOLKSWAGEN JETTA
  • 1.4L
  • 4 CYL
  • TURBO
  • 4WD
  • MANUAL
  • 23,134 MILES
I'm trying to hook up an input line converter and a remote wire. What wires am I hooking them up to behind the dash?
Saturday, August 26th, 2023 AT 8:49 AM

1 Reply

Tiny
KEN L
  • MASTER CERTIFIED MECHANIC
  • 55,481 POSTS
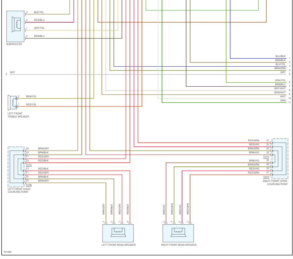
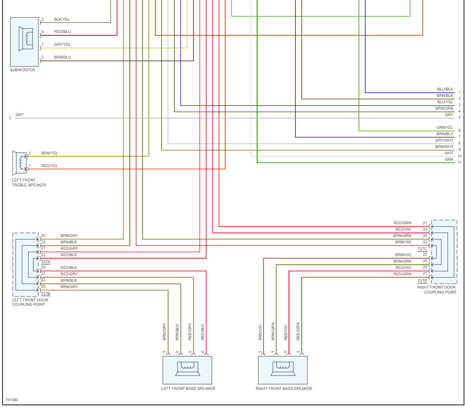
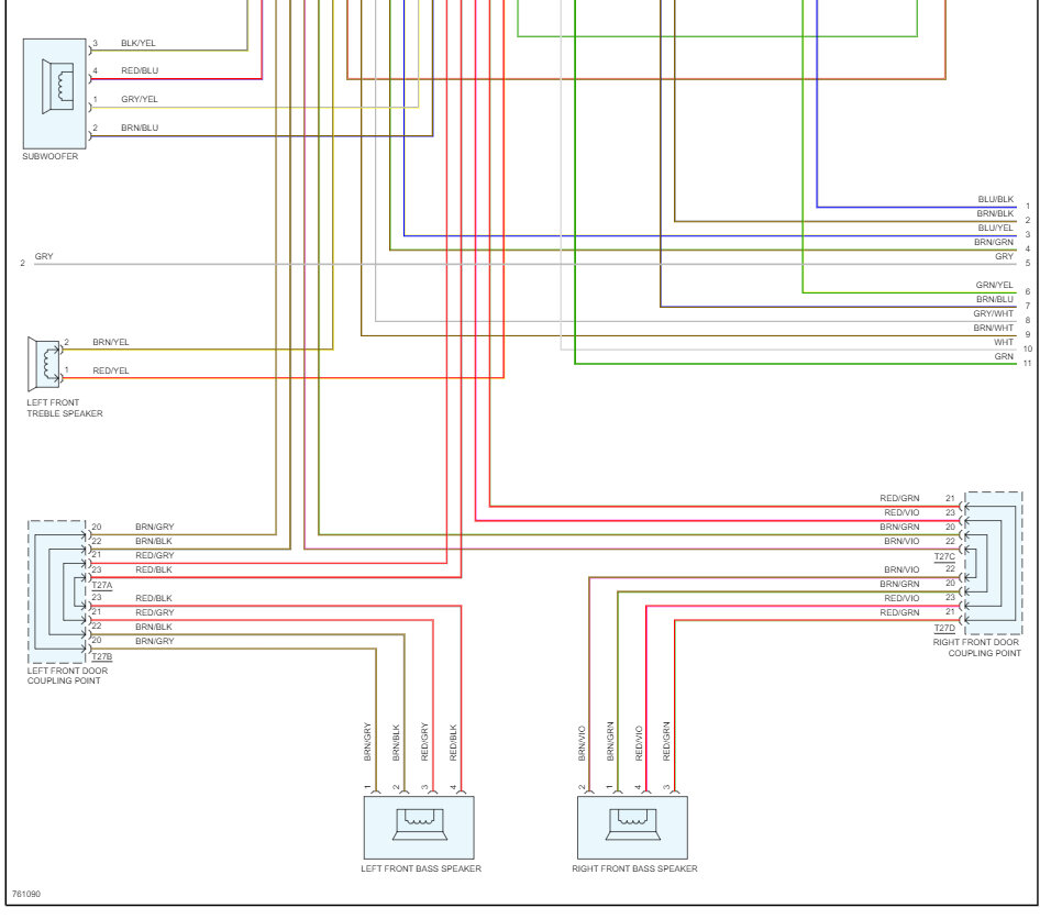
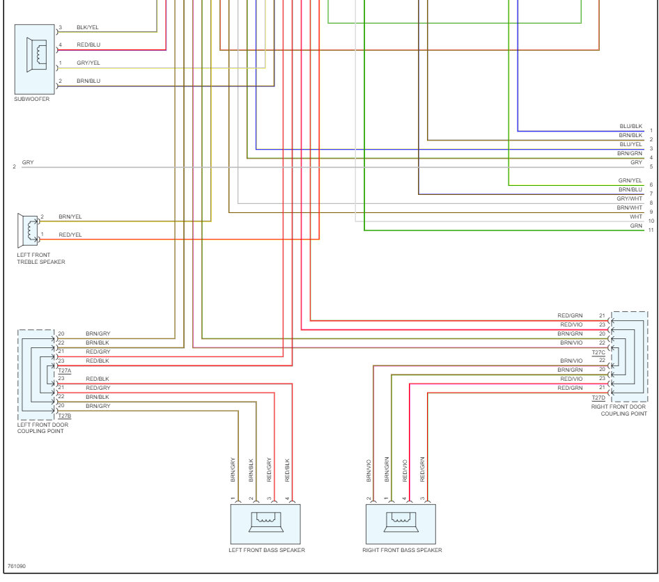
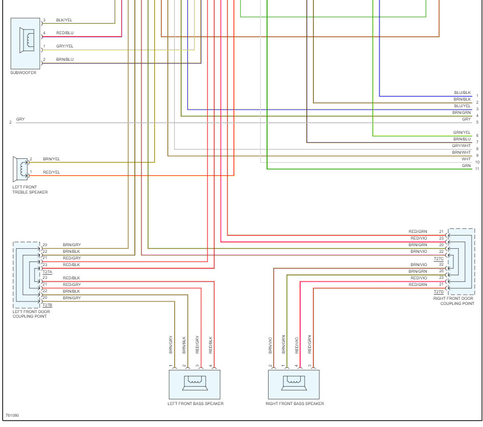
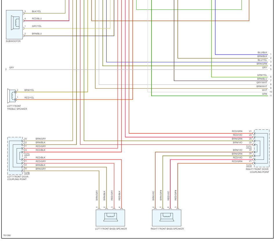
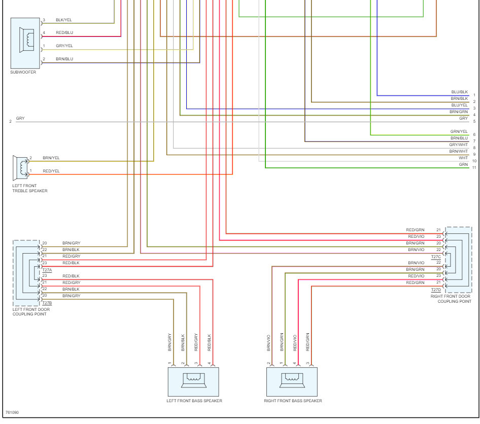
You must connect the wire according to the amp instructions, here are the radio wiring diagrams so you can see how the system works and which wires that need to be connected. Check out the images (below). Please let us know if you need anything else to get the problem fixed.
Was this
answer
helpful?
Yes
No
Saturday, August 26th, 2023 AT 7:24 PM

Please login or register to post a reply.