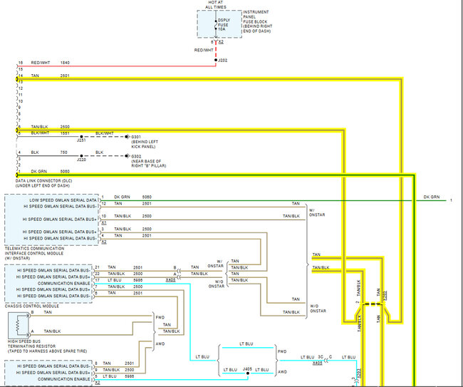
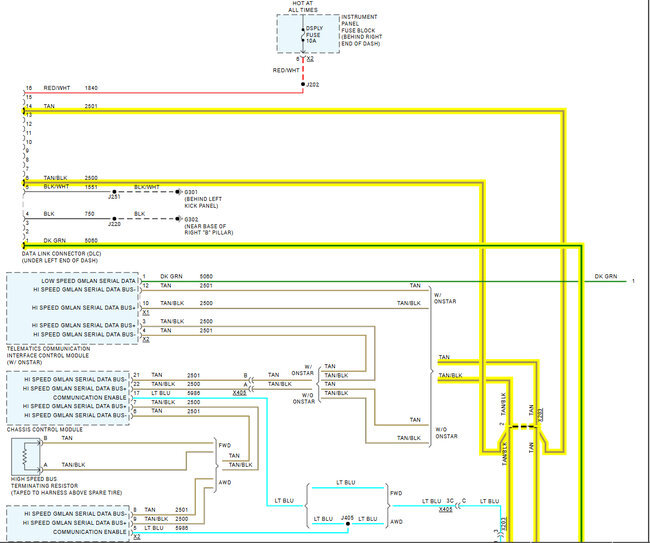
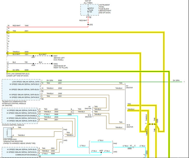
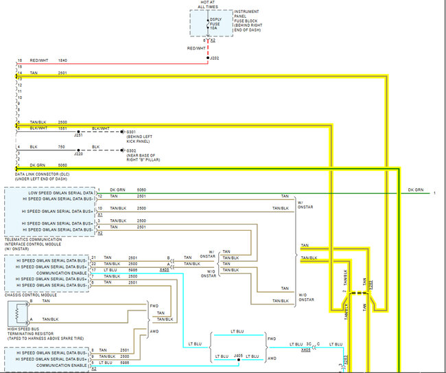
I have the passenger console side open to just push it when I need to move the vehicle. I have no way of checking can network. My scan tool was stolen by my neighbors. I’m broke and need the car to work. It’s been 107 here where I live, and I’m way stressed out over this. All fuses and relays are good so far as I know. Checked all under hood. Under dash inside passenger compartment is a nightmare to access. I’m about to cut access in for myself. My hands are wrecked from trying to get in there. Tried to remove dash there and it’s not happening. It’s been 10 years since a vehicle skunked me and especially pertaining to something electrical.
Sunday, June 23rd, 2024 AT 5:11 AM














