Last fall (2008), at 122,000 miles, I detected a slight stumble - like the engine was misfiring for a split second. It happened rarely, and only at 40-43 mph under very light acceleration. I checked the plugs and found black residue, instead of the normal light gray/brown. The plugs were new with only 12,000 miles on them.
I replaced them, but the problem remained - the same occasional hesitation, within a very narrow speed range, only under the slightest acceleration, and black plugs. I checked around on the internet and found many articles describing the symptoms. Most of them said the problem was most likely in the EGR system.
I took the car to the local Honda dealer. The mechanic drove the car and verifed the problem. They diagnosed the problem as a dirty or faulty EGR valve/system. The repair estimate was over $400 for an EGR "kit", consisting of a new valve and cleaning the system. That seemed like an awful lot of money, since I already knew that replacement valves were $130-150. Even if Honda charged $250 for the valve, that left about two hours labor. I asked what exactly they cleaned and got a vague "all the lines and tubes".
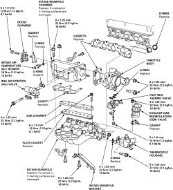
All my research points to a problem with the EGR system, notably carbon buildup and clogging in many makes and model cars. I found numerous Honda articles, advice columns, service bulletins, extended warranties, etc. I have step-by-step pictures of cleaning procedures for some 4 cyl Accords and V6 engines, including the "pipe kit" replacement for the 1999 Odyssey V6. But I can't find anything for the 1998 Odyssey 4-cyl engine. My intake manifold seems to have but one EGR vacuum port, and no other "lines and tubes".
Following common advice for other engines, I removed and cleaned the EGR valve with carburetor cleaner. I blocked off the exhaust side port to the valve, started the engine, and sprayed carburetor/throttle body cleaner into the vacuum side EGR port and throttle body. It didn't help.
Then I installed a new EGR valve, but the symptoms remain and are getting worse. Now the stumble can happen 38-45 mph, and it's harsher. Last fall, the hesitation would randomly appear, then disappear in a fraction of a second or with any change in throttle position - up or down. Now it occurs routinely and can last a second or two.
I've read the EGR system description and troubleshooting in the service manual. I don't know if the Honda mechanic did any PCM diagnostics. The service rep did not mention any P0401 or P1491 error codes, and the "check engine" light (which does work) has never come on.
1. What precisely is the problem? What am I missing? What exactly needs to be done?
2. The factory service manual says the EGR valve is controlled by the PCM (computer), which gathers data from from he many sensors. Is it possible that one of the sensors needs replacing? Maybe just an O2, TP, or MAP sensor?
Although I'm not a mechanic, I do my own maintenance, brakes, valve adjustments, plug changes, etc. The car has never been "tuned up" per se. I still get the same mileage as the day I bought it: 29/30 mpg in city and mixed driving, dropping to about 27-28 on Interstate trips, cruising at 75 mph. I'm convinced there's one specific thing that's causing the problem, and a $400 shotgun "kit" solution really isn't necessary.
Tuesday, October 20th, 2009 AT 9:39 AM







