I have the bulb.
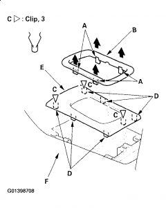
I need step by step to remove the console plastic parts to replace this bulb. Honda does not sell a repair manual.
And they are asking 1.5 hours labor to replace the bulb. Can you help me?
Thanks,
Ken March
Cell 561-389-4713
Thursday, March 12th, 2009 AT 8:15 PM

