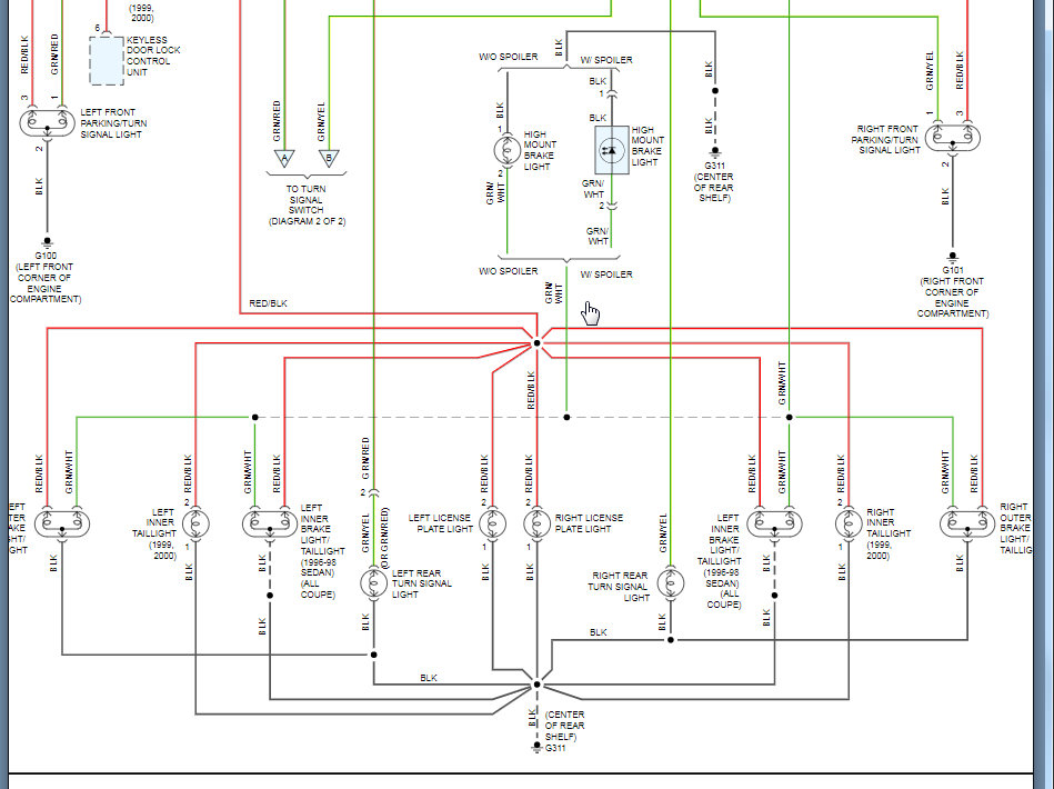
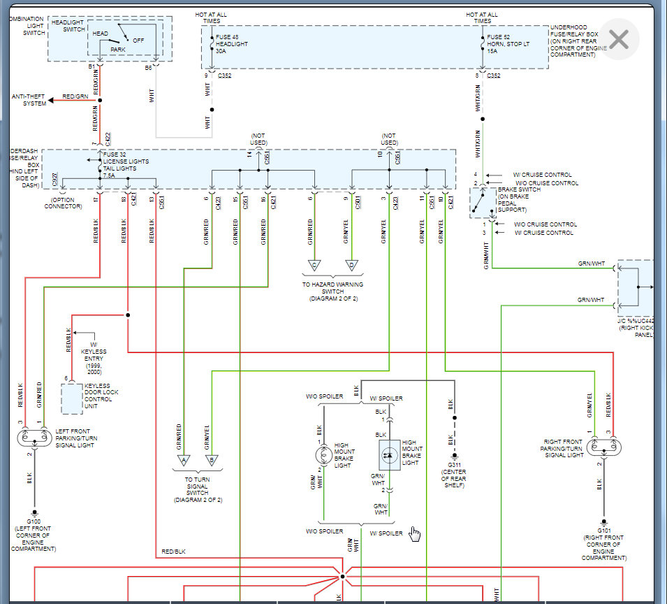
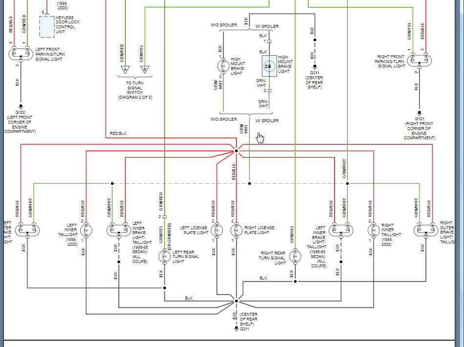
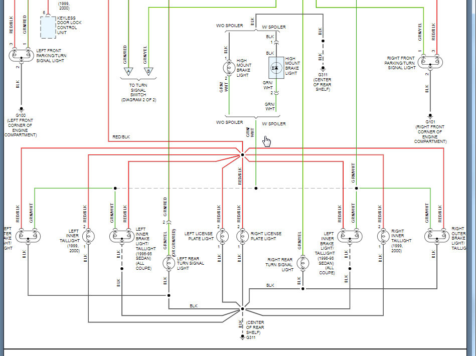
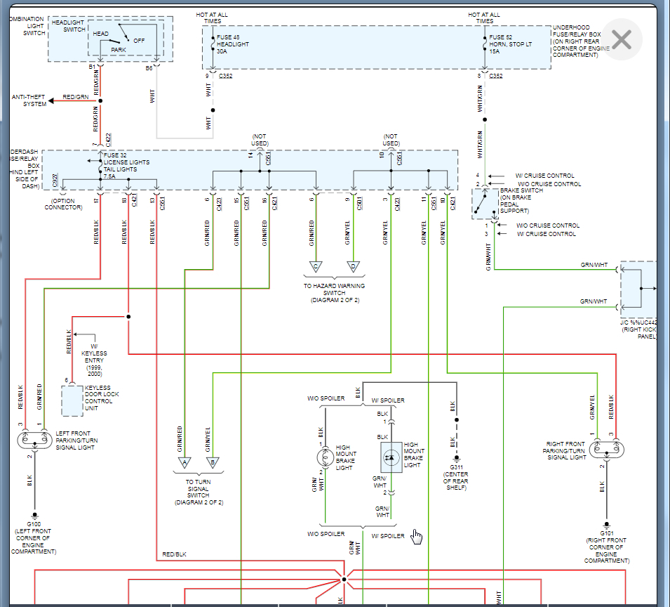
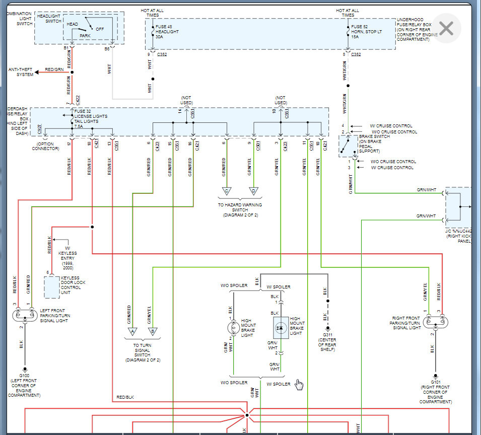
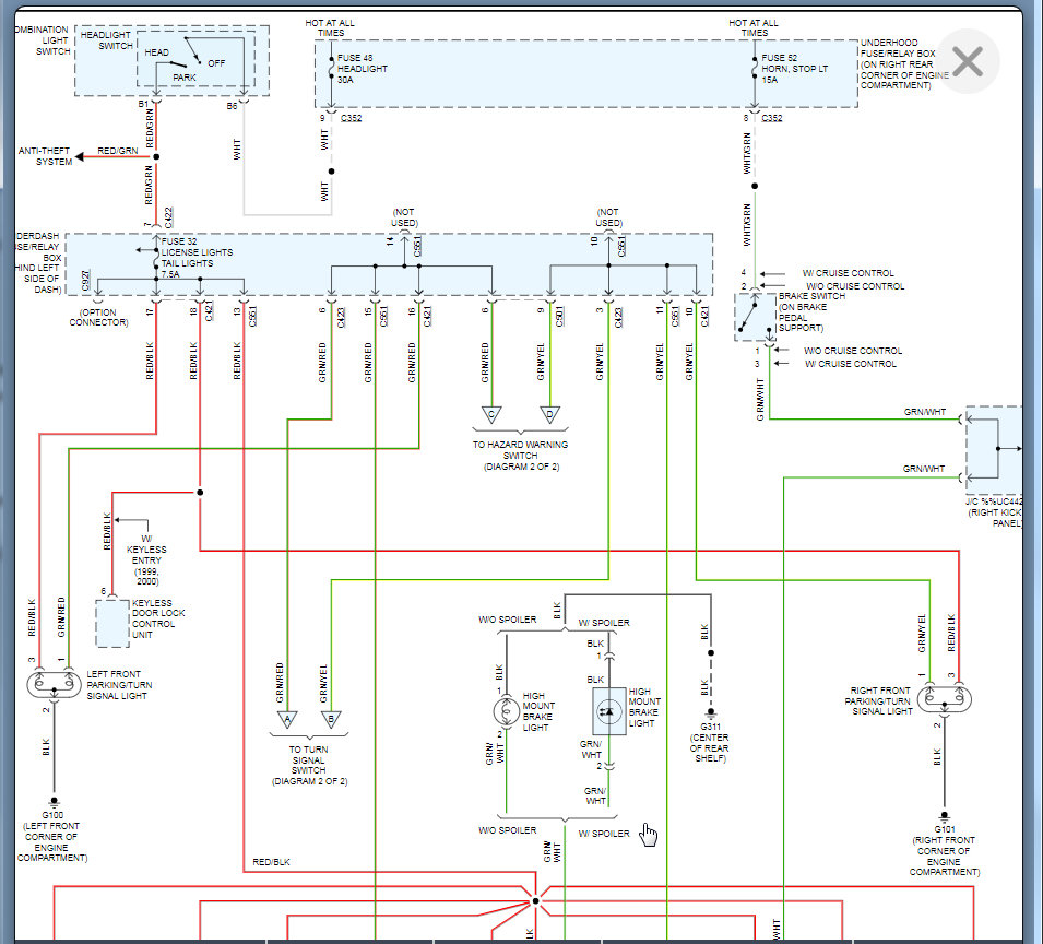
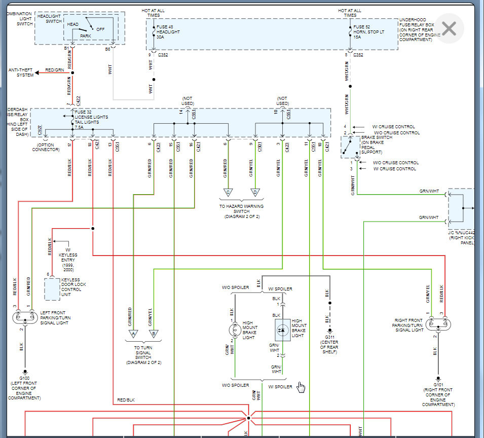
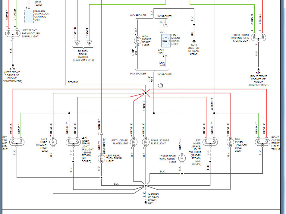
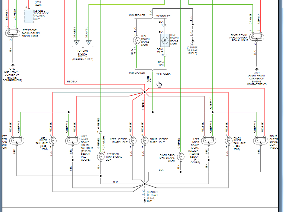
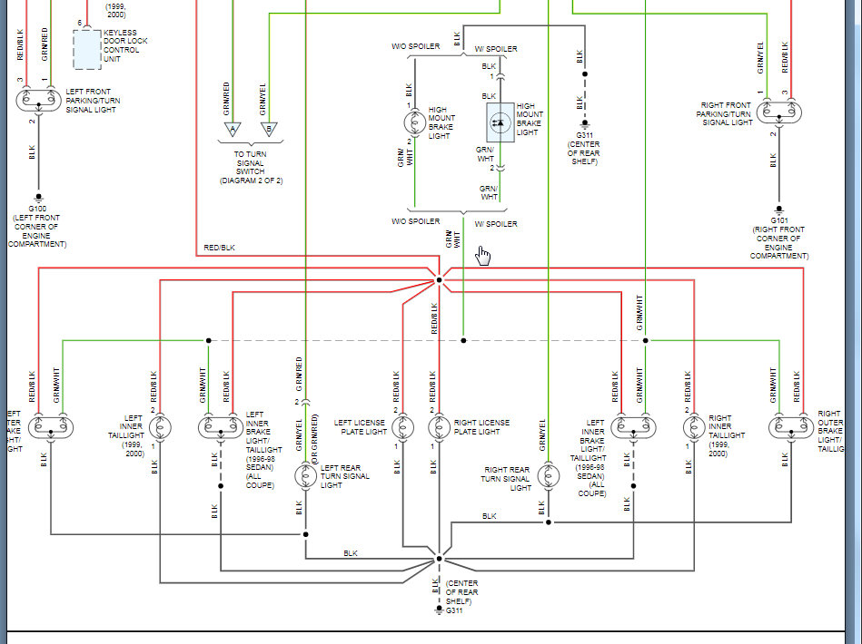
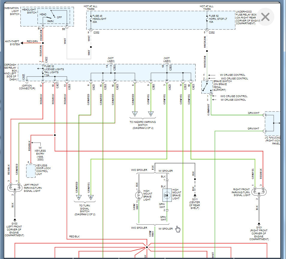
i am using Honda Civic 1998 model year car (back trunk , VTI engine) , i noticed clarity of vision is not good when i drive. i decided to change all light's, headlight halogen bulb with LED light. please guide me what's socket i choose? i am in doubt.
please also guide me parking light, brake lights, license plate light and dashboard light all me can replace with LED lights? and what's code or number?? waiting your answer
please also guide me parking light, brake lights, license plate light and dashboard light all me can replace with LED lights? and what's code or number?? waiting your answer
May 12, 2021 at 3:05 AM


