NOTE:
On some models of the Civic and Del Sol you may have to remove the air conditioning evaporator to allow access to the blower motor. Removal of the air conditioner evaporator requires the A/C system to be discharged. The legal ramifications of discharging A/C systems without the proper EPA certification, experience, and equipment dictate that the A/C components on your vehicle should be serviced only by a Motor Vehicle Air Conditioning (MVAC) trained, and EPA certified automotive technician using approved equipment.
The front blower motor is located in the front passenger's right side foot well area.

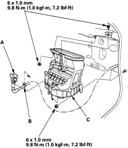
Detach the connectors from the blower motor (A), the resistors (B), and remove the fasteners from the blower unit (C)

REMOVAL/INSTALLATION:
Remove the negative battery cable.
Remove the dashboard.
If the vehicle is equipped with air conditioning, remove the evaporator.
Remove the self tapping screws, nut and bolts, and then the heating duct.
Detach the electrical connectors from the blower motor.
Remove the fasteners on the blower motor mounting flange.
Remove the blower motor downward from the blower unit.
Installation is the reverse of the removal procedure.
Check for air leaks.
Saturday, November 22nd, 2008 AT 9:36 AM