Saturday, February 6th, 2010 AT 10:49 AM
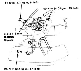
Last week the steering of the car all of a sudden became really hard and I ask a couple of my buds at work and they said it maybe the steering fluid so I been looking for it but it turns out that I can't find the reservoir if anyone could help me it would be greatly appriciated



