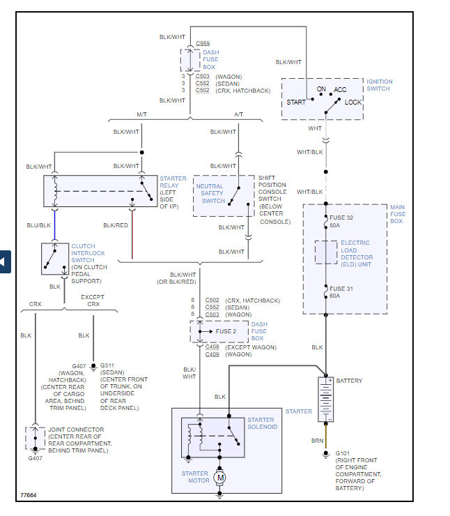
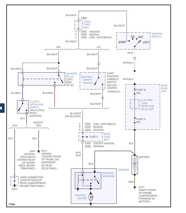
Battery Wiring Diagram

Tiny
TJMORDIS
  • MEMBER
  • 1991 HONDA CIVIC
  • 4 CYL
  • 2WD
  • MANUAL
  • 175,000 MILES
We have bought a 91 civic, unknowingly ripped off an "extra fuse hookup" attached to the wire and threw it out, to replace the battery with a new one. Now we cannot get a fire, without that "extra" fuse hook-up I guess? I don't have a diagram, can you copy and attach one for me?
I am needing to know where to put the fuse box wiring. (Directly to the positive? To the sylenoid?)
I have tried what seems everything, and fail everytime. HELP!
Monday, August 18th, 2008 AT 11:57 AM

4 Replies

Tiny
KHLOW2008
  • MECHANIC
  • 41,814 POSTS
Hi tjmordis,

Here is the main battery and fuse panel wiring diagrams. Check out the diagrams (Below). Please let us know if you need anything else to get the problem fixed.
Was this
answer
helpful?
Yes
No
+8
Tuesday, August 19th, 2008 AT 10:49 AM
Tiny
TJMORDIS
  • MEMBER
  • 4 POSTS
Thank you for the diagram, I hope it will help.
Does the small relay fuse attached to the wire coming from the Main fuse box have to be put back, though?
I don't see that on my diagram.
Was this
answer
helpful?
Yes
No
Tuesday, August 19th, 2008 AT 1:27 PM
Tiny
KHLOW2008
  • MECHANIC
  • 41,814 POSTS
Hi tjmordis,

I do not understand which fuse you are refering to. If it is an extrnal fuse that is installed for additional accesories, then you need to check if the component using it is still installed.
Was this
answer
helpful?
Yes
No
-1
Tuesday, August 19th, 2008 AT 7:16 PM
Tiny
TJMORDIS
  • MEMBER
  • 4 POSTS
I am sorry for the confusion, I am also puzzled.
I used the diagram for installing yesterday, but the
car tries to start just by putting the positive on.
I gave up, thinking there must be a short somewhere. Thanks for your help.
Was this
answer
helpful?
Yes
No
Wednesday, August 20th, 2008 AT 8:09 AM

Please login or register to post a reply.