Speedometer and Odometer not working

Tiny
I_LOVE_LAMP
  • MEMBER
  • HONDA ACCORD
I have a 1995 Honda Accord LX 2.2L with 152,000 miles I have a had a problem with my speedometer and odometer not working. Sometimes they both work but most of the time my speedometer reads 20 MPH with the car started and my odometer doesn't move. What could be the issue?

Thanks,
Corey
Wednesday, July 25th, 2007 AT 7:56 AM

17 Replies

Tiny
2CARPRO JACK
  • MECHANIC
  • 11,533 POSTS
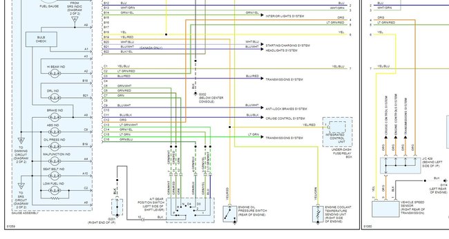
Sounds like it could be a problem with the VSS (Vehicle Speed Sensor). Does the transmission shift correctly? If so the VSS is most likely good and you are looking at an issue in the instrument cluster

See the attached wiring diagram- The VSS goes straight to the cluster for speedometer/odometer
Was this
answer
helpful?
Yes
No
+3
Wednesday, July 25th, 2007 AT 12:13 PM
Tiny
CARRIE1203
  • MEMBER
  • 1 POST
  • HONDA ACCORD
How do you repair an odometer on a 97 Honda Accord? The tripometer is also not working, however, the speedometer IS working.

Any help would be appreciated. Thanks!
Was this
answer
helpful?
Yes
No
+1
Thursday, February 7th, 2019 AT 7:11 PM (Merged)
Tiny
BRUCE HUNT
  • MECHANIC
  • 3,754 POSTS
They are a unit and it appears that part of the unit has failed. I would replace the speedometer.
Was this
answer
helpful?
Yes
No
+1
Thursday, February 7th, 2019 AT 7:11 PM (Merged)
Tiny
KEVINH1020
  • MEMBER
  • 8 POSTS
  • 1994 HONDA ACCORD
  • 4 CYL
  • FWD
  • AUTOMATIC
  • 190,875 MILES
My 94 Honda Accord speedometer and odometer not working. The speedometer dropped to ZERO and odometer stopped register milage when I was driving. Then the light on D4 was blinking and Checking Engine light also came on. Can you tell me what's wrong with my car? Thanks.
Was this
answer
helpful?
Yes
No
+3
Thursday, February 7th, 2019 AT 7:11 PM (Merged)
Tiny
BOARDERBW
  • MEMBER
  • 19 POSTS
Im not sure if your car has a speedo cable but if it does then its broken. If your car doesnt has a speedo cable then that means your speed sensor is bad
Was this
answer
helpful?
Yes
No
-3
Thursday, February 7th, 2019 AT 7:11 PM (Merged)
Tiny
KEVINH1020
  • MEMBER
  • 8 POSTS
Can you tell me where does the speed sensor locate on my 94 Honda Accord EX AT? Thanks
Was this
answer
helpful?
Yes
No
Thursday, February 7th, 2019 AT 7:11 PM (Merged)
Tiny
BOARDERBW
  • MEMBER
  • 19 POSTS
Um im not quite sure but it should be on the back end of the transmission.
Was this
answer
helpful?
Yes
No
-1
Thursday, February 7th, 2019 AT 7:11 PM (Merged)
Tiny
MAK1010
  • MEMBER
  • 1 POST
  • 1994 HONDA ACCORD
  • 4 CYL
  • FWD
  • AUTOMATIC
  • 11,300 MILES
The odometer and trip odometer have stopped working on my 1994 Accord. The speedometer and Tach are fine, just the odometer(s).

What could be the problem and how is it fixed?
Was this
answer
helpful?
Yes
No
+1
Thursday, February 7th, 2019 AT 7:11 PM (Merged)
Tiny
KHLOW2008
  • MECHANIC
  • 41,814 POSTS
Hi mak1010,

Try pushing the trip meter button a few times to see if the odometer starts working again.

As speedometer is working, it is not a bad vehicle speed sensor. The problem lies in the meter cluster, it could be a bad motor for running the odometer and trip meter.

It could also be a bad printed circuit in the meter cluster.
Was this
answer
helpful?
Yes
No
+2
Thursday, February 7th, 2019 AT 7:11 PM (Merged)
Tiny
GGAUSE
  • MEMBER
  • 1 POST
  • 1996 HONDA ACCORD
Interior problem
1996 Honda Accord 6 cyl Two Wheel Drive Automatic

speedometer do not work alltime
Was this
answer
helpful?
Yes
No
-1
Thursday, February 7th, 2019 AT 7:11 PM (Merged)
Tiny
KHLOW2008
  • MECHANIC
  • 41,814 POSTS
Hi ggause,

If there is any CEL, get it scanned to find out the error code. I suspect the speed sensor to be faulty ccausing the speedometer not to work.
Was this
answer
helpful?
Yes
No
+1
Thursday, February 7th, 2019 AT 7:11 PM (Merged)
Tiny
DCOMER
  • MEMBER
  • 1 POST
  • 1995 HONDA ACCORD
Transmission problem
1995 Honda Accord 4 cyl Automatic

We have a 1995 Honda accord, a mechanic had replaced the seals in the transmission. Now the odometer and speedometer are not working. We were told that this could be some type of sensor. Not sure what the problem is.
Was this
answer
helpful?
Yes
No
Thursday, February 7th, 2019 AT 7:11 PM (Merged)
Tiny
KHLOW2008
  • MECHANIC
  • 41,814 POSTS
Hi dcomer,

Check the speed sensor for unplugged wire connectors. (Located below thermostst housing)
Was this
answer
helpful?
Yes
No
Thursday, February 7th, 2019 AT 7:11 PM (Merged)
Tiny
MCRUZ
  • MEMBER
  • 1 POST
  • 1997 HONDA ACCORD
  • 4 CYL
  • FWD
  • AUTOMATIC
  • 141,000 MILES
Hi
My car has a faulty odometer and the speed guage. They work from time to time and I really dont know what I could be. I could be driving in the highway and it might not work all of a sudden its working fine but then again the next day it might just stop working.
Was this
answer
helpful?
Yes
No
Thursday, February 7th, 2019 AT 7:11 PM (Merged)
Tiny
RASMATAZ
  • MECHANIC
  • 75,992 POSTS
Inspect and test the vehicle speed sensor-
Was this
answer
helpful?
Yes
No
Thursday, February 7th, 2019 AT 7:11 PM (Merged)
Tiny
BHNTR
  • MEMBER
  • 2 POSTS
  • 1993 HONDA ACCORD
  • 4 CYL
  • 2WD
  • MANUAL
  • 135,000 MILES
My speedometer/odometer on my '93 Honda Accord does not work 90% of the time. If it is the speed sensor, where is it located exactly?
Was this
answer
helpful?
Yes
No
Thursday, February 7th, 2019 AT 7:11 PM (Merged)
Tiny
KHLOW2008
  • MECHANIC
  • 41,814 POSTS
VSs is locate on top of transaxle, just below the thermostat housing. Removing the air intake hose would enable you to locate it easily.
Was this
answer
helpful?
Yes
No
Thursday, February 7th, 2019 AT 7:11 PM (Merged)

Please login or register to post a reply.