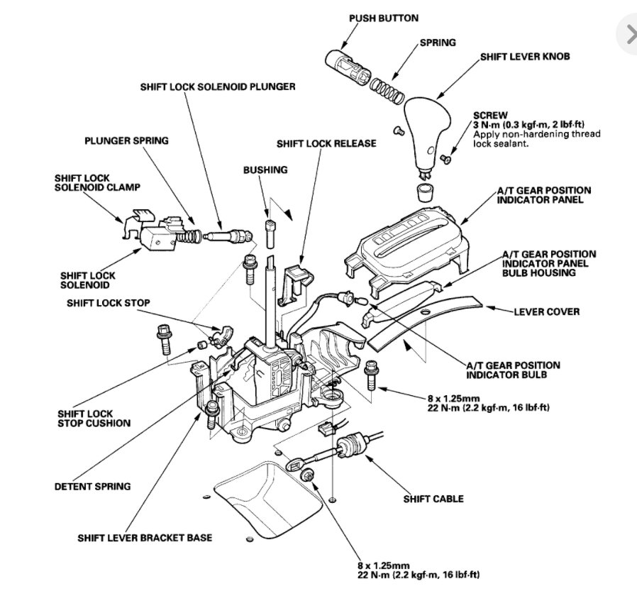
Shifter Bulb Replacement

Tiny
JLAUD
  • MEMBER
  • 2001 HONDA ACCORD
  • 4 CYL
  • 2WD
  • AUTOMATIC
  • 105,000 MILES
How do I disassemble, replace the bulb and then reassemble the center console of my 2001 Honda Accord?
Monday, November 10th, 2008 AT 11:53 AM

1 Reply

Tiny
KASEKENNY
  • MECHANIC
  • 18,907 POSTS
This just requires removing the center console and you should be able to access the bulb from there. However, if needed you will need to take the shifter loose.

I am attaching the info below on how to do this.

Please run through this material and let us know what other questions you have.

Thanks
Was this
answer
helpful?
Yes
No
-1
Thursday, October 14th, 2021 AT 7:42 PM

Please login or register to post a reply.