1999 Honda Accord PARKING lite on dash stays on

Tiny
FRED R HOGAN
  • MEMBER
  • 1999 HONDA ACCORD
Electrical problem
1999 Honda Accord 6 cyl Front Wheel Drive 50000 miles

I have disconnected the switch, disconnected the master cylinder cap wiring, pulled relays and the lite remains on
Saturday, October 31st, 2009 AT 3:09 PM

7 Replies

Tiny
SERVICE WRITER
  • MECHANIC
  • 9,123 POSTS
PArking lite?

Parking brake?

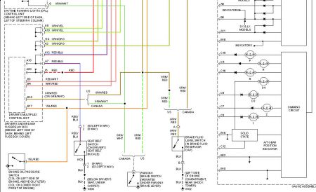
This is the diagram for that circuit.


http://www.2carpros.com/forum/automotive_pictures/30961_01a_1.jpg

Was this
answer
helpful?
Yes
No
Saturday, October 31st, 2009 AT 4:53 PM
Tiny
FRED R HOGAN
  • MEMBER
  • 3 POSTS
Thank you for your help. I thought I would get some serious suggestions as to what could be causing the problem instead I get an unreadable drawing and suggest I buy a manual. Thanks a lot. Fred R Hogan
Was this
answer
helpful?
Yes
No
Sunday, November 1st, 2009 AT 1:59 AM
Tiny
SERVICE WRITER
  • MECHANIC
  • 9,123 POSTS
Hold on Fred.

The "buy a manual" is not from me, it is an advertisement that is automatically posted there.

I can send you the diagram, I can't control the size of that.

I was trying to find out what Light you were talking about.

Again, is that the parking brake light?
Is the parking brake handle fully released and all the back to it's home position?

Reconnect what you undid and make sure the fluid is full.
And try not to jump to conclusions so quick, huh?
Was this
answer
helpful?
Yes
No
Sunday, November 1st, 2009 AT 3:29 AM
Tiny
FRED R HOGAN
  • MEMBER
  • 3 POSTS
As I said I have removed the parking brake switch in the console under brake handle with the lite on, the lite did not go off. I REPLACED THE SWITCH. I disconnected the wires to the master cylinder. The lite did not go off. The float works fine on the master cylinder cap. The fluid level is where it belongs.I have pulled all the relays thinking it could be a bad relay. The lite remains on. I cant read the electrical diagram you sent because it is too small and I cant magnify it. What else could it be?
Was this
answer
helpful?
Yes
No
Sunday, November 1st, 2009 AT 7:24 PM
Tiny
SERVICE WRITER
  • MECHANIC
  • 9,123 POSTS
Diagram was sent to your e-mail.

Does the ABS light come on when you turn the ignition switch?
I want to make sure this isn't actually an ABS problem when the abs bulb is not functioning. Otherwise we are going down the wrong path.
I'll assume you checked this, if not, please do so.

Grounds are good?
Was this
answer
helpful?
Yes
No
Monday, November 2nd, 2009 AT 5:11 AM
Tiny
FRED R HOGAN
  • MEMBER
  • 3 POSTS
ABS has seperate lite. Lites go on with ignition switch and go out as they should except for the brake lite. New diagrams sent to me are half the size of the first, I cant read them or magnify them
Was this
answer
helpful?
Yes
No
Monday, November 2nd, 2009 AT 9:23 AM
Tiny
SERVICE WRITER
  • MECHANIC
  • 9,123 POSTS
I'll blow them up and resend them tonite.
Was this
answer
helpful?
Yes
No
Monday, November 2nd, 2009 AT 1:02 PM

Please login or register to post a reply.