1997 Honda Accord 6 cyl All Wheel Drive Automatic
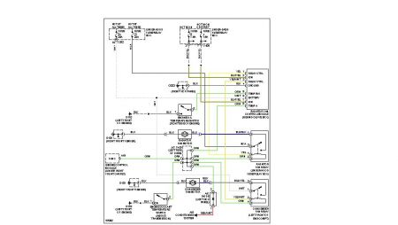
My car is not blowing cool air. My friend (mechanic-not honda accord specialist) looking for the coolant fan relay and a/c fan relay location. Last work done on car, they have wire from condenser hooked up wrong.
My friend has questions about the wiring all is and goes to? Needs help to hook wires up correctly!
Help
Thursday, August 14th, 2008 AT 1:12 AM



