Tuesday, July 29th, 2025 AT 1:09 PM
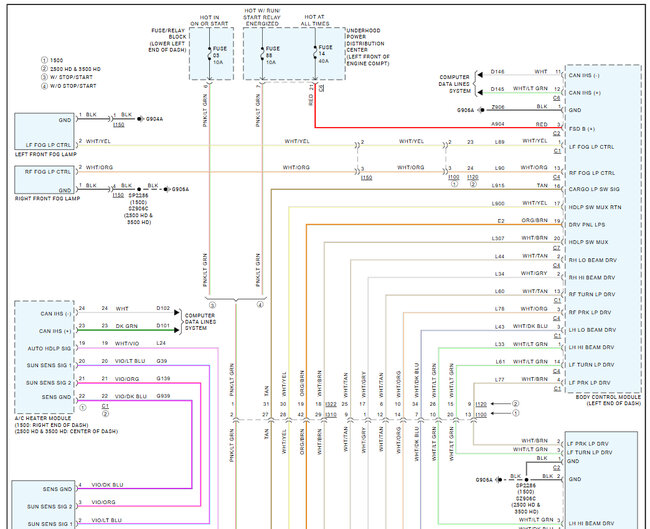
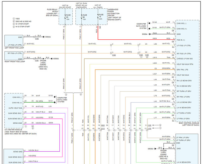
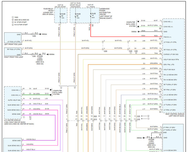
Highbeam headlights do not work. The multifunction switch performs all other functions, turn signals, windshield wiper functions, and flash to pass bright lights all work fine only the bright light function does not work. Using a bidirectional scan tool the bright lights can be commanded on and off, and they function properly. Would like to see a wiring diagram to determine where the control wire from the switch routes to the BCM.






