High beams not working?

Tiny
DANIEL MC GRANE
  • MEMBER
  • 1997 GMC SONOMA
  • 4.3L
  • 6 CYL
  • 4WD
  • AUTOMATIC
  • 136,000 MILES
My low beam headlights and daytime running lights work, but not the high beams.
Tuesday, August 16th, 2022 AT 5:30 PM

1 Reply

Tiny
JACOBANDNICKOLAS
  • MECHANIC
  • 110,194 POSTS
Hi,

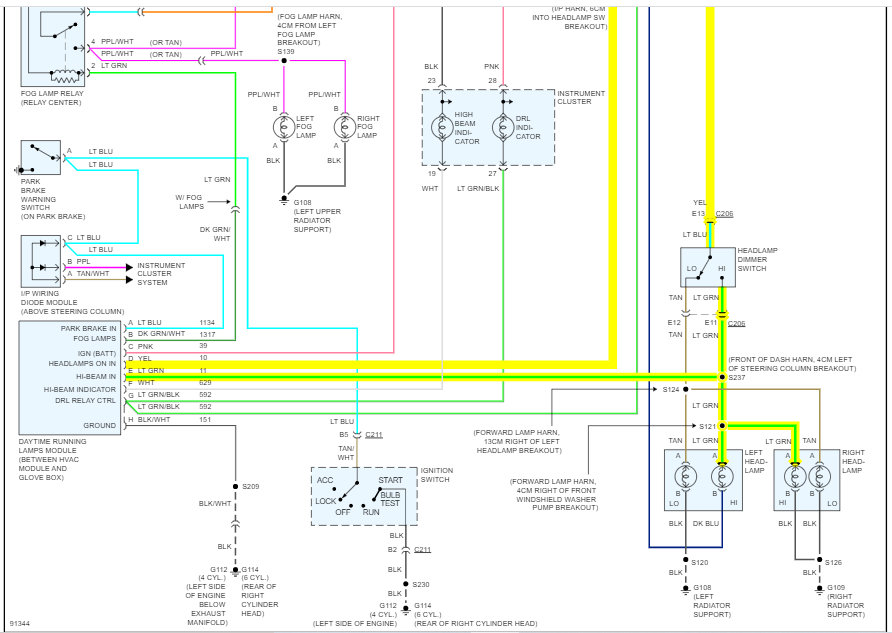
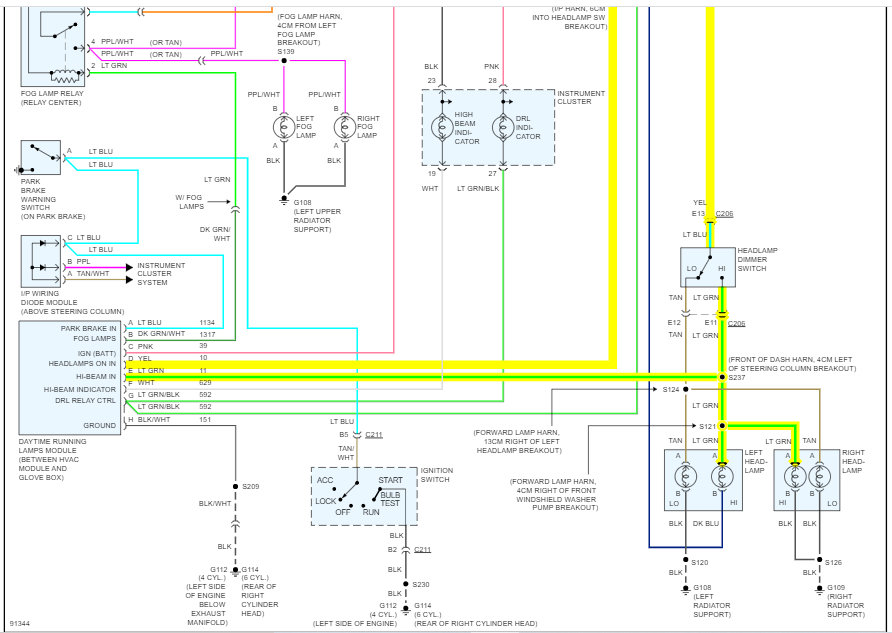
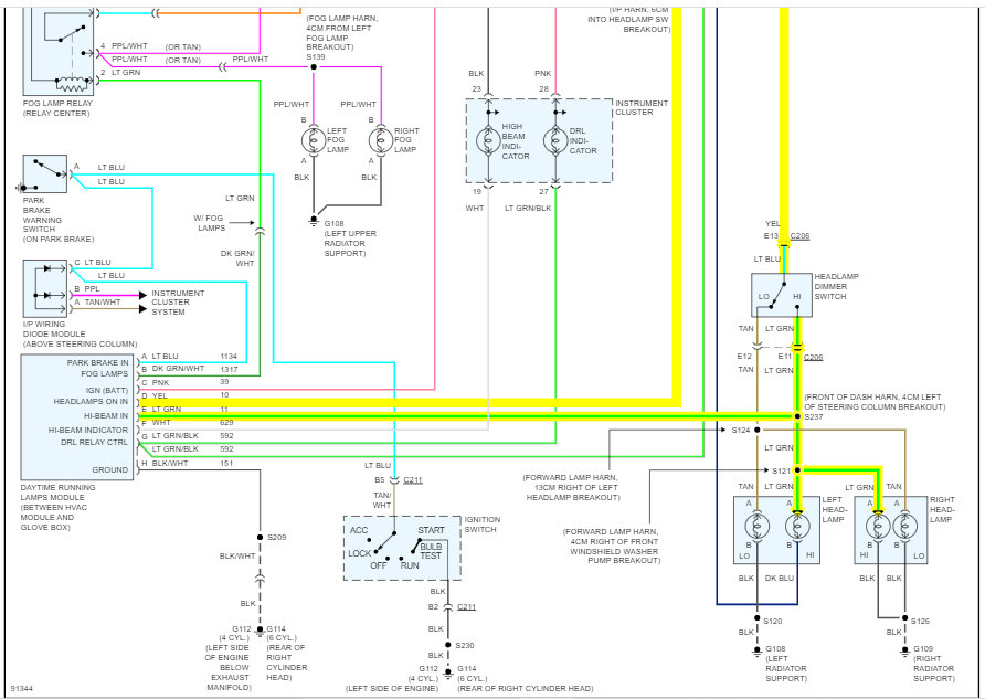
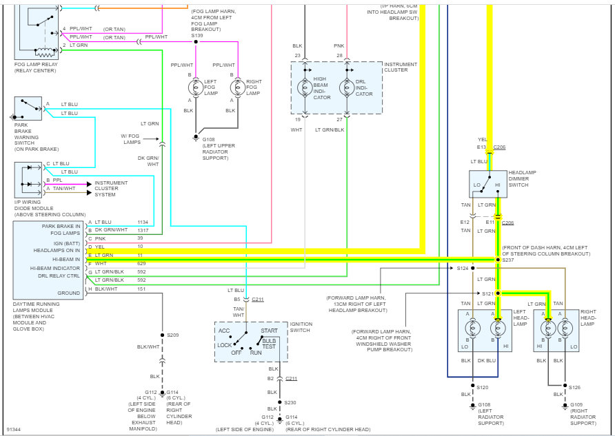
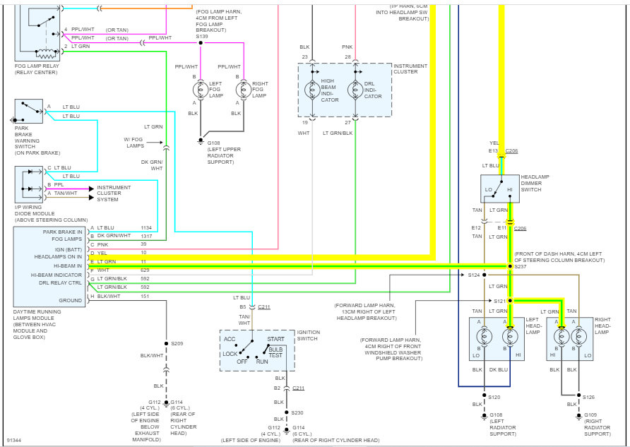
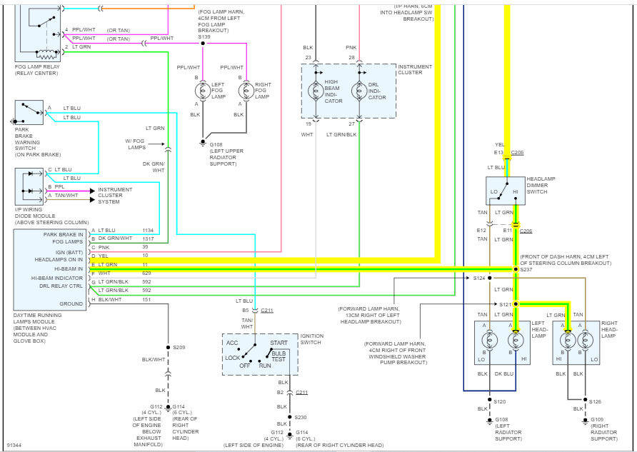
I looked through the wiring schematic for your vehicle. Based on what I'm seeing, either the high beam bulbs are burned out, there is a wiring issue, a light socket issue, or DRL module has failed.

I attached the schematic below for the lamp circuit and highlighted the wires related to the high beam. What I need you to do is this. Disconnect the light connector on each side. Locate the light green wire one at a time in the connector and check if it has power with the high beam on. Do this and let me know what you find. Also, here is a link you may find helpful:

https://www.2carpros.com/articles/how-to-check-wiring

Also, let me know if the high beam indicator light turns on.

Let me know what you find or if you have questions.

Take care,

Joe

See pic below. Note: I cut the schematic in half to make it readable for you. I did overlap them so you can follow from one to the next.
Was this
answer
helpful?
Yes
No
+2
Tuesday, August 16th, 2022 AT 9:01 PM

Please login or register to post a reply.