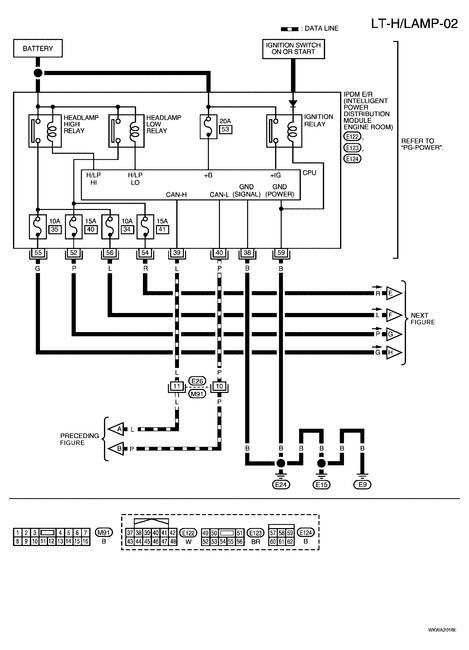
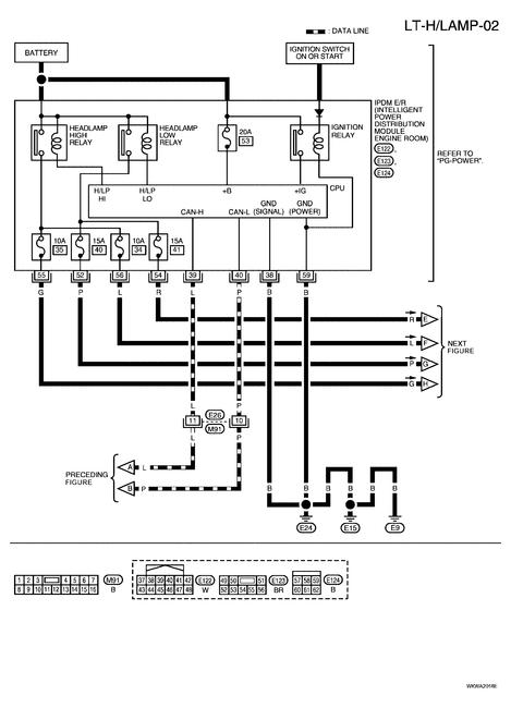
Saturday, February 1st, 2014 AT 9:23 AM
My high beam lights work fine, but my low beam lights don't work. I have check the fuses, and relays to determine if there is a problem with them, but all appear to work fine. I have not check the light switch on the steering column nor the head lights yet. Any thoughts?


