High beams do not work

Tiny
DULUXE2000
  • MEMBER
  • 2002 TOYOTA AVALON
  • 3.0L
  • V6
  • 2WD
  • AUTOMATIC
  • 87,000 MILES
Hi,

My high beams do not work. I checked the fuses and DIM relay, they look okay.

My problem is similar to https://www.2carpros.com/questions/toyota-camry-1999-toyota-camry-high-beams

Please tell me how to test the dimmer switch and the light control switch on my model.

Thanks
Sunday, April 15th, 2018 AT 5:26 AM

19 Replies

Tiny
PATENTED_REPAIR_PRO
  • MECHANIC
  • 1,853 POSTS
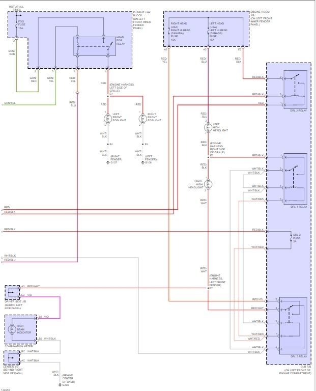
Does this have DRL's (daytime running lights) or not?
Was this
answer
helpful?
Yes
No
+7
Sunday, April 15th, 2018 AT 7:42 AM
Tiny
ASEMASTER6371
  • MECHANIC
  • 52,796 POSTS
Good morning.

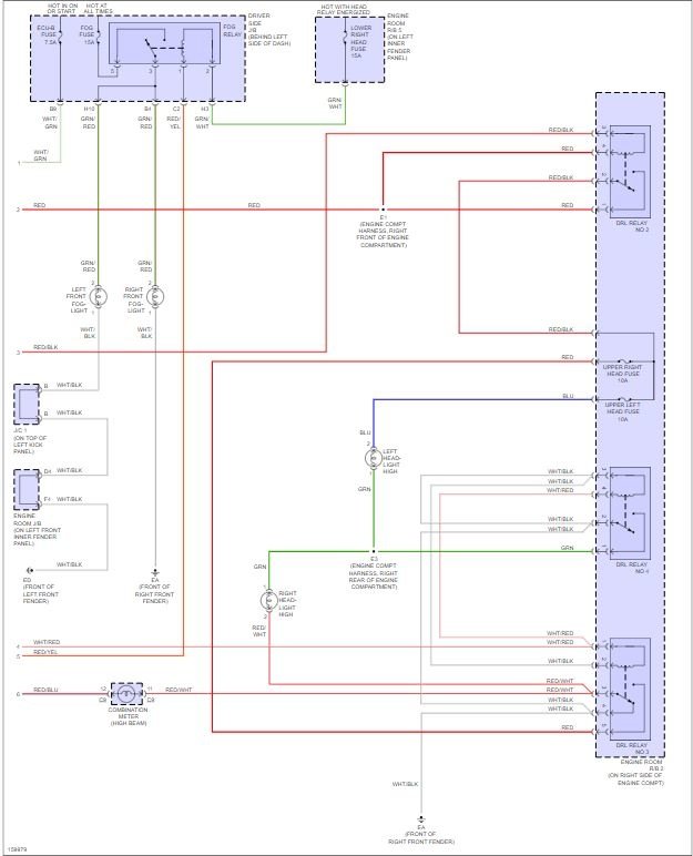
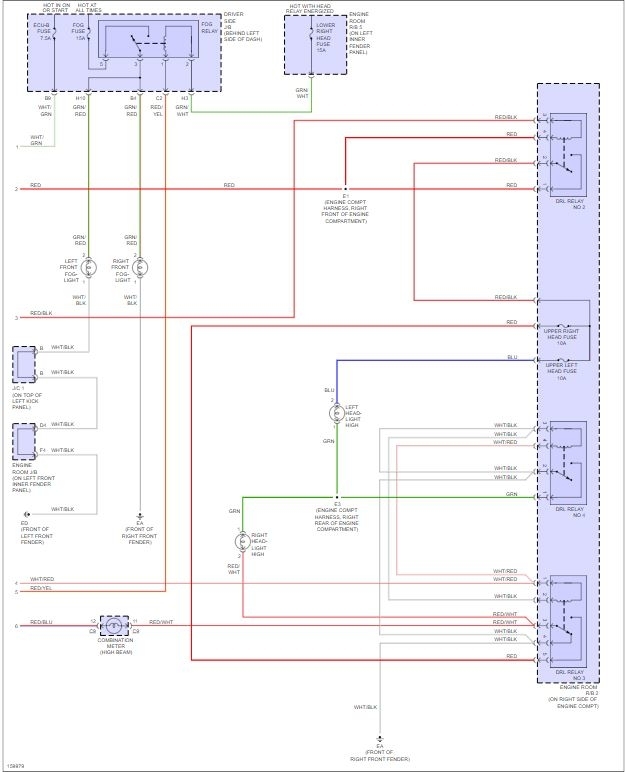
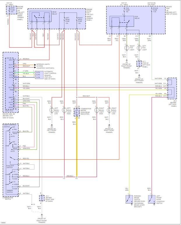
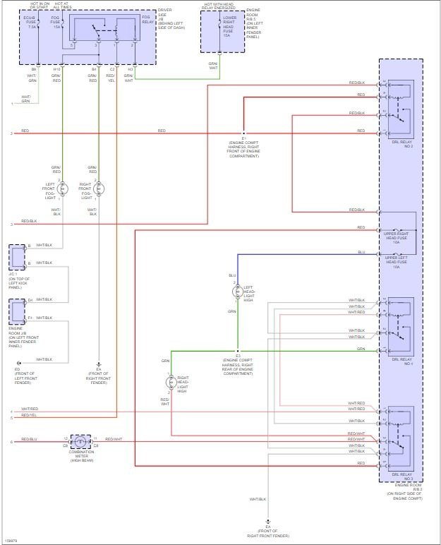
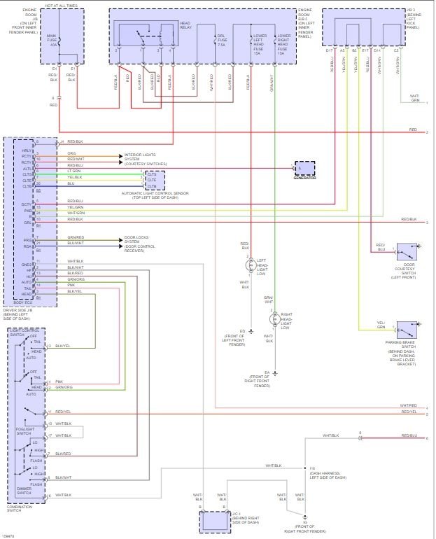
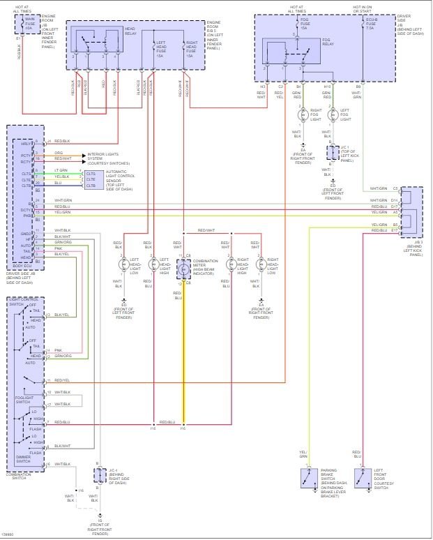
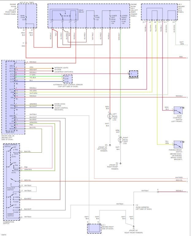
I attached a wiring diagram for you to view. Make sure you test for voltage at the headlight for the high beam feed with a test light or voltmeter to be sure there is power.

Also, check the fuse for the high beams for power to the fuse. Check for voltage on both sides.

Need to check basics first.

Roy
Was this
answer
helpful?
Yes
No
-1
Sunday, April 15th, 2018 AT 7:44 AM
Tiny
DULUXE2000
  • MEMBER
  • 14 POSTS
Hi,

Thanks for your timely responses.

1. My car does not have DRL's.
2. I did the following tests (while switching high beams on).
- Check voltage between two terminals of the bulb base, 0.
- Check voltage between battery negative and two terminals of the bulb base, both are 0.
- Check voltage between battery positive and two terminals of the bulb base : both 12 volts.
- Check voltage between battery negative and both sides of the fuse, both are 0.

Looking forward to your replies.
Was this
answer
helpful?
Yes
No
Monday, April 16th, 2018 AT 5:45 AM
Tiny
ASEMASTER6371
  • MECHANIC
  • 52,796 POSTS
Okay, using your voltmeter, check the voltage at the two wire connector at the headlight. Use the black in one terminal and red in the other.

Roy
Was this
answer
helpful?
Yes
No
Monday, April 16th, 2018 AT 5:49 AM
Tiny
DULUXE2000
  • MEMBER
  • 14 POSTS
Sorry,

When I said "check voltage between two terminals of the bulb base", it means voltage between two wire connector at the headlight. It is 0.
Was this
answer
helpful?
Yes
No
Monday, April 16th, 2018 AT 5:54 AM
Tiny
ASEMASTER6371
  • MECHANIC
  • 52,796 POSTS
Okay, I assumed you were on the battery negative post from your description.

If your voltmeter reads 0 with the headlight activated, that indicates a short circuit in the wiring. It is the same if you put the leads together on the volt scale without hooking them to anything. That is a short circuit.

If you read ghost voltage or voltage all over the place it is an open circuit.

Roy
Was this
answer
helpful?
Yes
No
Monday, April 16th, 2018 AT 5:58 AM
Tiny
PATENTED_REPAIR_PRO
  • MECHANIC
  • 1,853 POSTS
Using the voltmeter with both leads on the bulb plug is assuming the ground wire is okay, just attach the voltmeter ground lead to either the negative battery post or a metal ground and leave it there while you use the positive voltmeter test lead to move around and check different spots for voltage.
If you had a bad ground and stuck both voltmeter test leads in the bulb plug even if you did have 12 volts on the positive wire, you would get a false 0 volt reading because you do not have a good ground.
Was this
answer
helpful?
Yes
No
Monday, April 16th, 2018 AT 7:09 AM
Tiny
DULUXE2000
  • MEMBER
  • 14 POSTS
Thanks again for you replies.

In tests number two and three, I did attach voltmeter ground lead to the battery negative post and use positive lead to check voltage at, both leads on the bulb plug as well as both sides of the fuse, there are no voltage. I guess I have an open circuit one this side of the bulb plug.

I do not think I have bad ground as I attached voltmeter on battery positive post and checked
voltage at both leads on the bulb plugs (test no.1 ), both read at 12 volts ( it means the ground is okay, does it not?).

Now the next step is to track down the open circuit, is it not it? It is not the fuse since both sides of the fuse read 0 volts.

Next is the DIM relay. In my car, there is only one DIM relay for both high and low beams. Low beams work so DIM Relay is okay, I guess.

I might be the combination switch which is faulty so I thought I could test the continuity of the switch, but do not know which pins are used for high beams on my model.

What steps do you advise me to take? Appreciate your time.
Was this
answer
helpful?
Yes
No
Monday, April 16th, 2018 AT 7:58 AM
Tiny
PATENTED_REPAIR_PRO
  • MECHANIC
  • 1,853 POSTS
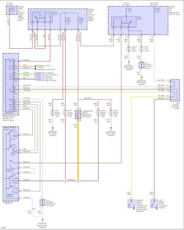
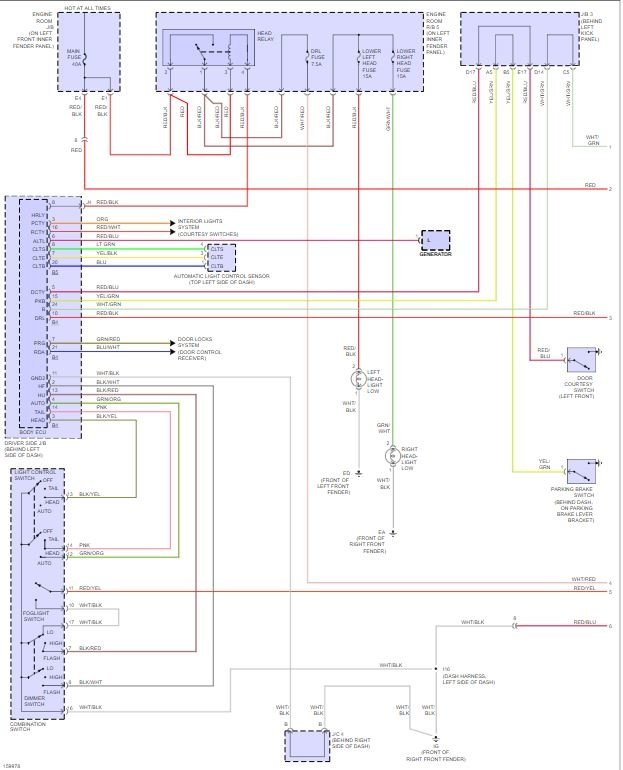
First of all there are two fuses, "left head" and "right head" and both fuses also feed the low circuits, so I do not know how you could have 0 volts on a fuse. Which fuse are you referring to that has 0 volts?
Plus, what are you referring to as a "DIM" relay, the "head" relay?
Was this
answer
helpful?
Yes
No
Monday, April 16th, 2018 AT 9:25 AM
Tiny
DULUXE2000
  • MEMBER
  • 14 POSTS
Hello again,

The diagram does not look like what I have in my car.

My car has four fuses for each lights and the relay is Dim relay ( please see the photo attached).

Car model is MCX10R Mark II Conquest.
Was this
answer
helpful?
Yes
No
Tuesday, April 17th, 2018 AT 2:16 AM
Tiny
PATENTED_REPAIR_PRO
  • MECHANIC
  • 1,853 POSTS
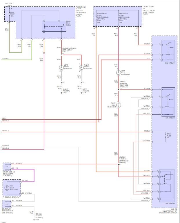
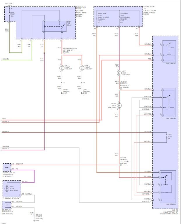
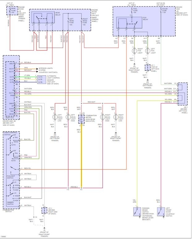
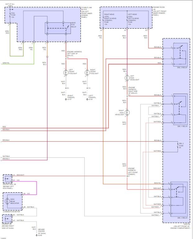
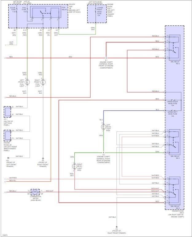
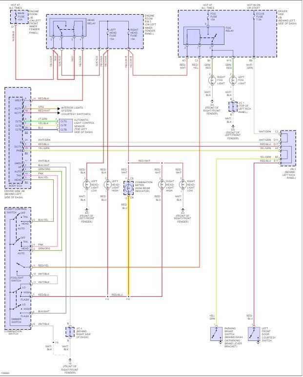
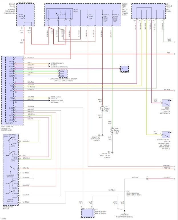
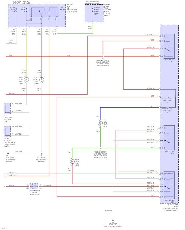
That is why I asked if this had DRL (daytime running lights) or not, because there are two different wiring diagrams and since you said no DRL, I gave you that wiring diagram. The DRL does have four fuses.
Was this
answer
helpful?
Yes
No
Tuesday, April 17th, 2018 AT 6:26 AM
Tiny
DULUXE2000
  • MEMBER
  • 14 POSTS
Again thanks for your patience,

I should disclose that I am from Australia, are your diagrams for US models?

My car has four fuses for four lights and it does not have DRL (I searched all over the engine department but found no relay labeled DRL). I do not think I ever use it (DRL). Also, your DRL diagram shows that lower beams use 15A fuses, mine (from the photos I attached) shows that lower beams use 10A fuses.

According to wikipedia (https://en.wikipedia.org/wiki/Toyota_Avalon), 2002 Australia Avalon should be the first generation Avalon. However, when I looked at diagrams for first gen (from the old post, https://www.2carpros.com/questions/toyota-camry-1999-toyota-camry-high-beams ), the circuit without DRL does not match either.

I am trying my luck to see if anyone has my model's diagrams.
Was this
answer
helpful?
Yes
No
Tuesday, April 17th, 2018 AT 8:28 AM
Tiny
PATENTED_REPAIR_PRO
  • MECHANIC
  • 1,853 POSTS
You just showed me a relay that said DRL. Look again at your photo of DIM relay, it also says DRL #2.
Your second link says that is for a Camry, not an Avalon.
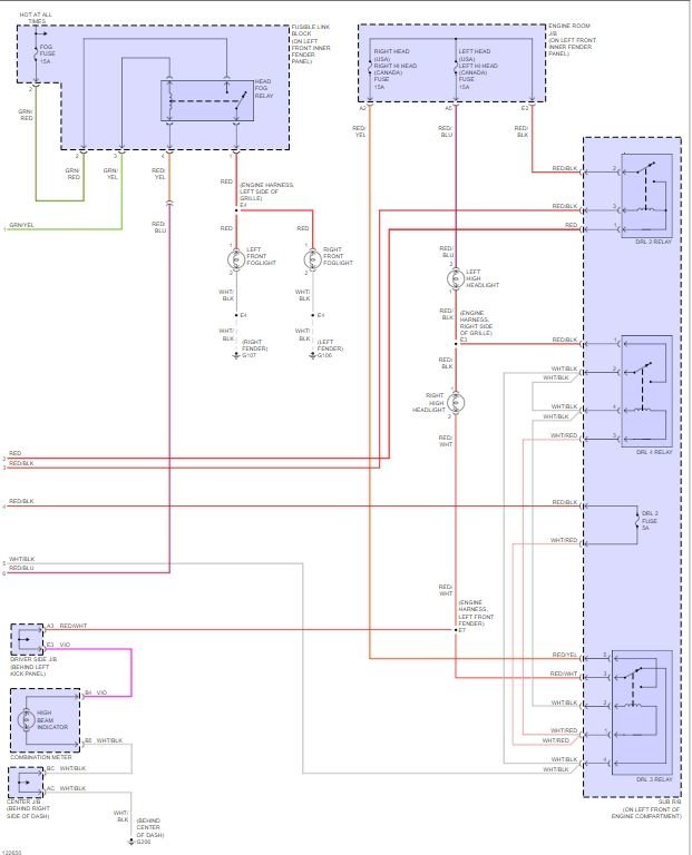
These from a 1999 Avalon with DRL, have 10a fuses.
Was this
answer
helpful?
Yes
No
Tuesday, April 17th, 2018 AT 9:36 AM
Tiny
DULUXE2000
  • MEMBER
  • 14 POSTS
Hi,

Thanks all for the answers so far. I think I found the problem.
Today I decided I will check the dimmer relay first. I took it out and check voltage between dimmer plug terminals.
1. 12 volts between two and four, which means the switch circuit is good, what a relief.
2. 12 volts between one and four, which is expected because the low beams work.
3. 12 volts between three and four, which means high beams circuit is good, voila. I connect them using a wire and high beams turn on.

So it is the dimmer relay is faulty, although I heard the click when high beams switched.

I am lucky because it is just dimmer relay. I still have not found the correct diagram for my car. The last diagram Patient_Repair_Pro attached does not have dimmer relay, which switches between low and high beams. Plus, all diagrams so far with DRL have DRL relay number four but in my car, I only have DRL dimmer relay and head relay.

Thanks again.
Was this
answer
helpful?
Yes
No
Wednesday, April 18th, 2018 AT 5:40 AM
Tiny
PATENTED_REPAIR_PRO
  • MECHANIC
  • 1,853 POSTS
Post the tenth digit of your VIN number, perhaps you I have looked up the wrong year.
Although if you look that DRL 2 relay is on page 2 of them last diagrams I gave you, and in that picture you gave me before it did say the dim relay was also marked as the DRL2, so they are the same thing.
Was this
answer
helpful?
Yes
No
Wednesday, April 18th, 2018 AT 6:17 AM
Tiny
DULUXE2000
  • MEMBER
  • 14 POSTS
Yep, relay number two is the same as dimmer relay.

The tenth digit of my VIN number is letter "O" or zero 0, which means it does not exist, does it not?
Was this
answer
helpful?
Yes
No
Wednesday, April 18th, 2018 AT 6:45 AM
Tiny
PATENTED_REPAIR_PRO
  • MECHANIC
  • 1,853 POSTS
It should have been a two if a 2002. Are you sure you gave me the tenth digit? Can you post the entire VIN number?
Was this
answer
helpful?
Yes
No
Wednesday, April 18th, 2018 AT 7:21 AM
Tiny
DULUXE2000
  • MEMBER
  • 14 POSTS
Hi,

Sorry for late reply, please see the attachment.
Was this
answer
helpful?
Yes
No
Saturday, April 21st, 2018 AT 9:03 AM
Tiny
PATENTED_REPAIR_PRO
  • MECHANIC
  • 1,853 POSTS
That is odd. The 10th digit of 0 decodes as unknown.
Was this
answer
helpful?
Yes
No
Saturday, April 21st, 2018 AT 9:33 AM

Please login or register to post a reply.