Tuesday, June 20th, 2023 AT 2:03 AM
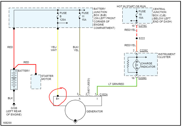
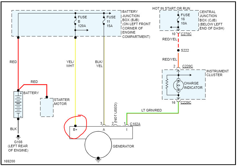
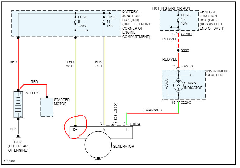
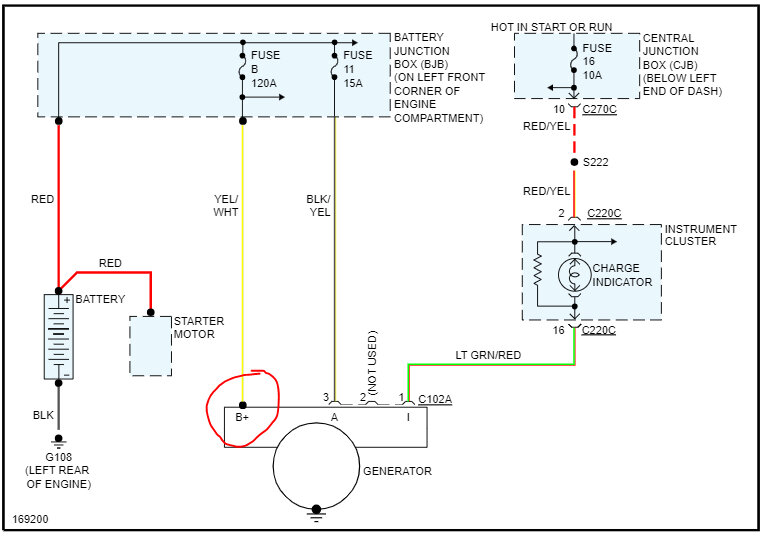
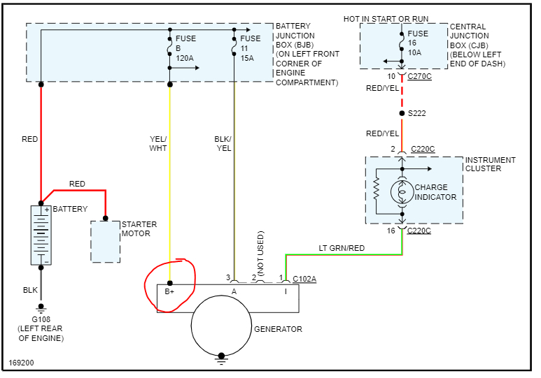
I changed my alternator and when I did the plug for the alternator the wires coming from plug ripped out of the wiring harness for the car and now it's not charging my new battery.



