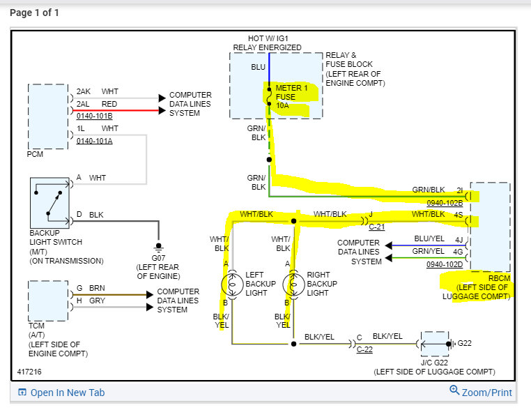
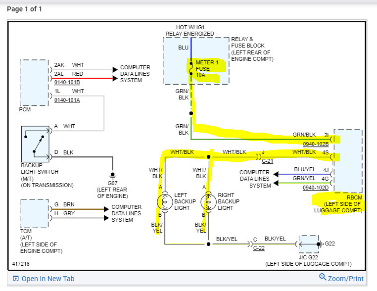
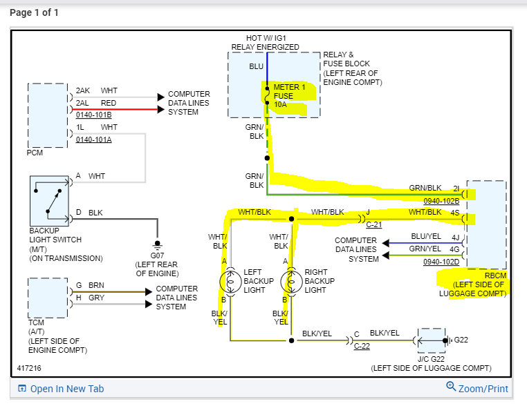
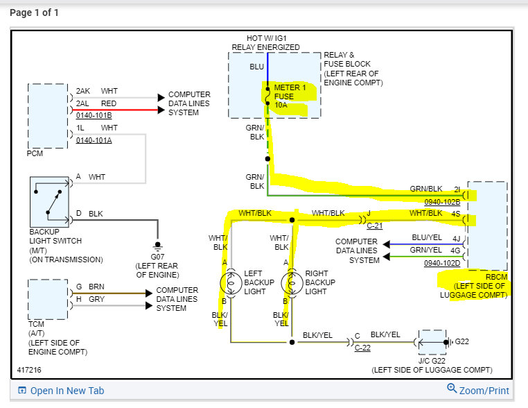
I've got the vehicle listed above, VIN: JM3KE2CY9F0478828. I need to identify the wire on the rear body control module that turns on the reverse gear back-up lights.
The part number on the module is KD45675YOG
Do you have access to this kind of info?
Thanks!
Tuesday, December 20th, 2022 AT 2:24 PM



