Wednesday, December 25th, 2024 AT 3:09 PM
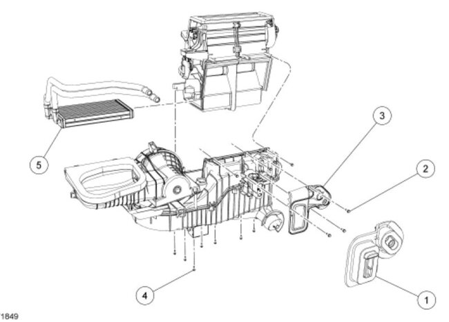
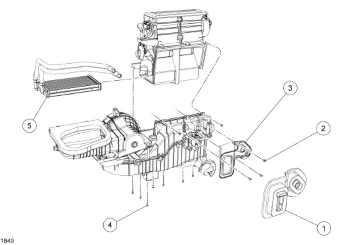
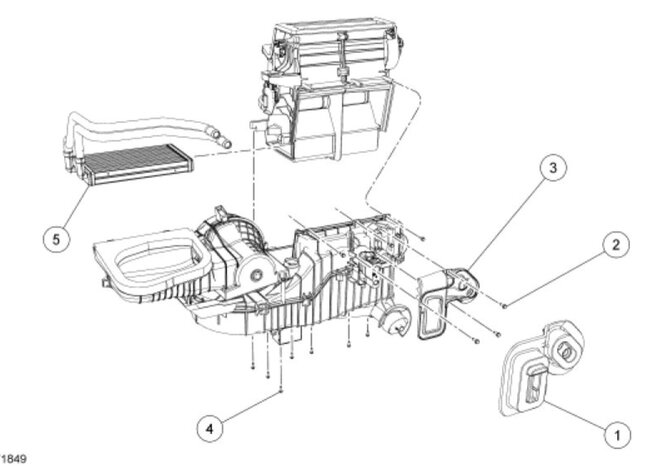
I’ve got all the bolts off the dash, but it still will not come off for me to get to the heater core, is there a bolt or something I’m missing to remove the dash and get to the heater core? It’s the car listed above SEL model, V6 3.5L and I’ve got the center console out and seats out carpet out all the bolts off the driver side will come loose but not passenger side of the dash. I’ve looked everywhere and can’t find anymore bolts or screws to remove.


