Heater not working properly

Tiny
CNASR
  • MEMBER
  • 2005 CADILLAC CTS
  • 3.6L
  • 6 CYL
  • 2WD
  • AUTOMATIC
  • 200,000 MILES
In fact I have two problems with my heater system related to actuators.
- First the air is warm on passenger side while it's cool on my side (the driver one).
- Second problem is with the air flow distribution; in fact when setting the system to the defrost mode, the air still blowing from the center and both sides console without being concentrated only on the front windshield.

So can you help me please locating both actuators responsible of these two issues in my heater system?

Regards and thanks.
Wednesday, January 30th, 2019 AT 3:12 AM

5 Replies

Tiny
ASEMASTER6371
  • MECHANIC
  • 52,796 POSTS
Good morning,

The left side blend door actuator is on the left side of the heater case and is easy replacement.

I attached a picture and procedure.

Change Vehicle Bookmarks Library Request Conversion Calculator Technician's Reference - Collision

Search vehicle information
Community 17 Create Quote
2005 Cadillac STS V6-3.6L VIN 7
Air Temperature Actuator - Left
Vehicle Heating and Air Conditioning Air Door Actuator / Motor Service and Repair Procedures Air Temperature Actuator - Left
AIR TEMPERATURE ACTUATOR - LEFT
AIR TEMPERATURE ACTUATOR REPLACEMENT - LEFT

REMOVAL PROCEDURE
1. Remove the left closeout panel.

ImageOpen In New TabZoom/Print

2. Disconnect the left air temperature actuator electrical connector from the actuator.
3. Remove the left air temperature actuator screws.

The mode actuator is another story. The dash board has to be removed to gain access to that one. This is a labor intensive job.

Change Vehicle Bookmarks Library Request Conversion Calculator Technician's Reference - Collision

Search vehicle information
Community 17 Create Quote
2005 Cadillac STS V6-3.6L VIN 7
Mode Actuator Replacement
Vehicle Heating and Air Conditioning Air Door Actuator / Motor Service and Repair Procedures Mode Actuator Replacement
MODE ACTUATOR REPLACEMENT
MODE ACTUATOR REPLACEMENT

REMOVAL PROCEDURE
1. Remove the instrument panel (I/P) carrier.

ImageOpen In New TabZoom/Print

2. Disconnect the mode actuator electrical connector.

ImageOpen In New TabZoom/Print

3. Remove the mode actuator screws (3).

Roy
Was this
answer
helpful?
Yes
No
Wednesday, January 30th, 2019 AT 3:32 AM
Tiny
CNASR
  • MEMBER
  • 4 POSTS
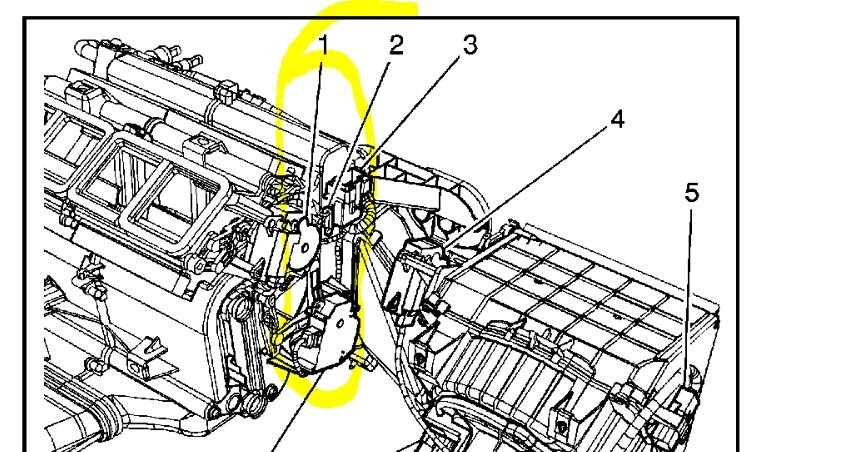
Is it the first one over the gas pedal as shown in the attached photos? Or the upper one?
Was this
answer
helpful?
Yes
No
Wednesday, January 30th, 2019 AT 5:06 AM
Tiny
ASEMASTER6371
  • MECHANIC
  • 52,796 POSTS
It is the first one by the fuel pedal. Yes.

Roy
Was this
answer
helpful?
Yes
No
Wednesday, January 30th, 2019 AT 5:30 AM
Tiny
CNASR
  • MEMBER
  • 4 POSTS
Okay, thank you so much.
Was this
answer
helpful?
Yes
No
Wednesday, January 30th, 2019 AT 5:35 AM
Tiny
ASEMASTER6371
  • MECHANIC
  • 52,796 POSTS
You are welcome.

Always glad to help.

Roy
Was this
answer
helpful?
Yes
No
Wednesday, January 30th, 2019 AT 5:39 AM

Please login or register to post a reply.