Heater not blowing

Tiny
SCOTTAKV
  • MEMBER
  • 2006 CHEVROLET IMPALA
  • 3.5L
  • 6 CYL
  • 2WD
  • AUTOMATIC
  • 160,000 MILES
Heater is not producing heat at all. No power is getting to the blower motor.
Sunday, November 10th, 2019 AT 1:40 PM

3 Replies

Tiny
ASEMASTER6371
  • MECHANIC
  • 52,796 POSTS
Good afternoon,

I attached a wiring diagram for you to view. I highlighted the wire that is power to the blower resistor that feeds the blower motor. Verify power on both sides of the fuse with a test light or voltmeter. This is not a visual test, it is a voltage test.

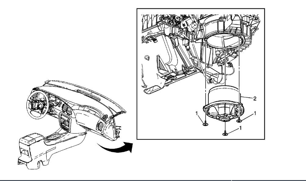
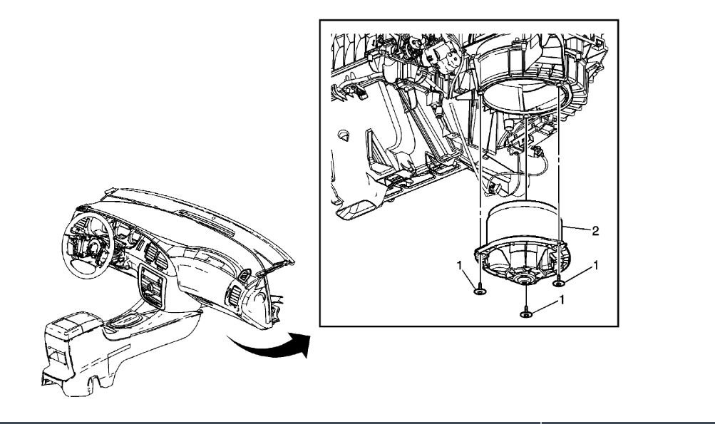
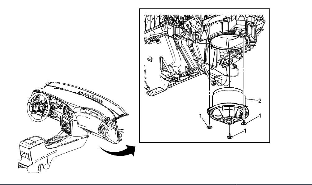
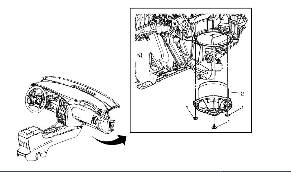
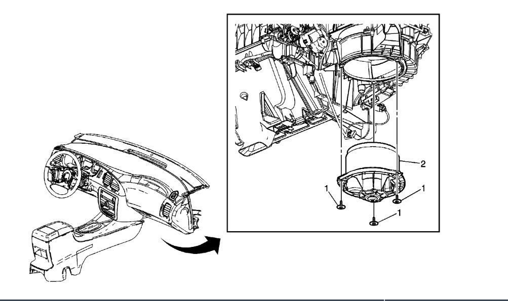
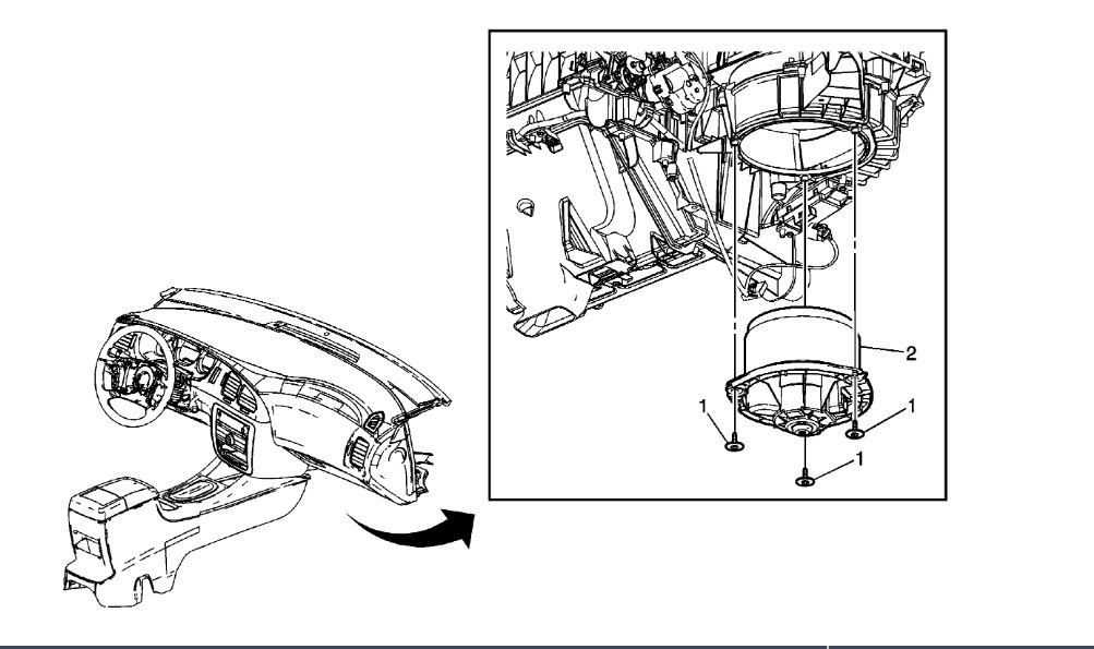
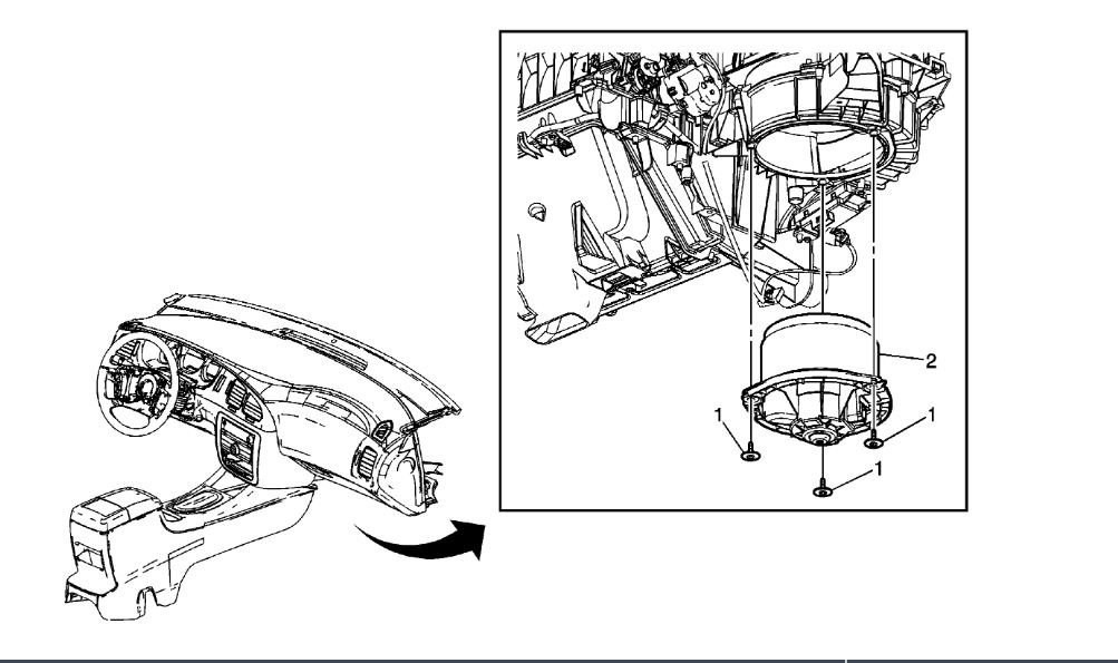
The blower motor location is attached and the resistor is right next to the motor.

Roy
Was this
answer
helpful?
Yes
No
Sunday, November 10th, 2019 AT 2:58 PM
Tiny
SCOTTAKV
  • MEMBER
  • 2 POSTS
Have tried this and there is not any power coming in to the blower motor through the wiring.
Was this
answer
helpful?
Yes
No
Monday, November 11th, 2019 AT 7:53 AM
Tiny
ASEMASTER6371
  • MECHANIC
  • 52,796 POSTS
Did you check the red wire at the blower resistor? That is where the power starts and goes to the blower motor.

Roy
Was this
answer
helpful?
Yes
No
Monday, November 11th, 2019 AT 7:58 AM

Please login or register to post a reply.