Saturday, August 20th, 2016 AT 6:15 AM
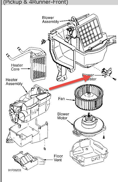
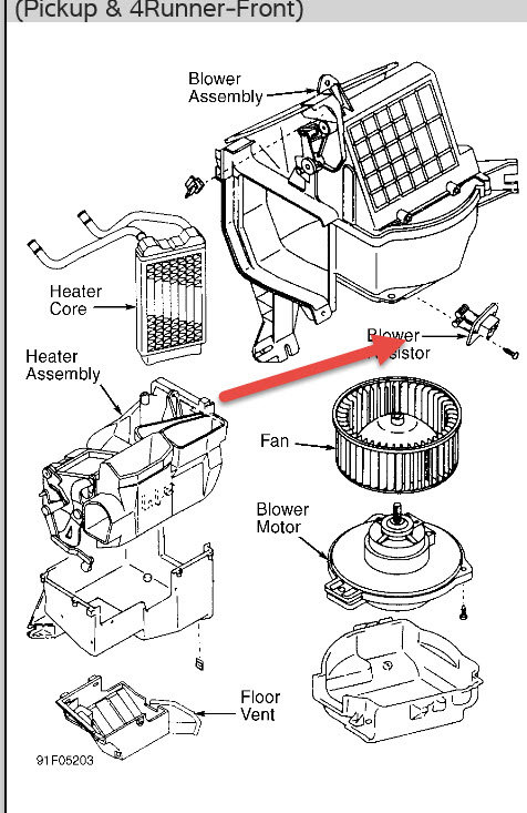
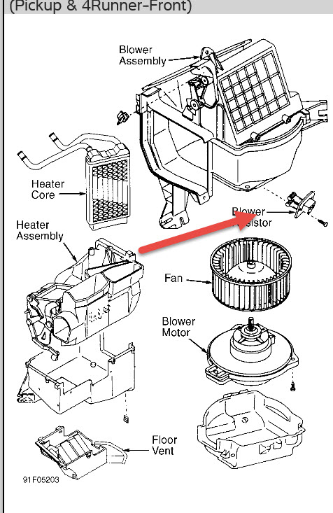
When I move control lever for low, medium, high air flow the high air flow is the only one that works, I have changed the blower control unit and air control switch but the low and medium control does not work.

