Heater blows cold

Tiny
PMDOUCET
  • MEMBER
  • 1990 CHEVROLET 1500
  • 4.3L
  • V6
  • 2WD
  • AUTOMATIC
  • 144,450 MILES
I have change actuator three times and still does not work.
Thursday, April 19th, 2018 AT 1:07 PM

1 Reply

Tiny
ASEMASTER6371
  • MECHANIC
  • 52,796 POSTS
Good morning.

Did you calibrate the new one once you installed it?

Did you check for power to the actuator itself?

Roy

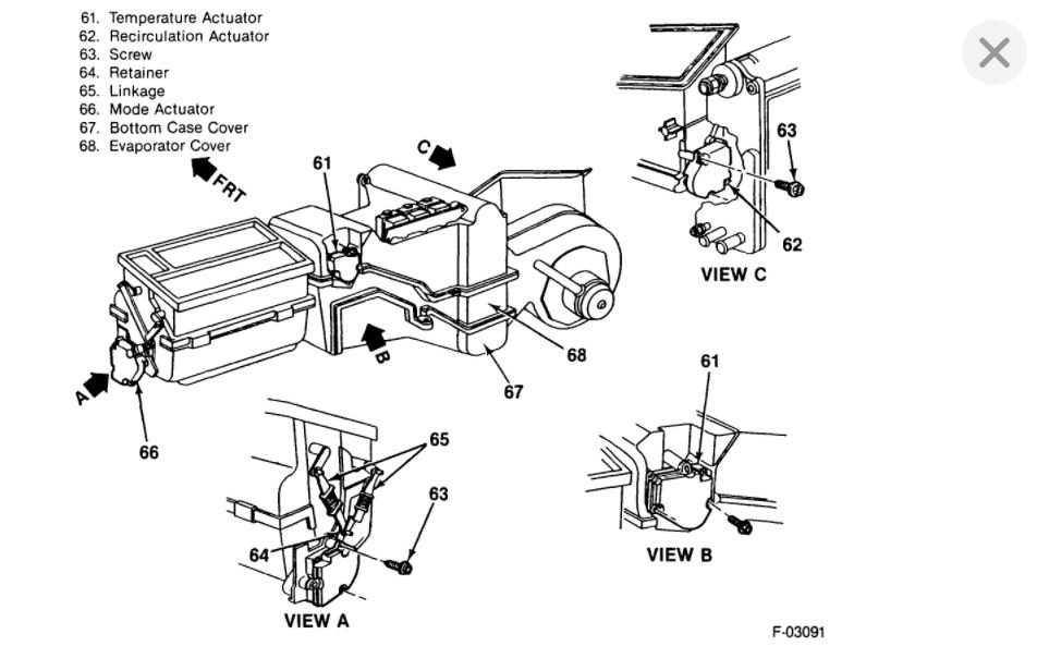
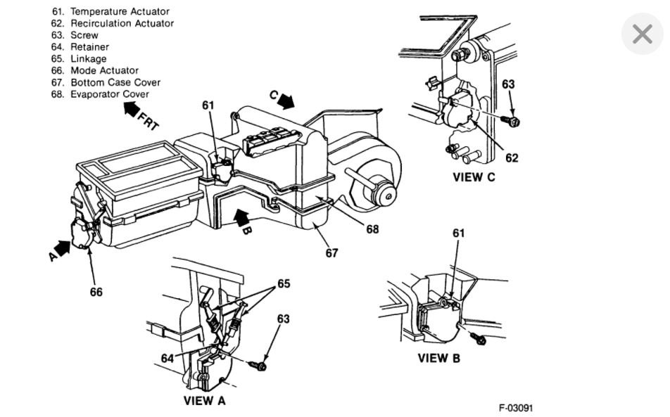
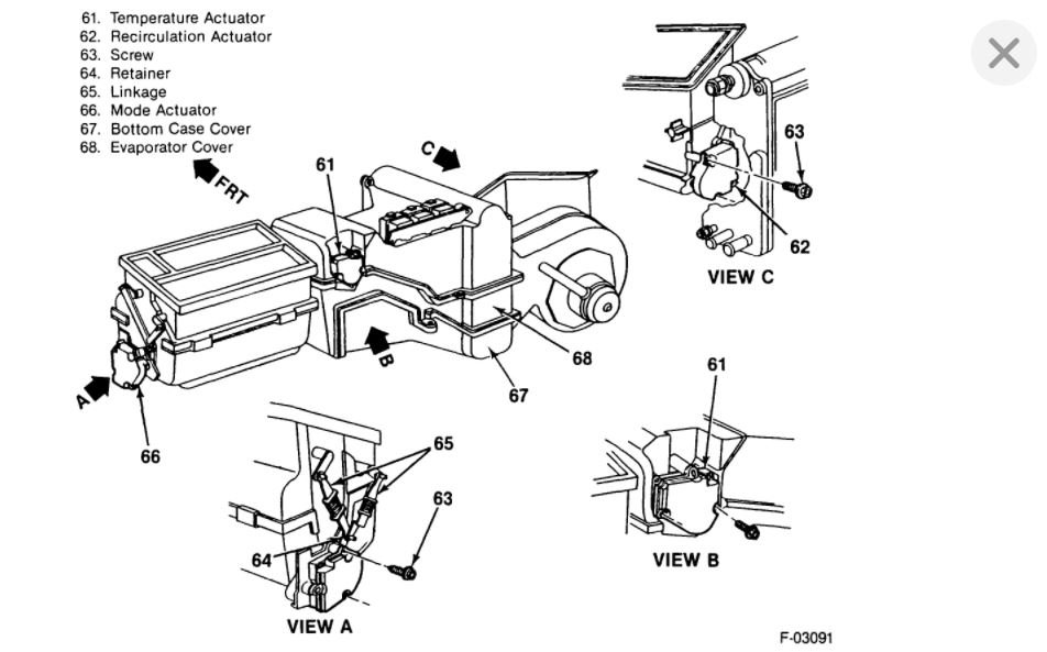
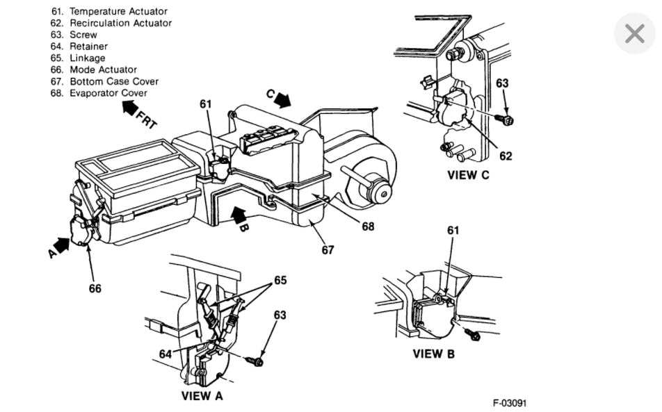
REMOVE OR DISCONNECT
1. Battery ground cable.
2. Instrument panel compartment for excess.
3. Electrical connection.
4. Screws.
5. Actuator.

ADJUST
1. Install the battery ground cable.
2. Electrical connection to the actuator.
3. Turn the ignition key to the accessory position.
4. Allow the actuator to position itself.
5. Turn off the ignition key.
6. Disconnect the electrical connection from the actuator.
7. Disconnect the battery ground cable.

INSTALL OR CONNECT
1. Actuator to the heater assembly.
2. Screws.
3. Electrical connection to the actuator.
4. Instrument panel compartment.
5. Battery ground cable.
Was this
answer
helpful?
Yes
No
Friday, April 20th, 2018 AT 5:36 AM

Please login or register to post a reply.