Heater blower don't work

Tiny
BERTCOTTON
  • MEMBER
  • 2004 JEEP LIBERTY
  • 159,000 MILES
I have the radiator fan wont work but can straight wire it and it will run.
also the same with the heater blower motor
Friday, April 26th, 2013 AT 4:37 AM

3 Replies

Tiny
JDL
  • MECHANIC
  • 16,098 POSTS
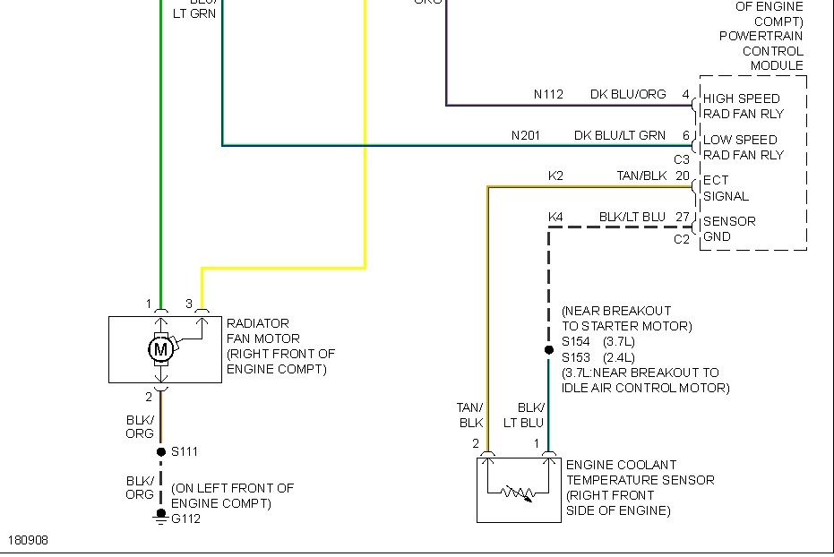
As far as the radiator fan, check fuse2--40 amp in the underhood fuse block. Check the coolant temp sensor.
Was this
answer
helpful?
Yes
No
Friday, April 26th, 2013 AT 6:54 AM
Tiny
JDL
  • MECHANIC
  • 16,098 POSTS
Maybe this diagram will read better?
Was this
answer
helpful?
Yes
No
Friday, April 26th, 2013 AT 7:00 AM
Tiny
JDL
  • MECHANIC
  • 16,098 POSTS
For the heater blower, did you check applicable fuses and voltage? The resistor block and hvac control are on the ground circuit. Did you check voltage and ground at the blower motor connector?
Was this
answer
helpful?
Yes
No
Friday, April 26th, 2013 AT 7:09 AM

Please login or register to post a reply.