Heater/AC display not working?

Tiny
DTYMOMMA42
  • MEMBER
  • 2007 CHRYSLER PACIFICA
  • 4.0L
  • V6
  • 2WD
  • AUTOMATIC
  • 259,000 MILES
Heater/ac display not working blower not working fuse are good and the relays are good I am out of ideas?
Monday, November 25th, 2024 AT 8:15 PM

1 Reply

Tiny
KEN L
  • MASTER CERTIFIED MECHANIC
  • 55,488 POSTS
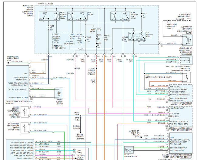
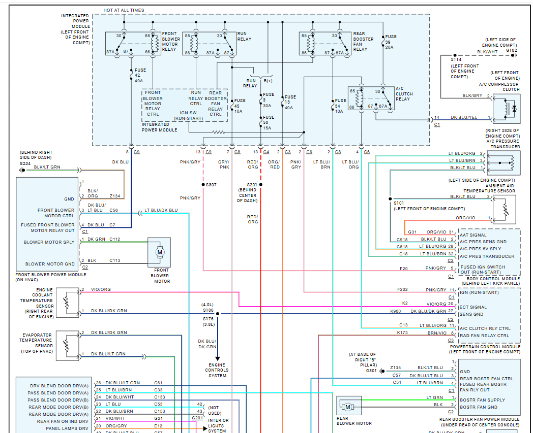
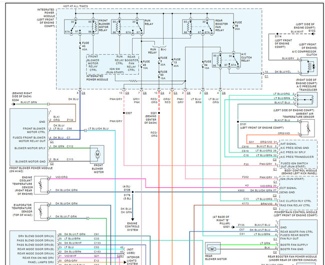
It sounds like the IPM has gone out (integrated power module) to be sure here is the wiring diagrams for the system, I would check for power at the Dr/Blu wire going to the front blower control module with the system on high fan speed and if not power is present I would replace the IPM which is a common problem with these cars. Here is a guide so you can check for power, and I have included how to change out the IPM as well which is easy because it-self learns so there is no programming.

https://www.2carpros.com/articles/how-to-use-a-test-light-circuit-tester

Check out the images (below). Please let us know what happens.
Was this
answer
helpful?
Yes
No
Tuesday, November 26th, 2024 AT 12:00 PM

Please login or register to post a reply.