HOME
ASK A QUESTION
REPAIR GUIDES
BECOME A MEMBER
LOG IN
Login with Facebook
OR
Remember me
NOT A MEMBER?
FORGOT PASSWORD?
CONTACT US
PRIVACY POLICY
TERMS AND CONDITIONS
☰
Home
Chevrolet
2500
Climate Control
Blower Fan
Replace/Remove
Heater/AC blower cover replacement?
TOMJJONAS
MEMBER
1993 CHEVROLET 2500
5.7L
V8
4WD
AUTOMATIC
232,000 MILES
I am looking for a new one.
Sunday, December 31st, 2023 AT 9:32 AM
2 Replies
JACOBANDNICKOLAS
MECHANIC
110,192 POSTS
Hi,
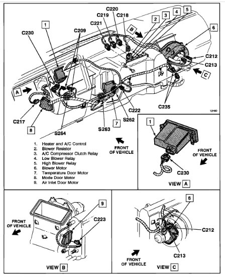
I'm not sure what you are looking for. I attached a picture below. Take a look at it and let me know if you see the part you are referring to.
Take care and Happy New Year,
Joe
See pic below.
Image (Click to make bigger)
Was this
answer
helpful?
Yes
No
+1
Sunday, December 31st, 2023 AT 5:44 PM
KEN L
MASTER CERTIFIED MECHANIC
55,046 POSTS
This is the only diagram I could find to show the cover for the blower motor.
It is part #12.
What exactly is this part for and what does it do? Thanks
Image (Click to make bigger)
Was this
answer
helpful?
Yes
No
Monday, January 1st, 2024 AT 5:35 PM
Please
login
or
register
to post a reply.
Related Blower Fan Replace/Remove Content
Cabin Air Replacement
Does My Truck Have A Cabin Air Filter?
Asked by
Roy McCormack
·
1 ANSWER
2011
CHEVROLET 2500
Ask a Car Question. It's Free!
How to Use a Test Light
Air Conditioner Recharge - Simple
Air Conditioner - Vacuum Down and Recharge