Heater

Tiny
C&R
  • MEMBER
  • 1987 CHEVROLET 2500
  • 7.4L
  • V8
  • 4WD
  • MANUAL
  • 250,000 MILES
No power to heater switches and to the blower fuses are good.
Thursday, September 21st, 2017 AT 4:27 PM

7 Replies

Tiny
WRENCHTECH
  • MECHANIC
  • 20,761 POSTS
Are you sure about the vehicle description. They did not have a 2500 or a 7.4 engine in 1987.
Was this
answer
helpful?
Yes
No
Thursday, September 21st, 2017 AT 6:08 PM
Tiny
C&R
  • MEMBER
  • 4 POSTS
1987 Chevrolet with a 454 throttle body and it is the six pack on the side of the truck says 30 that is all.
Was this
answer
helpful?
Yes
No
Thursday, September 21st, 2017 AT 6:22 PM
Tiny
C&R
  • MEMBER
  • 4 POSTS
I do not have no power to the controls or any wires of the wires. I have changed fuses and checked the fusible link. I have traced all wires no broken ones.
Was this
answer
helpful?
Yes
No
-1
Thursday, September 21st, 2017 AT 6:28 PM
Tiny
WRENCHTECH
  • MECHANIC
  • 20,761 POSTS
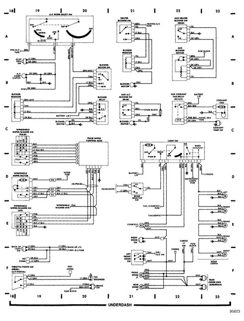
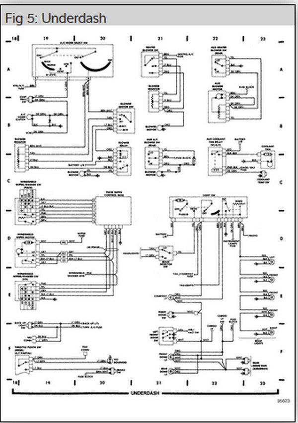
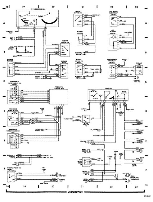
I found it under R30. The blower motor is powered and controlled by the blower relay and the relay is powered and controlled by the blower switch through the blower resister. The blower switch gets its power from the ignition switch so you are going to have to track down where it is being lost.
I uploaded the wiring diagram for you.
Was this
answer
helpful?
Yes
No
+1
Thursday, September 21st, 2017 AT 6:36 PM
Tiny
WRENCHTECH
  • MECHANIC
  • 20,761 POSTS
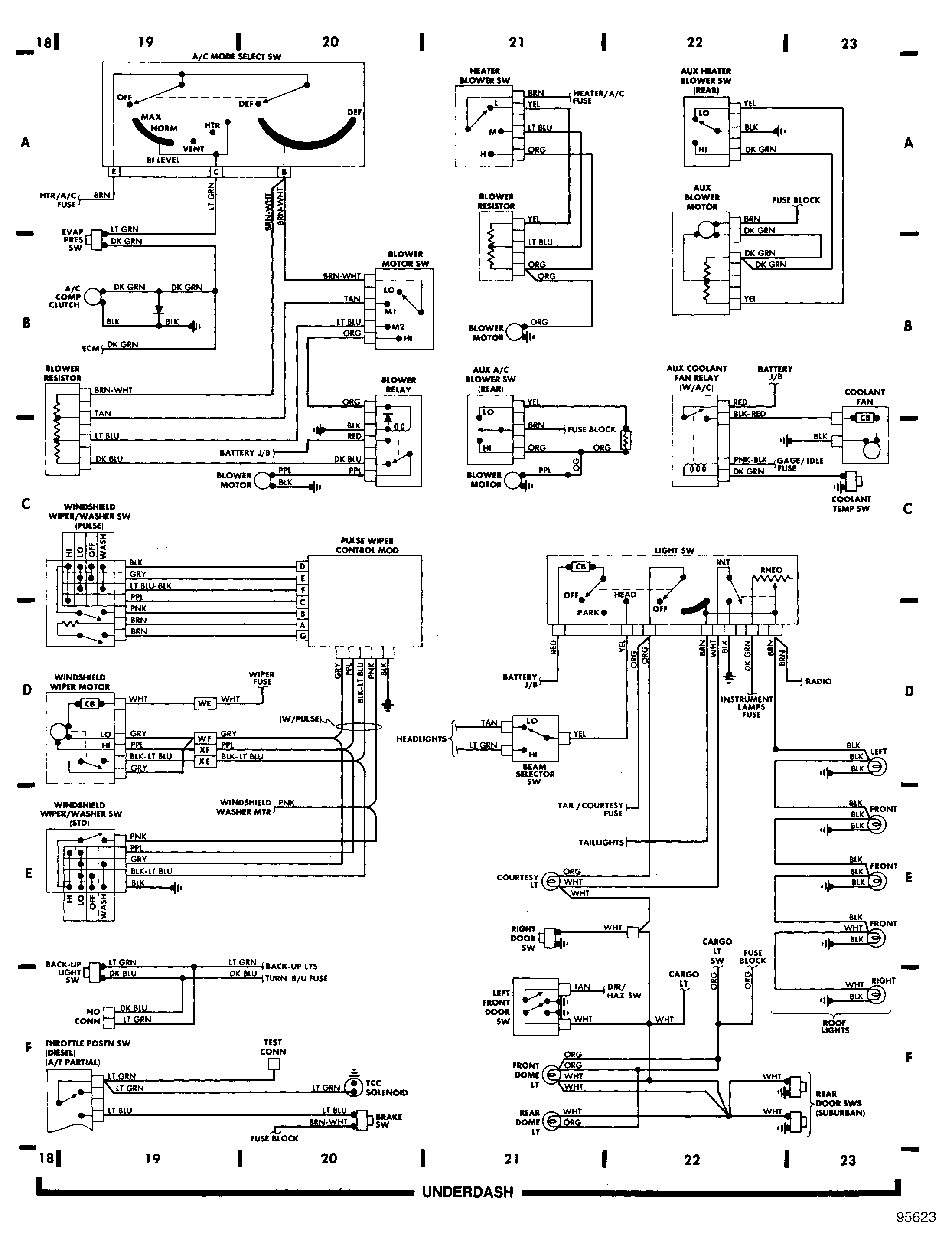
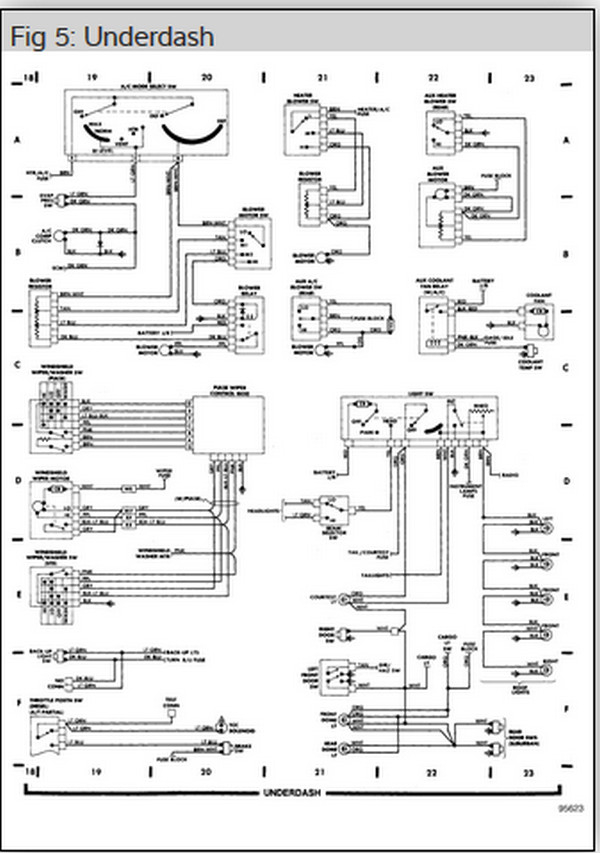
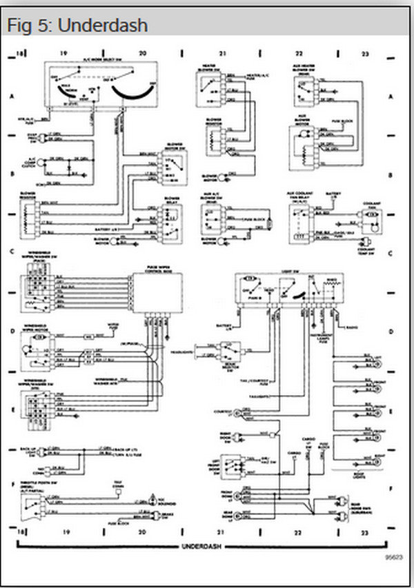
This one might be clearer.
Was this
answer
helpful?
Yes
No
+1
Thursday, September 21st, 2017 AT 6:41 PM
Tiny
C&R
  • MEMBER
  • 4 POSTS
Thank you.
Was this
answer
helpful?
Yes
No
Thursday, September 21st, 2017 AT 6:46 PM
Tiny
KEN L
  • MASTER CERTIFIED MECHANIC
  • 55,097 POSTS
Here is a guide to help you do the testing:

https://www.2carpros.com/articles/how-to-use-a-test-light-circuit-tester

Please let us know what happens so it will help others.

Cheers, Ken
Was this
answer
helpful?
Yes
No
Saturday, September 23rd, 2017 AT 2:03 PM

Please login or register to post a reply.

Related Heater Not Working Content