Automatic Temperature control is not working

Tiny
BOB B
  • MEMBER
  • 1994 CHRYSLER CONCORDE
  • 3.3L
  • V6
  • FWD
  • AUTOMATIC
  • 130,000 MILES
Automatic temperature control does not work. Fuse and relay is good, put in new thermostat.
Monday, January 2nd, 2017 AT 10:24 AM

17 Replies

Tiny
HMAC300
  • MECHANIC
  • 48,601 POSTS
This will need to be scanned for codes to see what Is wrong with it. Check fuses in picture.
Was this
answer
helpful?
Yes
No
+1
Monday, January 2nd, 2017 AT 12:03 PM
Tiny
KEN L
  • MASTER CERTIFIED MECHANIC
  • 55,350 POSTS
FROM BOB B

I looked at the fuses they all look good if it is the control head how
would I check it?
Was this
answer
helpful?
Yes
No
+1
Wednesday, January 4th, 2017 AT 9:28 AM
Tiny
KEN L
  • MASTER CERTIFIED MECHANIC
  • 55,350 POSTS
Hey Bob,

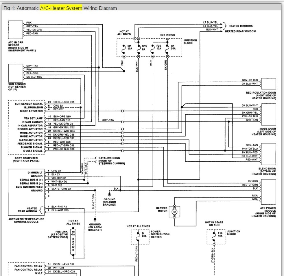
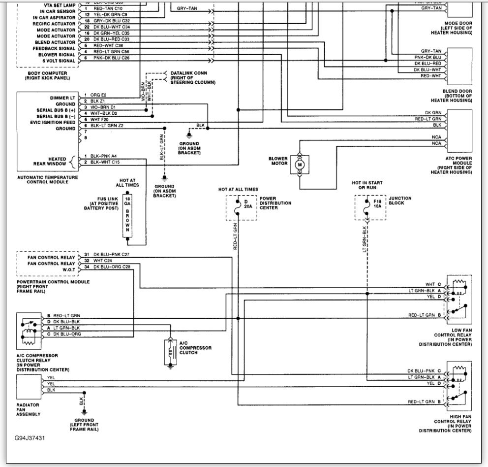
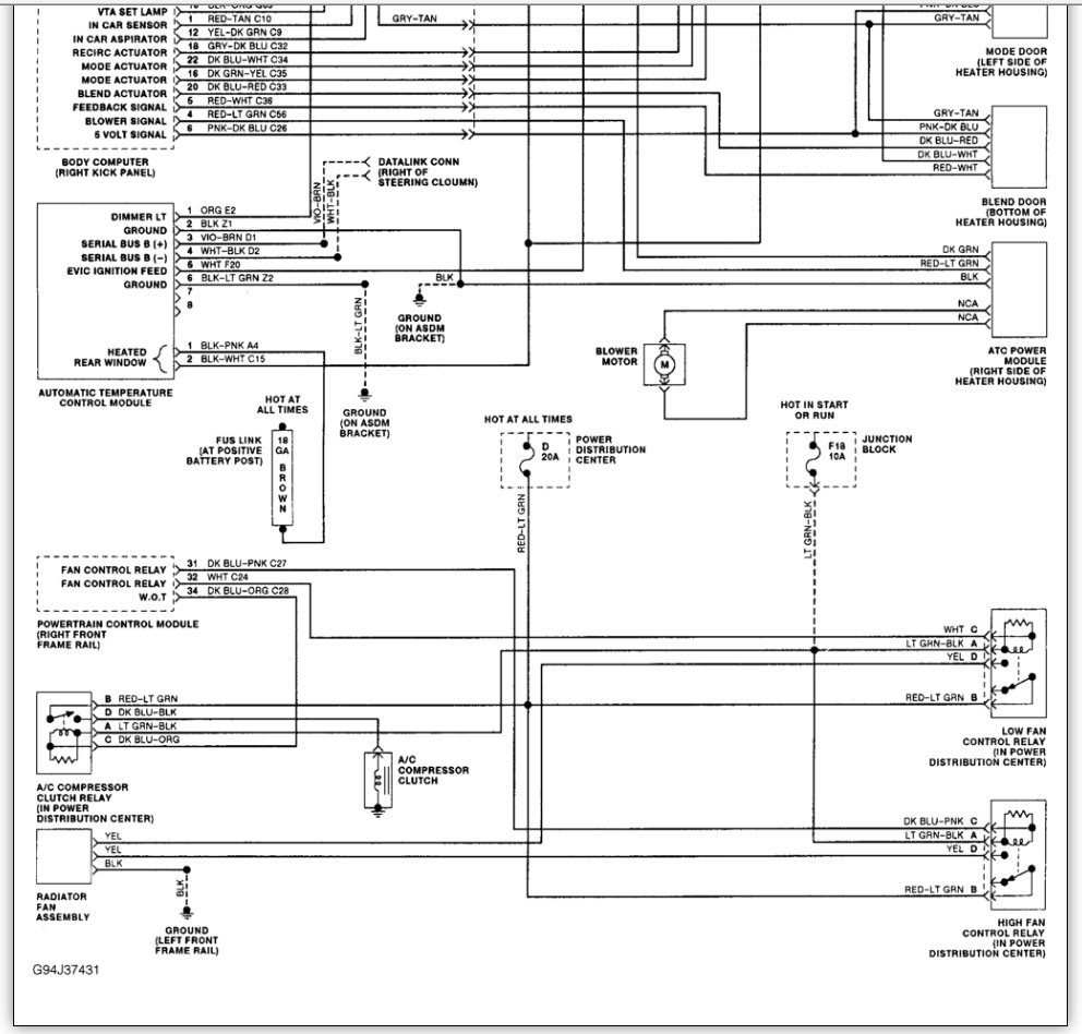
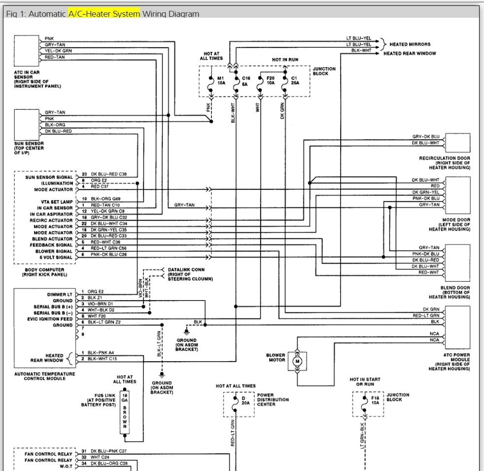
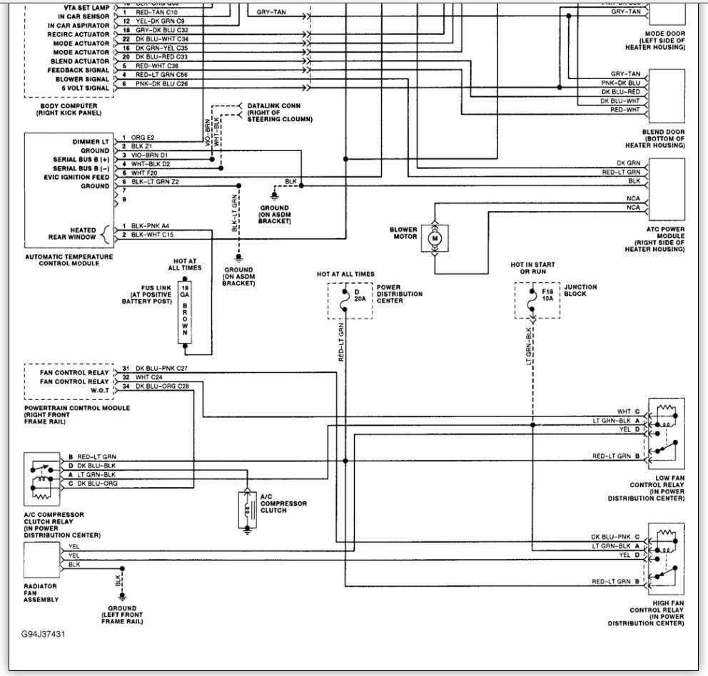
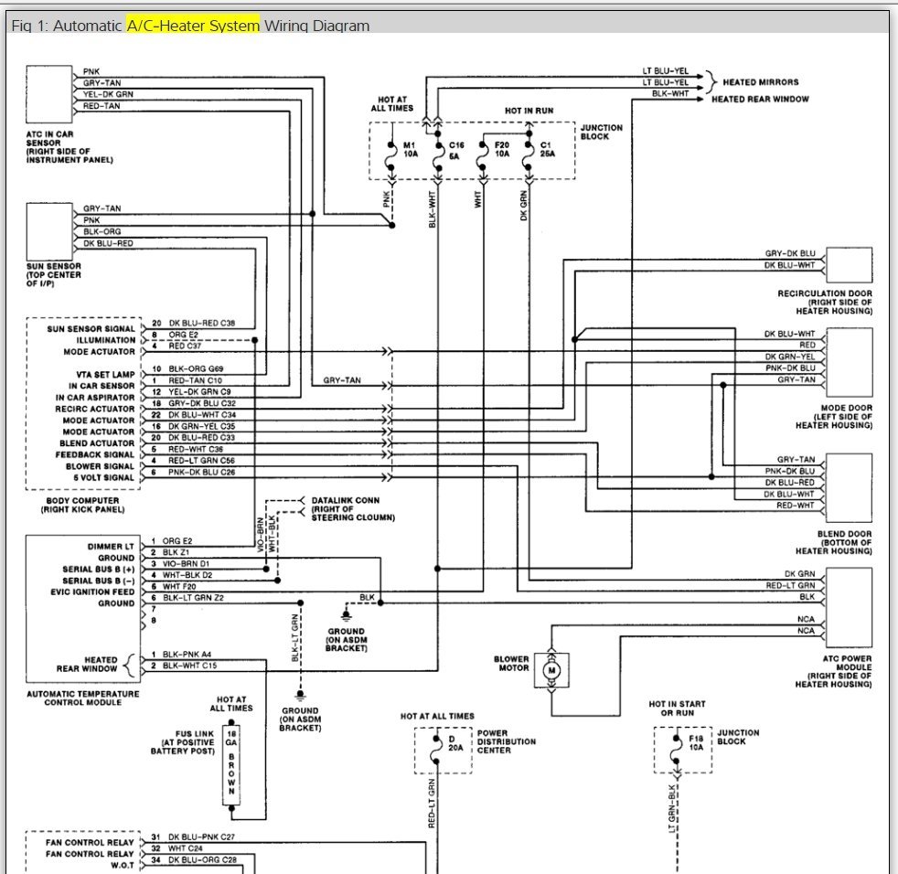
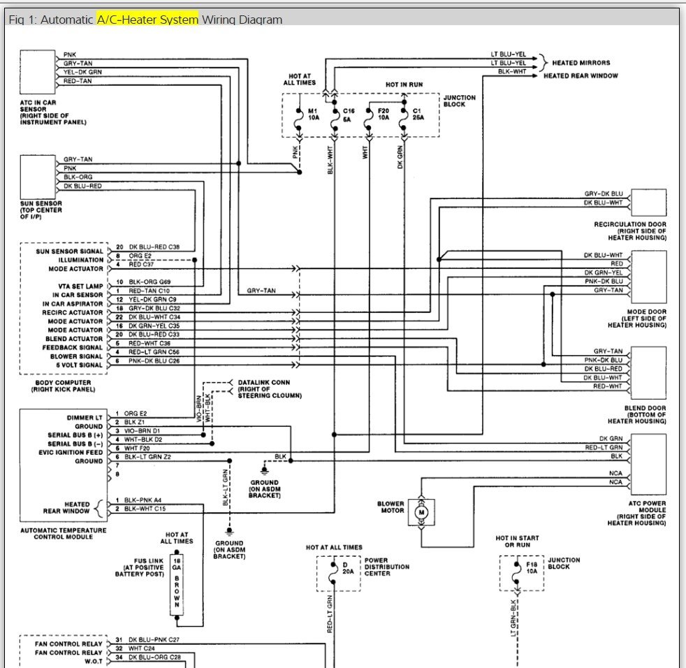
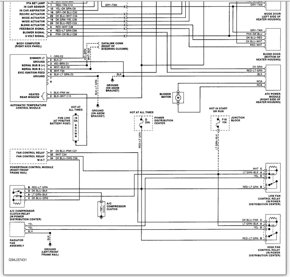
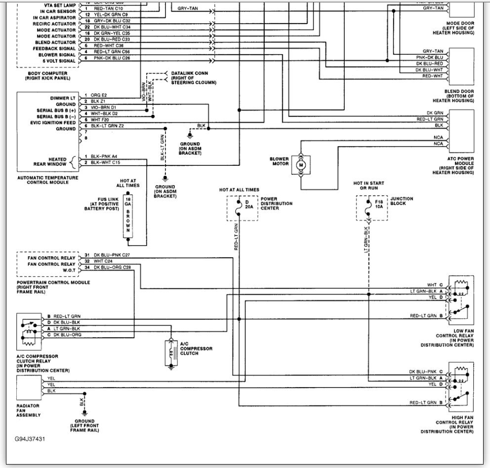
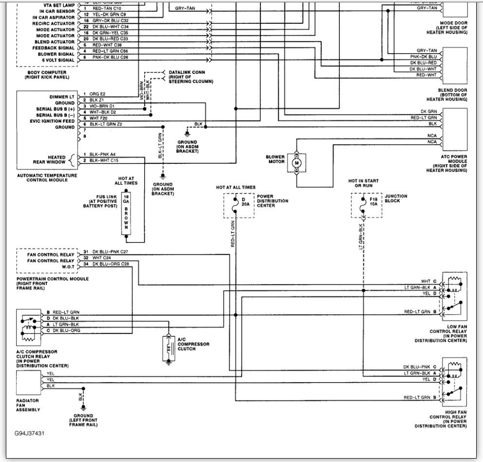
You must check the power and ground input and outputs of the system, here is a complete wiring diagram that will show you how to test the controller and the wiring.

Here is a guide and diagram.

https://www.2carpros.com/articles/how-to-use-a-test-light-circuit-tester

Please run some tests and get back to us so we can continue helping you.

Best, Ken
Was this
answer
helpful?
Yes
No
+2
Wednesday, January 4th, 2017 AT 9:35 AM
Tiny
BOB B
  • MEMBER
  • 11 POSTS
I put a new automatic temperature control head in now it lights up ran a diagnostic test and no codes came up but still no heat
Was this
answer
helpful?
Yes
No
Friday, January 6th, 2017 AT 11:23 AM
Tiny
HMAC300
  • MECHANIC
  • 48,601 POSTS
Check to see if blend door is getting power but it may be a sensor that is screwing up that is why you need to get it scanned for codes.
Was this
answer
helpful?
Yes
No
+1
Friday, January 6th, 2017 AT 12:01 PM
Tiny
BOB B
  • MEMBER
  • 11 POSTS
How do I change the blend door unit
Was this
answer
helpful?
Yes
No
Monday, January 9th, 2017 AT 10:34 AM
Tiny
HMAC300
  • MECHANIC
  • 48,601 POSTS
Sorry I gave you the wrong instructions for resetting actuator see pic also covers getting codes if not the actuators
Was this
answer
helpful?
Yes
No
Monday, January 9th, 2017 AT 12:04 PM
Tiny
HMAC300
  • MECHANIC
  • 48,601 POSTS
For somereason I can't add images to say what to do
Was this
answer
helpful?
Yes
No
Monday, January 9th, 2017 AT 12:06 PM
Tiny
HMAC300
  • MECHANIC
  • 48,601 POSTS
Ok now have pics
Was this
answer
helpful?
Yes
No
+1
Monday, January 9th, 2017 AT 12:13 PM
Tiny
BOB B
  • MEMBER
  • 11 POSTS
Can you show me what a in car ambient temperature sensor looks like please which is behind the right bezel thank you.
Was this
answer
helpful?
Yes
No
Monday, January 9th, 2017 AT 2:53 PM
Tiny
HMAC300
  • MECHANIC
  • 48,601 POSTS
See pic it's a two wire connector
Was this
answer
helpful?
Yes
No
+1
Monday, January 9th, 2017 AT 3:30 PM
Tiny
KEN L
  • MASTER CERTIFIED MECHANIC
  • 55,350 POSTS
Hey Bob,

I found these images for you to show you where the blend door actuators are.

Please let us know happens so it will help others.

Best, Ken
Was this
answer
helpful?
Yes
No
+1
Monday, January 9th, 2017 AT 3:53 PM
Tiny
BOB B
  • MEMBER
  • 11 POSTS
As soon as I put in the sensor ill let you now if every thing works thank you for your help
Was this
answer
helpful?
Yes
No
Monday, January 9th, 2017 AT 4:32 PM
Tiny
KEN L
  • MASTER CERTIFIED MECHANIC
  • 55,350 POSTS
Sounds good, please let us know.

Best, Ken
Was this
answer
helpful?
Yes
No
Tuesday, January 10th, 2017 AT 11:07 AM
Tiny
BOB B
  • MEMBER
  • 11 POSTS
Do you know where I can find a in-car temp sensor
Was this
answer
helpful?
Yes
No
Saturday, January 14th, 2017 AT 3:03 PM
Tiny
KEN L
  • MASTER CERTIFIED MECHANIC
  • 55,350 POSTS
IN-VEHICLE TEMPERATURE SENSOR

Removal & Installation

Remove right side instrument panel trim end cap and trim bezel from instrument panel. Remove sensor screws, pull out sensor, and disconnect wiring. To install, reverse removal procedure.
Was this
answer
helpful?
Yes
No
Saturday, January 14th, 2017 AT 9:38 PM
Tiny
BOB B
  • MEMBER
  • 11 POSTS
Do you know where I can find a in vehicle temp sensor can't seem to find one?
Was this
answer
helpful?
Yes
No
Wednesday, January 18th, 2017 AT 10:22 AM

Please login or register to post a reply.