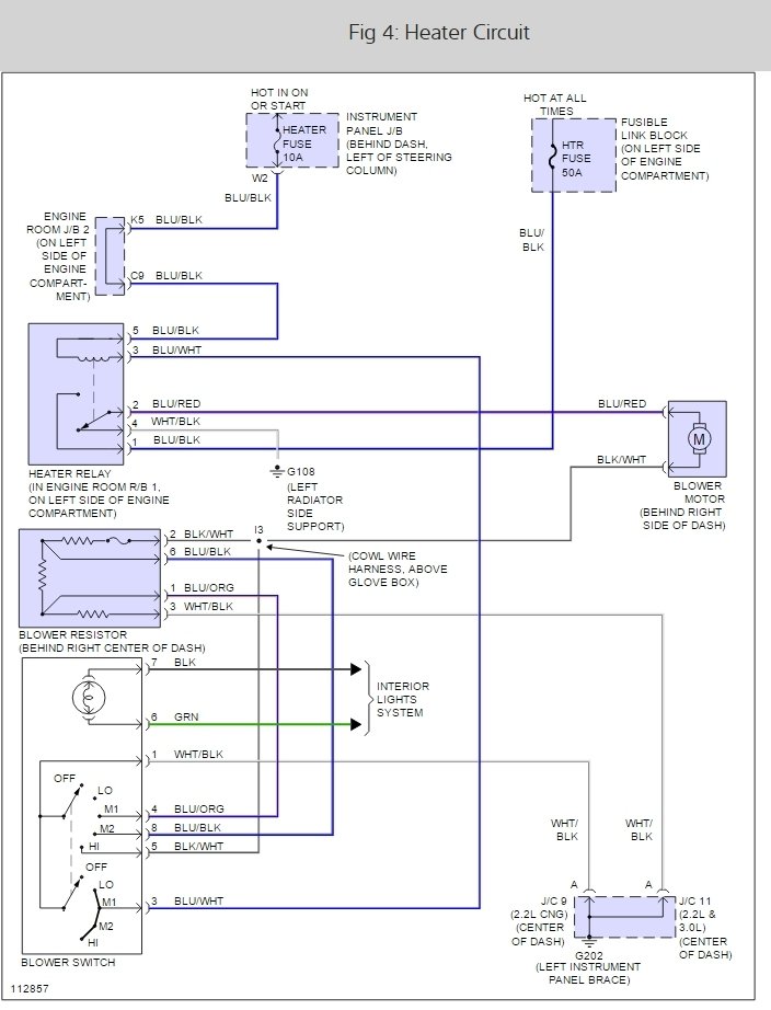
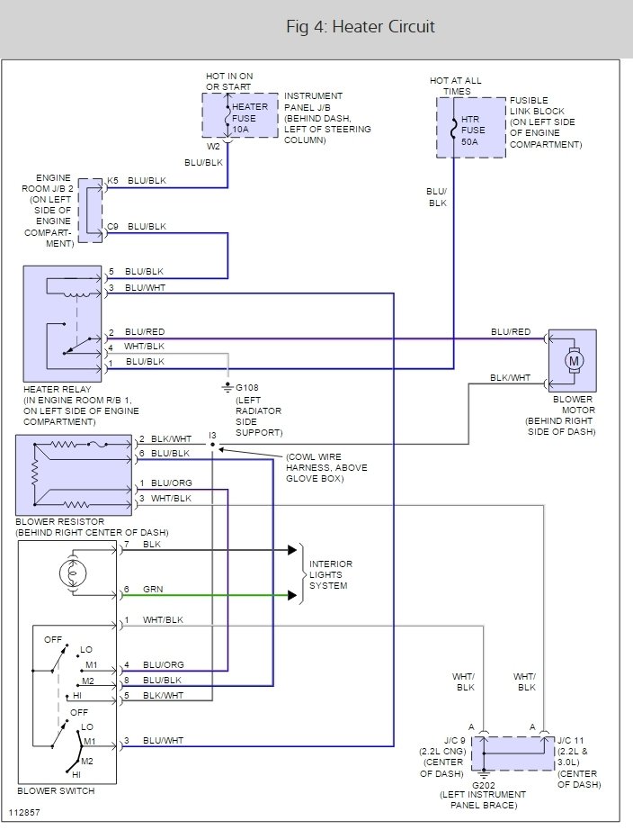
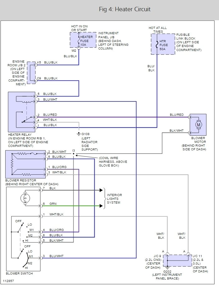
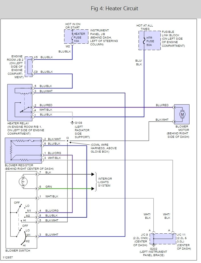
Saturday, December 10th, 2016 AT 5:02 PM
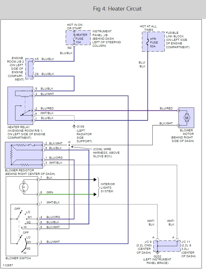
The heater kicks off and on when I step on the brake it seems to come on, but then sometimes when you got the switch on and everything is working it seems to be working the heater will just kick off. Sometimes the tail lights do not work. I am trying to track down the wiring problem.



