Heated seats front not working?

Tiny
TONY26
  • MEMBER
  • 2005 CHEVROLET SILVERADO
  • 5.3L
  • V8
  • 4WD
  • AUTOMATIC
  • 2,458,502 MILES
My heated seats quit working. I changed the fuse and they worked. And now they quit working again and the fuse is good.
Friday, January 13th, 2023 AT 11:58 AM

9 Replies

Tiny
JACOBANDNICKOLAS
  • MECHANIC
  • 110,192 POSTS
Hi,

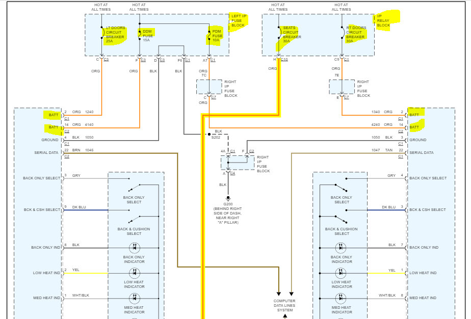
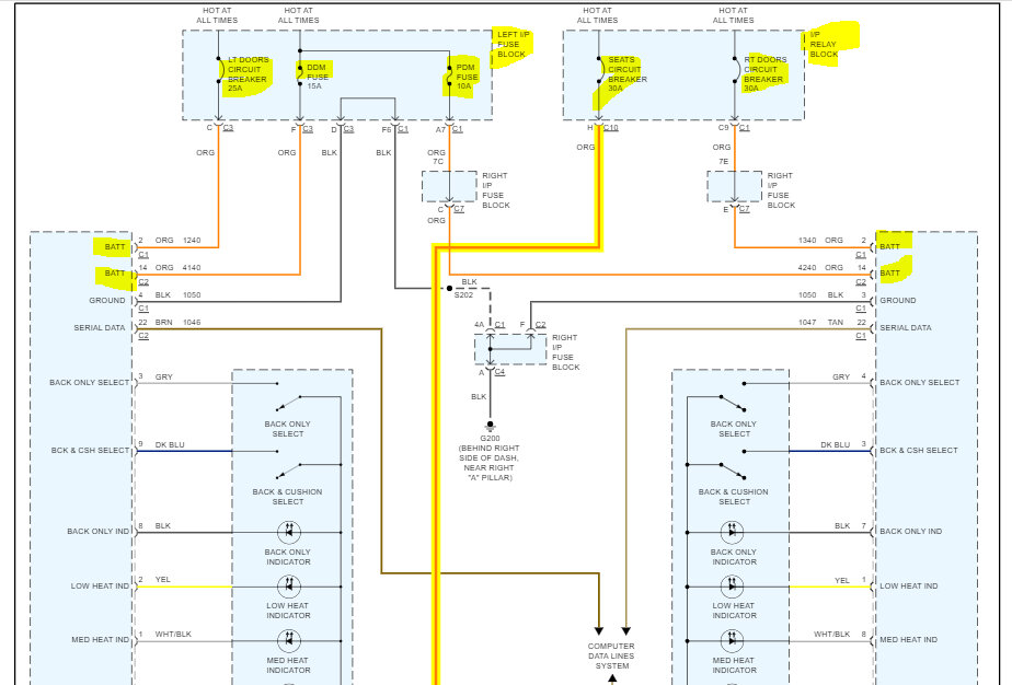
Which fuse did you replace to make it work? I ask because the power supply to the heated seats is provided via a circuit breaker. I attached the wiring schematic below, so you have a reference.

Take a look at the schematic and let me know which fuse you replaced. Also, let me know if any of the settings are working on either of the front seats.

Let me know.

Take care,

Joe

See pics below.
Was this
answer
helpful?
Yes
No
Friday, January 13th, 2023 AT 9:45 PM
Tiny
TONY26
  • MEMBER
  • 5 POSTS
The fuse I replaced was the ign 3 fuse. That's the only fuse the owner's manual shows.
Was this
answer
helpful?
Yes
No
Saturday, January 14th, 2023 AT 11:04 AM
Tiny
TONY26
  • MEMBER
  • 5 POSTS
None of the settings work on either seat.
Was this
answer
helpful?
Yes
No
Saturday, January 14th, 2023 AT 11:18 AM
Tiny
JACOBANDNICKOLAS
  • MECHANIC
  • 110,192 POSTS
Hi,

I'm missing something. I went through two manuals, and both indicated that IGN 3 fuse is for a rear steering control module. See pics below.

Were you able to check any of the ones I indicated?

Let me know.

Joe
Was this
answer
helpful?
Yes
No
Saturday, January 14th, 2023 AT 9:26 PM
Tiny
TONY26
  • MEMBER
  • 5 POSTS
This is not a 4-wheel steering truck 4-wheel drive. And it's a 2005.
Was this
answer
helpful?
Yes
No
Sunday, January 15th, 2023 AT 8:24 AM
Tiny
JACOBANDNICKOLAS
  • MECHANIC
  • 110,192 POSTS
Hi,

I didn't think it had 4 wheels steering, but that is what the schematics are indicating. Are you certain that is the fuse you replaced?

Also, apparently, there are three different vin codes for the 5.3L. Let me know what the 8th digit from left to right is on the VIN.

Let me know.

Joe
Was this
answer
helpful?
Yes
No
Sunday, January 15th, 2023 AT 6:08 PM
Tiny
TONY26
  • MEMBER
  • 5 POSTS
I'm having more than just the heated seat part. The seat doesn't move either way.
Every now and then the seat works properly. I think I might have a wiring problem.
Was this
answer
helpful?
Yes
No
Sunday, January 22nd, 2023 AT 12:50 PM
Tiny
JACOBANDNICKOLAS
  • MECHANIC
  • 110,192 POSTS
The seat adjustment is powered by a circuit breaker. Does it seem as if it works, stops, and then shortly thereafter starts working again?

And yes, it does sound like a connection issue. Have you checked all connectors under the seat to make sure they aren't loose or damaged?

Joe
Was this
answer
helpful?
Yes
No
Sunday, January 22nd, 2023 AT 4:08 PM

Please login or register to post a reply.