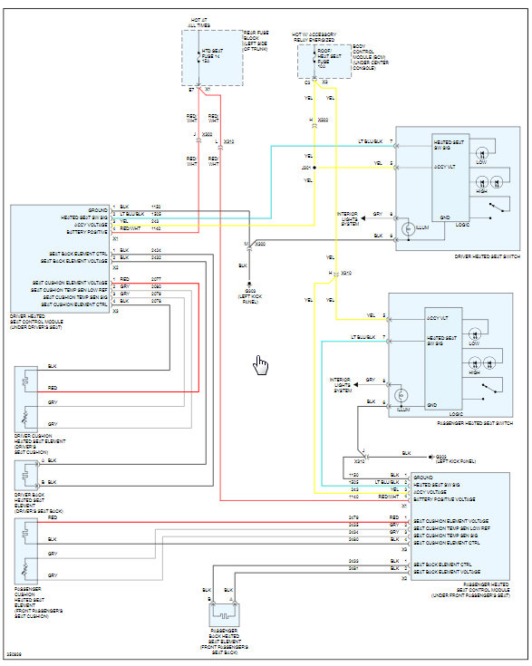
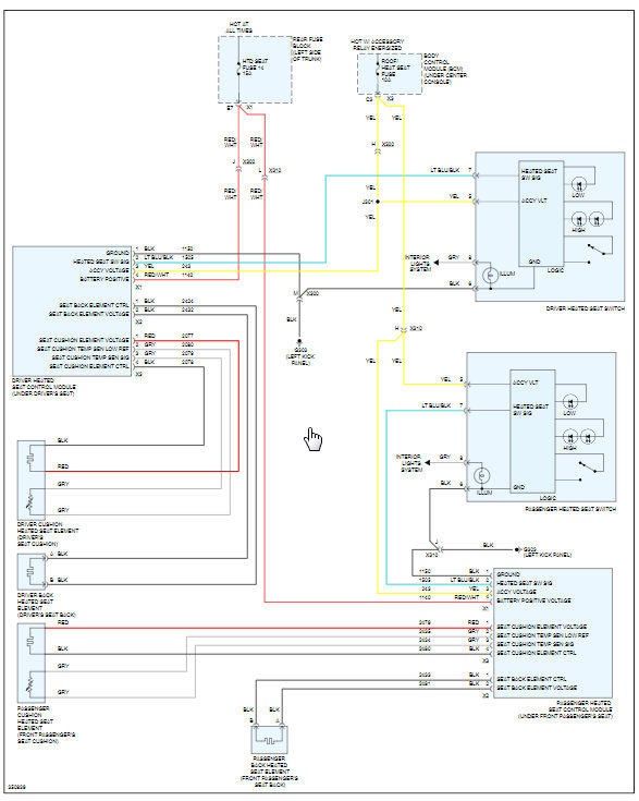
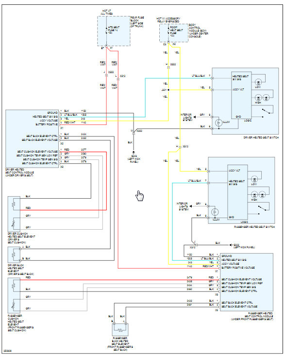
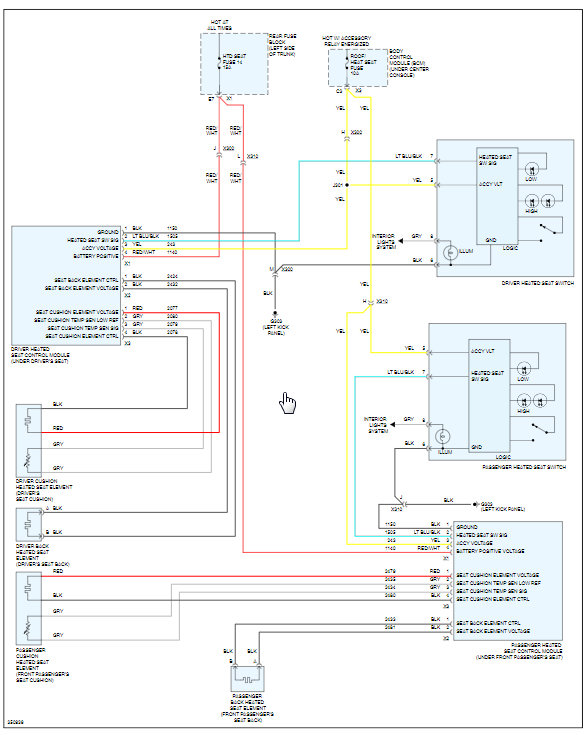
I accidentally left my window down and it rained. Seat got wet. now heated seat comes on by itself. Do you think it needs extensive (expensive) repair? Or will it stop once it fully dries out?
Dec 31, 2019 at 6:18 AM


