heater only works on passenger side

2012 FORD F-150
120,000 MILES • V6 • 4WD • AUTOMATIC
Avatar
SUSANNAH CHADWICK
  • MEMBER
  • 1 POST
The heater only works on passenger side. The defrost blows cold air only too?
Nov 13, 2017 at 11:59 AM
Advertisement
Repair Safety Notice: This information is for general instructional purposes only. Vehicle repair can be dangerous. Verify all information, follow manufacturer service procedures, use proper tools and safety equipment, and consult a qualified repair shop when needed.
Avatar
JACOBANDNICKOLAS
  • AUTOMOTIVE REPAIR CONTRIBUTOR
  • 110,190 POSTS
If you have dual climate control, suspect a blend air door malfunction. They are located under the dash near the blower motor. When properly operating, the open and close based on if you want heat or AC. Since only one side is working, I would suspect one is not opening to allow heat to the other side.
Jul 30, 2020 at 10:00 AM
Avatar
STEVE W.
  • AUTOMOTIVE REPAIR CONTRIBUTOR
  • 15,145 POSTS
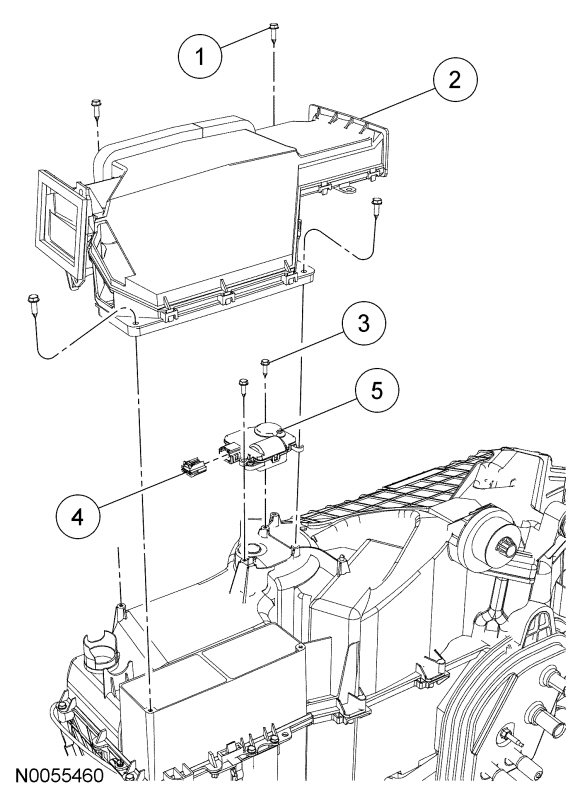
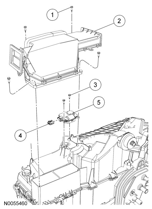
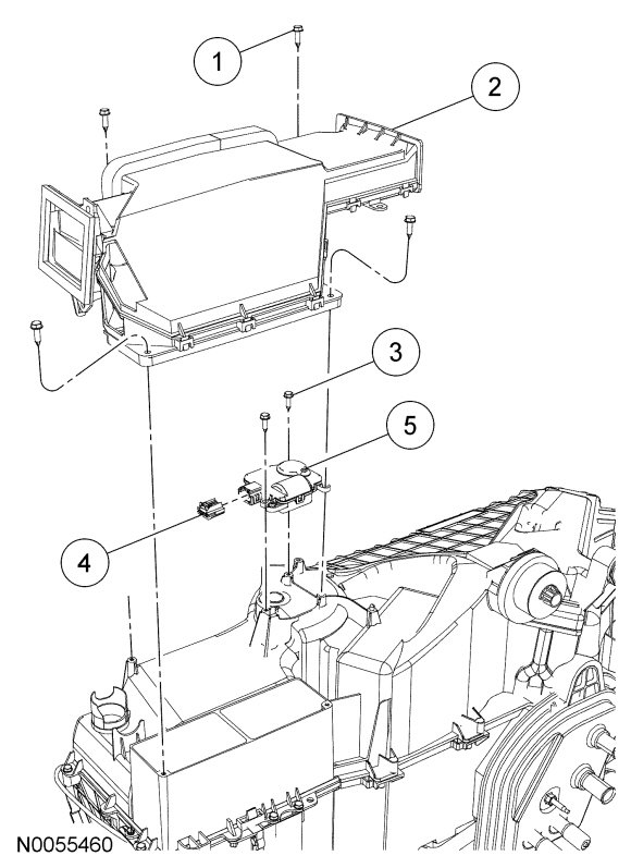
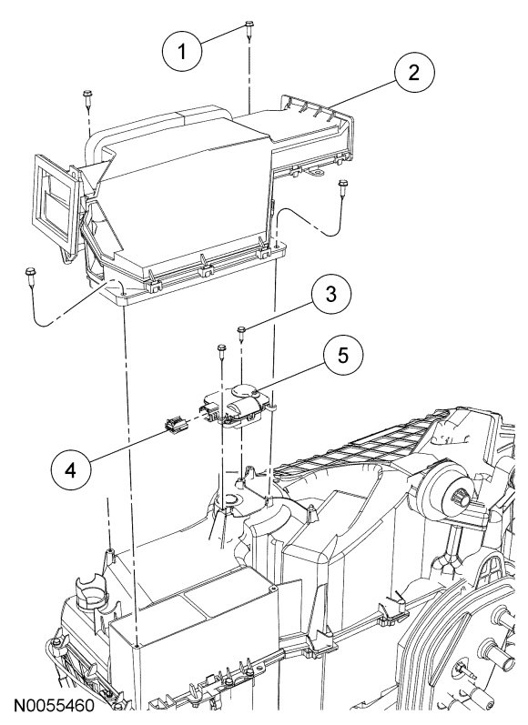
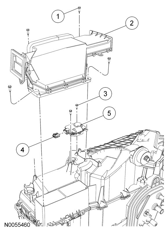
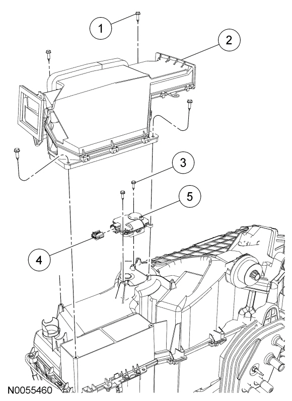
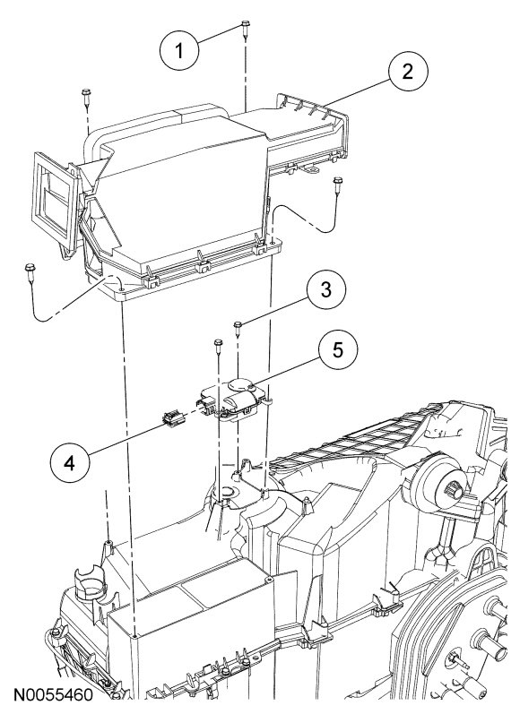
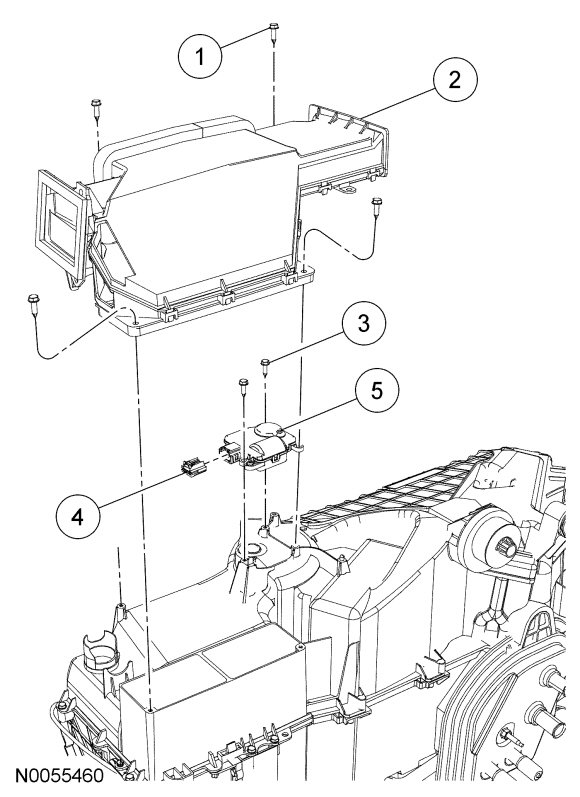
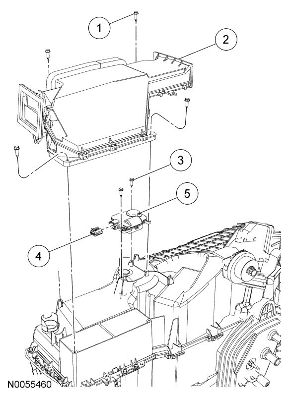
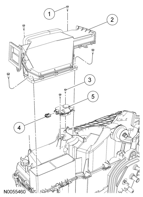
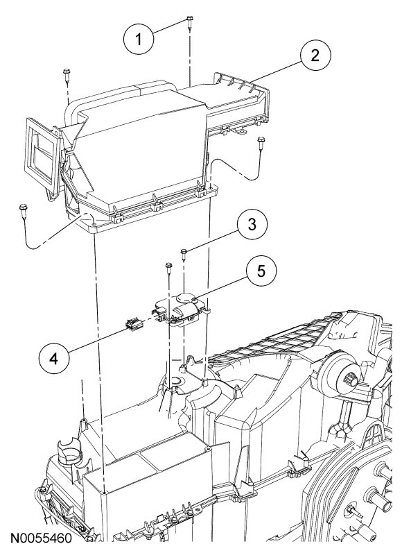
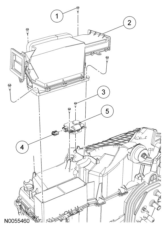
This is the book procedure (the picture is upside down just to show the location of the actuator) I am not sure that you have to remove the HVAC housing though, it looks like it would be possible to remove the floor duct screws and drop it enough to get to the actuator.

The left hand temperature blend door actuator is present on dual-zone Electronic Automatic Temperature Control (EATC) vehicles to control the left hand temperature blend door only.

Remove the heater core and evaporator core housing.
Remove the four floor duct screws and remove the floor duct.
Disconnect the left hand temperature blend door actuator electrical connector.
Remove the two left hand temperature blend door actuator screws.
Remove the left hand temperature blend door actuator.
To install, reverse the removal procedure.

Note: Because the battery has been disconnected as part of the removal procedure, the HVAC module will initialize and calibrate the actuators when the ignition switch is switched to the ON position. The purpose of the module actuator position calibration is to allow the HVAC module to reinitialize and calibrate the actuator stop points. Calibration of the actuators will take approximately thirty seconds.
Jul 30, 2020 at 10:00 AM
Advertisement